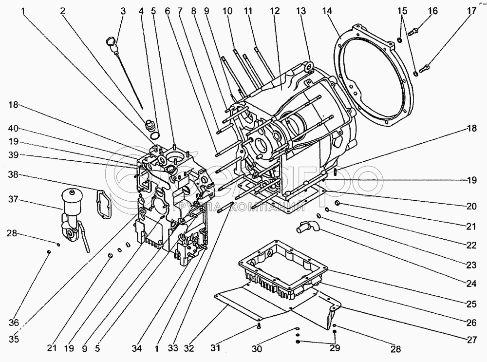
Каталог запасных частей к технике: ЧТЗ В-2Ч 8,2/7,8. КАРТЕР И УСТАНОВКА СУФЛЕРА

zoom-in zoom-out enlarge shrink circle-right circle-left file-text2 info cart arraw right arraw left zoom out zoom in arraw maximize arraw minimize
363.01.010-03
363.42.000-01
363.01.000-04
1
1
2
3
4
5
5
6
7
8
9
9
10
11
12
13
14
15
16
17
18
18
19
19
19
20
21
21
22
23
24
25
26
27
28
28
29
30
31
32
33
34
35
36
37
38
39
40
40
363.01.010-03
Картер
В узле: 1
363.42.000-01
Установка суфлера
В узле: 1
363.01.000-04
Картер
В узле: 1
1
350-08-2А
Шпилька М8х40
В узле: 6
2
363.01.008
Проходник
В узле: 1
3
363.01.060
Линейка
В узле: 1
4
355-13
Кольцо 22-30
В узле: 1
5
350-15
Шпилька М8х35
В узле: 14
6
363.01.009
Шпилька М8х128
В узле: 9
7
363.01.012
Шпилька М8х85
В узле: 3
8
350-37
Шпилька М8х51
В узле: 1
9
350-33-2
Шпилька М6х45
В узле: 4
10
363.01.004-01
Шпилька крепления головки
В узле: 4
11
363.01.004
Шпилька крепления головки
В узле: 4
12
363.01.001-03
Картер
В узле: 1
13
363.01.005-01
Рым-болт М8
В узле: 2
14
363.01.028
Бандаж
В узле: 1
15
353-26
Шайба 10Т
В узле: 8
16
М10-6g40.58
Болт
В узле: 2
17
М10-6g30.58
Болт
В узле: 6
18
350-03
Шпилька
В узле: 8
19
350-02
Шпилька М6х26
В узле: 18
20
363.01.006
Прокладка
В узле: 1
21
351-02-1
Гайка М8
В узле: 14
22
353-24
Шайба 8Т
В узле: 14
23
353-05-1
Шайба
В узле: ---
24
363.01.090
Труба
В узле: 1
25
363.01.080
Поддон
В узле: 1
26
363.01.033
Втулка
В узле: 6
27
363.01.110
Кожух
В узле: 1
28
353-23
Шайба 6Т
В узле: 18
29
351-06-2
Гайка М6
В узле: 14
30
353-04-1
Шайба чистая 6
В узле: 10
31
М6х8gх16.58 019
Винт В
В узле: 6
32
363.01.046
Щиток
В узле: 1
33
363.01.013
Шпилька М8х66
В узле: 2
34
350-94
Шпилька М10x42
В узле: 4
35
301-106-2
Втулка
В узле: 1
36
351-06
Гайка М6
В узле: 4
37
363.42.010-01
Суфлер
В узле: 1
38
363.01.017
Прокладка
В узле: 1
39
363.01.015
Втулка
В узле: 1
40
363.01.002-02
Корпус
В узле: 1
40
363.01.020-02
Корпус
В узле: 1
Содержащиеся в справочниках-каталогах запасные части и детали не предлагаются к продаже, а носят исключительно информационный характер

Ваша заявка была отправлена. В ближайшее время наши специалисты с Вами свяжутся по указанному Вами телефону.

Представьтесь
Поле обязательно для заполнения
Ваш телефон
Введите правильный номер телефона
E-mail
Введите правильный e-mail
Тема
Тема
применяемость финансирование доставка цена, наличие другое сервис и гарантия
Время для звонка
08:00
08:00 09:00 10:00 11:00 12:00 13:00 14:00 15:00 16:00 17:00 18:00 19:00
19:00
08:00 09:00 10:00 11:00 12:00 13:00 14:00 15:00 16:00 17:00 18:00 19:00

Мы постараемся перезвонить в указанное время

Если вы не хотите ждать, то звоните нашим вежливым консультантам:

8 800 100-2-700
Подтвердите, что вы не робот
Подтвердите, что вы не робот
Спасибо!

Ваше сообщение успешно отправлено!

ЗакрытьПовторить попытку