Каталог запасных частей к технике: ЧТЗ В-2Ч 8,2/7,8. УСТАНОВКА НАСОСА ТОПЛИВОПОДКАЧИВАЮЩЕГО

zoom-in zoom-out enlarge shrink circle-right circle-left file-text2 info cart arraw right arraw left zoom out zoom in arraw maximize arraw minimize
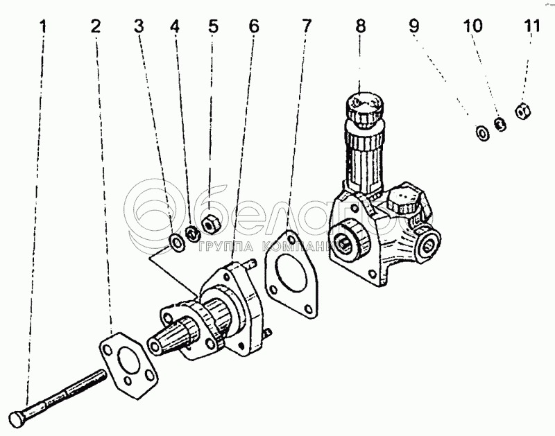
363.32.000-04
1
2
3
4
5
6
7
8
9
10
11
363.32.000-04
Установка насоса топливоподкачивающего
В узле: ---
1
363.32.002-03
Шток
В узле: 1
2
363.32.003
Прокладка
В узле: 1
3
353-05-1
Шайба
В узле: 2
4
353-24
Шайба 8Т
В узле: 3
5
351-67
Гайка М8
В узле: 2
6
363.32.090-01
Проставка
В узле: 1
7
700-40-3323
Прокладка
В узле: 1
8
363.32.070-02
Насос топливоподкачивающий
В узле: 1
9
353-04-1
Шайба чистая 6
В узле: 3
10
353-23
Шайба 6Т
В узле: 3
11
351-06
Гайка М6
В узле: 3
Содержащиеся в справочниках-каталогах запасные части и детали не предлагаются к продаже, а носят исключительно информационный характер

Ваша заявка была отправлена. В ближайшее время наши специалисты с Вами свяжутся по указанному Вами телефону.

Представьтесь
Поле обязательно для заполнения
Ваш телефон
Введите правильный номер телефона
E-mail
Введите правильный e-mail
Тема
Тема
применяемость финансирование доставка цена, наличие другое сервис и гарантия
Время для звонка
08:00
08:00 09:00 10:00 11:00 12:00 13:00 14:00 15:00 16:00 17:00 18:00 19:00
19:00
08:00 09:00 10:00 11:00 12:00 13:00 14:00 15:00 16:00 17:00 18:00 19:00

Мы постараемся перезвонить в указанное время

Если вы не хотите ждать, то звоните нашим вежливым консультантам:

8 800 100-2-700
Подтвердите, что вы не робот
Подтвердите, что вы не робот
Спасибо!

Ваше сообщение успешно отправлено!

ЗакрытьПовторить попытку