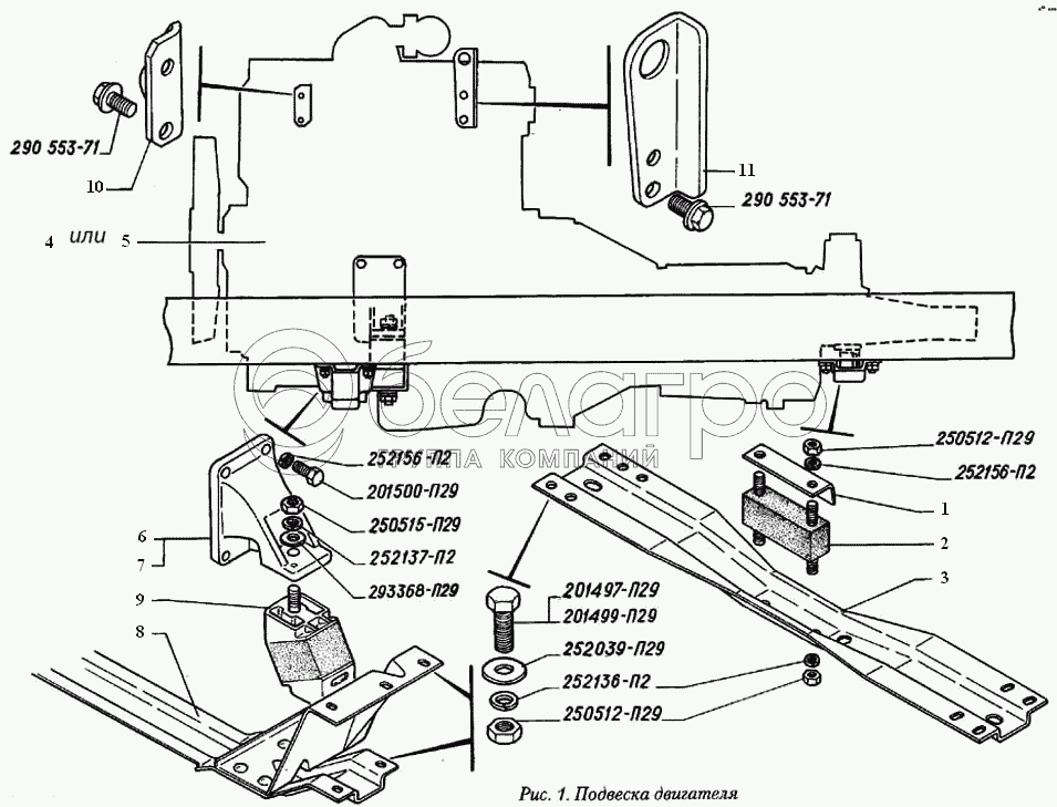
Каталог запасных частей к технике: ГАЗ-560. Подвеска двигателя

zoom-in zoom-out enlarge shrink circle-right circle-left file-text2 info cart arraw right arraw left zoom out zoom in arraw maximize arraw minimize
250512-П29
250512-П29
290553-71
290553-71
252156-П2
252156-П2
201500-П29
250515-П29
252137-П2
293368-П29
201497-П29
201499-П29
252039-П29
252136-П2
1
2
3
4
5
6
7
8
9
10
11
250512-П29
Гайка М10-6Н ОСТ 37.001.124-93
В узле: ---
290553-71
Болт М8х 20 (3802419/0)
В узле: ---
252156-П2
Шайба 10Л ОСТ 37.001.115-75
В узле: ---
201500-П29
Болт М10-6gх32 ОСТ 37.001.123-96
В узле: ---
250515-П29
Гайка М12х1,25-6Н ОСТ 37.001.124-93
В узле: ---
252137-П2
Шайба 12.ОТ ОСТ 37.001.115-75
В узле: ---
293368-П29
Шайба 12,5
В узле: ---
201497-П29
Болт М10-6gх25 ОСТ 37.001.123-96
В узле: ---
201499-П29
Болт М10-6gх30 ОСТ 37.001.123-96
В узле: ---
252039-П29
Шайба 10 ОСТ 37.001.144-96
В узле: ---
252136-П2
Шайба 10 ОТ ОСТ 37.001.115-75
В узле: ---
1
24-1001037
Ограничитель
В узле: ---
2
24-1001050-Б
Подушка опоры двигателя задняя
В узле: ---
3
3302-1001159
Поперечина задней опоры двигателя
В узле: ---
4
330242-1000300
Двигатель
В узле: ---
5
330242-1000300-10
Двигатель
В узле: ---
6
330242-1001012
Кронштейн двигателя со штифтом правый
В узле: ---
7
330242-1001013
Кронштейн двигателя со штифтом левый
В узле: ---
8
330242-2801380
Поперечина передней подвески двигателя
В узле: ---
9
3306-1001020-01
Подушка подвески двигателя передняя
В узле: ---
10
562.1002343
Серьга (2040070/2)
В узле: ---
11
560.1002344
Серьга (2203501/О)
В узле: ---
Содержащиеся в справочниках-каталогах запасные части и детали не предлагаются к продаже, а носят исключительно информационный характер

Ваша заявка была отправлена. В ближайшее время наши специалисты с Вами свяжутся по указанному Вами телефону.

Представьтесь
Поле обязательно для заполнения
Ваш телефон
Введите правильный номер телефона
E-mail
Введите правильный e-mail
Тема
Тема
применяемость финансирование доставка цена, наличие другое сервис и гарантия
Время для звонка
08:00
08:00 09:00 10:00 11:00 12:00 13:00 14:00 15:00 16:00 17:00 18:00 19:00
19:00
08:00 09:00 10:00 11:00 12:00 13:00 14:00 15:00 16:00 17:00 18:00 19:00

Мы постараемся перезвонить в указанное время

Если вы не хотите ждать, то звоните нашим вежливым консультантам:

8 800 100-2-700
Подтвердите, что вы не робот
Подтвердите, что вы не робот
Спасибо!

Ваше сообщение успешно отправлено!

ЗакрытьПовторить попытку