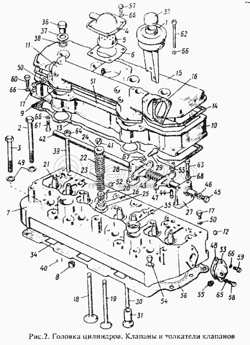
Каталог запасных частей к технике: ММЗ Д-242. Головка цилиндров. Клапаны и толкатели клапанов
1
2
3
4
5
6
7
8
9
10
11
12
13
14
15
16
17
18
19
20
21
22
23
24
25
26
27
28
29
30
31
32
33
34
35
36
37
38
39
40
41
42
43
44
45
46
47
48
49
50
51
52
53
54
55
56
58
59
60
61
62
63
64
65
66
67
68
|
48
50-1015598
Прокладка
В узле: 1
|
|||||||||||||||||||||||||||||||||||||||||||||||||||||||||||||||||||||||||||||||||||||||
| 50-1015598 Прокладка МТЗ, ЗИЛ патрубка головки блока, Беларусь |
|
>10 шт. | 5.46 р. | ||||||||||||||||||||||||||||||||||||||||||||||||||||||||||||||||||||||||||||||||||||
|
31
240-1007375
Толкатель
В узле: 8
|
|||||||||||||||||||||||||||||||||||||||||||||||||||||||||||||||||||||||||||||||||||||||
| 240-1007375 Толкатель МТЗ, ЗИЛ, Д-240, Д-260 клапана, (А) |
|
>10 шт. | 203.15 р. | ||||||||||||||||||||||||||||||||||||||||||||||||||||||||||||||||||||||||||||||||||||
|
14
240-1003109
Прокладка колпака
В узле: 1
|
|||||||||||||||||||||||||||||||||||||||||||||||||||||||||||||||||||||||||||||||||||||||
| 240-1003109 Прокладка крышки ГБЦ МТЗ верхняя (резино-пробка), РФ |
|
Под заказ | 101.64 р. | ||||||||||||||||||||||||||||||||||||||||||||||||||||||||||||||||||||||||||||||||||||
| 240-1003109 Прокладка крышки ГБЦ МТЗ верхняя (паронит 1,5 мм), РФ |
|
Под заказ | 95.45 р. | ||||||||||||||||||||||||||||||||||||||||||||||||||||||||||||||||||||||||||||||||||||
|
13
240-1003108
Прокладка крышки
В узле: 1
|
|||||||||||||||||||||||||||||||||||||||||||||||||||||||||||||||||||||||||||||||||||||||
| 240-1003108 Прокладка крышки ГБЦ МТЗ нижняя (паронит 1,5 мм), РФ |
|
Под заказ | 95.45 р. | ||||||||||||||||||||||||||||||||||||||||||||||||||||||||||||||||||||||||||||||||||||
|
26
240-1007055
Шайба пружины клапана верхняя
В узле: 8
|
|||||||||||||||||||||||||||||||||||||||||||||||||||||||||||||||||||||||||||||||||||||||
| 240-1007055 Шайба Д245 пружины клапана верхняя, ММЗ |
|
<10 шт. | 54.83 р. | ||||||||||||||||||||||||||||||||||||||||||||||||||||||||||||||||||||||||||||||||||||
|
9
240-1003031
Прокладка
В узле: 2
|
|||||||||||||||||||||||||||||||||||||||||||||||||||||||||||||||||||||||||||||||||||||||
| 240-1003031 Прокладка коллектора впускного МТЗ, Беларусь |
|
>10 шт. | 5.46 р. | ||||||||||||||||||||||||||||||||||||||||||||||||||||||||||||||||||||||||||||||||||||
|
53
Д02-063
Гайка
В узле: 8
|
|||||||||||||||||||||||||||||||||||||||||||||||||||||||||||||||||||||||||||||||||||||||
| Д02-063 Гайка МТЗ винта регулировки коромысла, ММЗ |
|
<10 шт. | 139.84 р. | ||||||||||||||||||||||||||||||||||||||||||||||||||||||||||||||||||||||||||||||||||||
|
3
240-1002047-01
Болт
В узле: 4
|
|||||||||||||||||||||||||||||||||||||||||||||||||||||||||||||||||||||||||||||||||||||||
| 240-1002047-01 Болт головки МТЗ, Д243, Д245 коротокий, ММЗ |
|
Под заказ | 262.30 р. | ||||||||||||||||||||||||||||||||||||||||||||||||||||||||||||||||||||||||||||||||||||
|
24
240-1007048
Тарелка пружин клапана
В узле: 8
|
|||||||||||||||||||||||||||||||||||||||||||||||||||||||||||||||||||||||||||||||||||||||
| 240-1007048 Тарелка Д243,Д245,Д260 пружин клапана головки блока, ММЗ |
|
>10 шт. | 284.15 р. | ||||||||||||||||||||||||||||||||||||||||||||||||||||||||||||||||||||||||||||||||||||
|
12
240-1003037
Заглушка
В узле: 1
|
|||||||||||||||||||||||||||||||||||||||||||||||||||||||||||||||||||||||||||||||||||||||
| 240-1003037 Заглушка МТЗ, ММЗ |
|
<10 шт. | 90.52 р. | ||||||||||||||||||||||||||||||||||||||||||||||||||||||||||||||||||||||||||||||||||||
|
2
240-1002047
Болт
В узле: 12
|
|||||||||||||||||||||||||||||||||||||||||||||||||||||||||||||||||||||||||||||||||||||||
| 240-1002047 Болт головки МТЗ, Д243, Д245 длинный, ММЗ |
|
Под заказ | 303.59 р. | ||||||||||||||||||||||||||||||||||||||||||||||||||||||||||||||||||||||||||||||||||||
|
49
48-1002318
Шайба
В узле: 16
|
|||||||||||||||||||||||||||||||||||||||||||||||||||||||||||||||||||||||||||||||||||||||
| 48-1002318 Шайба МТЗ головки блока, ММЗ |
|
Под заказ | 43.90 р. | ||||||||||||||||||||||||||||||||||||||||||||||||||||||||||||||||||||||||||||||||||||
|
44
50-1007175-Б1
Винт регулировочный
В узле: 8
|
|||||||||||||||||||||||||||||||||||||||||||||||||||||||||||||||||||||||||||||||||||||||
| 50-1007175-Б1 Винт МТЗ регулировочный рычага(коромысла) клапана, ММЗ |
|
Под заказ | 131.60 р. | ||||||||||||||||||||||||||||||||||||||||||||||||||||||||||||||||||||||||||||||||||||
|
8
240-1003029
Втулка
В узле: 6
|
|||||||||||||||||||||||||||||||||||||||||||||||||||||||||||||||||||||||||||||||||||||||
| 240-1003029 Втулка МТЗ головки блока цилиндров, ММЗ |
|
<10 шт. | 120.65 р. | ||||||||||||||||||||||||||||||||||||||||||||||||||||||||||||||||||||||||||||||||||||
|
37
50-1003106
Шайба
В узле: 4
|
|||||||||||||||||||||||||||||||||||||||||||||||||||||||||||||||||||||||||||||||||||||||
| 50-1003106 Шайба МТЗ, Д-243, Д-245, Д-260 крепления колпака, ММЗ |
|
Под заказ | 54.83 р. | ||||||||||||||||||||||||||||||||||||||||||||||||||||||||||||||||||||||||||||||||||||
|
36
50-1003104-А
Гайка колпака
В узле: 4
|
|||||||||||||||||||||||||||||||||||||||||||||||||||||||||||||||||||||||||||||||||||||||
| 50-1003104-А Гайка МТЗ, ЗИЛ-5301 колпака головки блока, ММЗ |
|
Под заказ | 206.46 р. | ||||||||||||||||||||||||||||||||||||||||||||||||||||||||||||||||||||||||||||||||||||
|
5
240-1002440
Фильтр
В узле: 1
|
|||||||||||||||||||||||||||||||||||||||||||||||||||||||||||||||||||||||||||||||||||||||
| 240-1002440 Фильтр МТЗ-82 сапуна, ММЗ |
|
Под заказ | 340.01 р. | ||||||||||||||||||||||||||||||||||||||||||||||||||||||||||||||||||||||||||||||||||||
|
240-1007152-Б
Стойка оси коромысел средняя
В узле: 1
|
|||||||||||||||||||||||||||||||||||||||||||||||||||||||||||||||||||||||||||||||||||||||
| 240-1007152-Б Стойка Д243,Д245,Д260 оси коромысел, средняя, ММЗ |
|
<10 шт. | 523.08 р. | ||||||||||||||||||||||||||||||||||||||||||||||||||||||||||||||||||||||||||||||||||||
|
16
240-1003264-А
Прокладка
В узле: 1
|
|||||||||||||||||||||||||||||||||||||||||||||||||||||||||||||||||||||||||||||||||||||||
| 240-1003264-А Прокладка МТЗ паронит 0,5 мм, РФ |
|
Под заказ | 7.96 р. | ||||||||||||||||||||||||||||||||||||||||||||||||||||||||||||||||||||||||||||||||||||
| 240-1003264-А Прокладка МТЗ темсил, РФ |
|
<10 шт. | 7.19 р. | ||||||||||||||||||||||||||||||||||||||||||||||||||||||||||||||||||||||||||||||||||||
|
17
240-1003281
Пробка
В узле: 2
|
|||||||||||||||||||||||||||||||||||||||||||||||||||||||||||||||||||||||||||||||||||||||
| 240-1003281 Пробка головки блока цилиндров дв. 242, 243, 245, 260, 265, ММЗ |
|
<10 шт. | 112.45 р. | ||||||||||||||||||||||||||||||||||||||||||||||||||||||||||||||||||||||||||||||||||||
|
33
70-8115022-А
Патрубок
В узле: 1
|
|||||||||||||||||||||||||||||||||||||||||||||||||||||||||||||||||||||||||||||||||||||||
| 70-8115022-А Патрубок МТЗ головки цилиндров, ММЗ* |
|
Под заказ | 392.72 р. | ||||||||||||||||||||||||||||||||||||||||||||||||||||||||||||||||||||||||||||||||||||
|
240-1007151-Б
Стойка оси коромысел крайняя
В узле: 1
|
|||||||||||||||||||||||||||||||||||||||||||||||||||||||||||||||||||||||||||||||||||||||
| 240-1007151-Б Стойка Д243,Д245,Д260 оси коромысел, передняя ММЗ |
|
Под заказ | 720.01 р. | ||||||||||||||||||||||||||||||||||||||||||||||||||||||||||||||||||||||||||||||||||||
|
20
240-1007020
Манжета уплотнительная клапана
В узле: 8
|
|||||||||||||||||||||||||||||||||||||||||||||||||||||||||||||||||||||||||||||||||||||||
| 240-1007020 Манжета уплотнительного клапана, ММЗ |
|
Под заказ | 74.95 р. | ||||||||||||||||||||||||||||||||||||||||||||||||||||||||||||||||||||||||||||||||||||
|
28
240-1007152-Б-01
Стойка оси коромысел средняя
В узле: 1
|
|||||||||||||||||||||||||||||||||||||||||||||||||||||||||||||||||||||||||||||||||||||||
| 240-1007152-Б-01 Стойка Д243,Д245,Д260 оси коромысел, средняя, ММЗ |
|
Под заказ | 570.32 р. | ||||||||||||||||||||||||||||||||||||||||||||||||||||||||||||||||||||||||||||||||||||
Содержащиеся в справочниках-каталогах запасные части и детали не предлагаются к продаже, а носят исключительно информационный характер