Каталог запасных частей к технике: ММЗ Д-242. Топливный насос 4УТНМ-Т

zoom-in zoom-out enlarge shrink circle-right circle-left file-text2 info cart arraw right arraw left zoom out zoom in arraw maximize arraw minimize
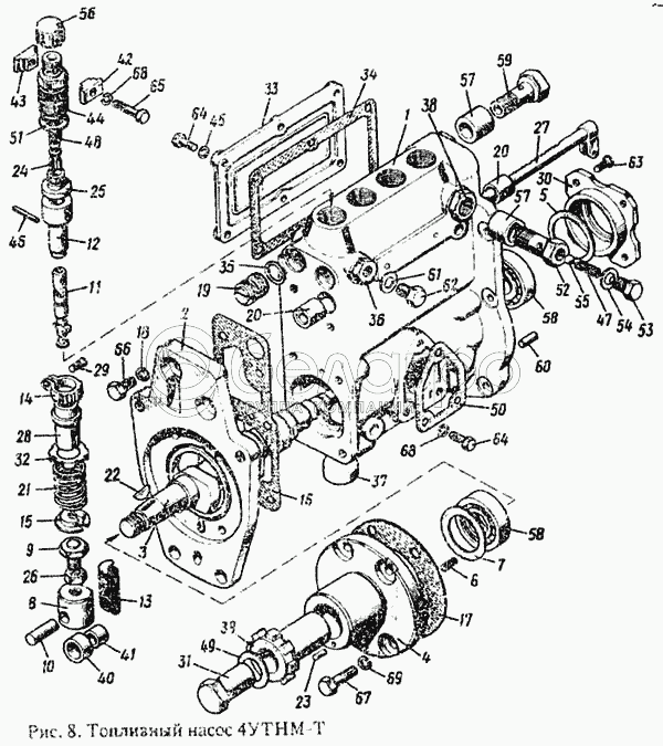
1
2
3
4
5
6
8
9
10
11
12
13
14
15
16
17
18
19
20
21
22
23
24
25
26
27
28
29
30
31
32
33
34
35
36
37
38
39
40
41
42
43
44
45
46
47
48
49
50
51
52
53
54
55
56
57
58
59
60
61
62
63
64
65
66
67
68
69
48
16-068-А
Пружина
В узле: 4
16-068-А Пружина МТЗ топливного насоса 4УТНМ, Беларусь Под заказ 38.65 р.
16-С13-1Б
Клапан перепускной (47, 52-55)
В узле: 1
УТН-5-1111220
Клапан
В узле: 4
4УТНМ-1111160-10
Фланец (4, 23)
В узле: 1
4УТНМ-1111090-01
Толкатель
В узле: 4
4УТНМ-1111410-01
Плунжерная пара (11, 12)
В узле: 4
4УТНМ-1111005-21 (Д-242)
Насос топливный с регулятором
В узле: 1
4УТНМ-1111244
Пластина
В узле: 2
4УТНМ-1111005-101-01 (Д-244)
Насос топливный с регулятором
В узле: 1
1
4УТНМ-1111025-20
Корпус насоса
В узле: 1
2
4УТНМ-1111082
Плита
В узле: 1
3
4УТНМ-1111152-В
Вал кулачковый
В узле: 1
4
4УТНМ-1111162-10
Фланец
В узле: 1
5
4УТНМ-1111213
Прокладка
В узле: 3
6
4УТНМ-1111243-10
Пружина
В узле: ---
8
4УТНМ-1111262-01
Корпус
В узле: 4
9
4НТНМ-1111265
Болт
В узле: 4
10
4УТНМ.1111266
Ось
В узле: 4
11
4УТНМ-1111422
Плунжер
В узле: 4
12
4УТНМ-1111425-01
Втулка плунжера
В узле: 4
13
4УТНМ-1111426
Фиксатор
В узле: 2
14
4УТНМ-1111432-01
Венец
В узле: 4
15
4УТНМ-1111472
Тарелка
В узле: 4
16
4УТНМ-1111483-01
Прокладка
В узле: 1
17
4УТНМ-1111493
Прокладка
В узле: 1
18
УТН-5-1110242
Шайба
В узле: 2
19
УТН-5-1111023-А
Пробка
В узле: 4
20
УТН-5-1111029-А
Втулка
В узле: 2
21
УТН-5-1111138
Пружина
В узле: 4
22
УТН-5-1111155
Шпонка
В узле: 1
23
УТН-5-1111163
Заглушка
В узле: 1
24
УТН-5-1111224
Клапан
В узле: 4
25
УТН-5-1111226
Седло
В узле: 4
26
УТН-5-1111267
Контргайка
В узле: 4
27
УТН-5-1111350
Рейка
В узле: 1
28
УТН-5-1111431-Б
Втулка
В узле: 4
29
УТН-5-1111433-А
Винт
В узле: 4
30
УТН-5-1111451-И
Стакан
В узле: 1
31
УТН-5-1111471
Гайка
В узле: 1
32
УТН-5-1111473-А
Тарелка
В узле: 4
33
УТН-5-1111475-А6
Крышка
В узле: 1
34
УТН-5-1111476-А5
Прокладка
В узле: 1
35
УТН-5-1111519
Кольцо
В узле: 4
36
УТН-3-1110022-Б
Футорка
В узле: 1
37
УТН-3-1111026-А2
Пробка
В узле: 4
38
УТН-3-1111028-В2
Футорка
В узле: 2
39
УТИ-3-1111165
Втулка
В узле: 1
40
УТН-3-1111263
Ролик
В узле: 4
41
УТН-3-1111264
Втулка
В узле: 4
42
УТН-3-1111477-А2
Зажим
В узле: 2
43
УТН-3-1111478-А2
Зажим
В узле: 2
44
УТН-3-1111485
Штуцер
В узле: 4
45
УТН-3-1111488-01
Шайба
В узле: 6
46
УТН-3-1111489
Штифт
В узле: 4
47
16-057
Пружина клапана
В узле: 1
49
16-091
Шайба
В узле: 1
50
16-148-Б
Прокладка
В узле: 1
51
16-212
Прокладка
В узле: 4
52
16-216-1
Корпус клапана
В узле: 1
53
16-218
Пробка
В узле: 1
54
16-219
Прокладка
В узле: 1
55
16-262
Шарик 7.144-60
В узле: 1
56
119-73-В
Колпачок
В узле: 4
57
119-85-1
Втулка защитная
В узле: 2
58
7204-А
Подшипник
В узле: 2
59
А12.01.003-03
Болт
В узле: 1
60
Д40-1110026
Штифт
В узле: 2
61
ОНМ-086-1
Прокладка
В узле: 1
62
ОНМ-119-2
Болт
В узле: 1
63
ВМ6-6gх12.58.05
Винт
В узле: 4
64
М6-6gх20.88.019
Болт
В узле: 13
65
М6-6gх30.88.019
Болт
В узле: 2
66
М8-6gх16.88.019
Болт
В узле: 2
67
М8-6gх30.88.019
Болт
В узле: 4
68
6Т.65Г.05
Шайба
В узле: 11
69
8Т.65Г.05
Шайба
В узле: 4
Содержащиеся в справочниках-каталогах запасные части и детали не предлагаются к продаже, а носят исключительно информационный характер

Ваша заявка была отправлена. В ближайшее время наши специалисты с Вами свяжутся по указанному Вами телефону.

Представьтесь
Поле обязательно для заполнения
Ваш телефон
Введите правильный номер телефона
E-mail
Введите правильный e-mail
Тема
Тема
применяемость финансирование доставка цена, наличие другое сервис и гарантия
Время для звонка
08:00
08:00 09:00 10:00 11:00 12:00 13:00 14:00 15:00 16:00 17:00 18:00 19:00
19:00
08:00 09:00 10:00 11:00 12:00 13:00 14:00 15:00 16:00 17:00 18:00 19:00

Мы постараемся перезвонить в указанное время

Если вы не хотите ждать, то звоните нашим вежливым консультантам:

8 800 100-2-700
Подтвердите, что вы не робот
Подтвердите, что вы не робот
Спасибо!

Ваше сообщение успешно отправлено!

ЗакрытьПовторить попытку