Каталог запасных частей к технике: ММЗ Д-245. Топливные трубопроводы и установка топливной аппаратуры

zoom-in zoom-out enlarge shrink circle-right circle-left file-text2 info cart arraw right arraw left zoom out zoom in arraw maximize arraw minimize
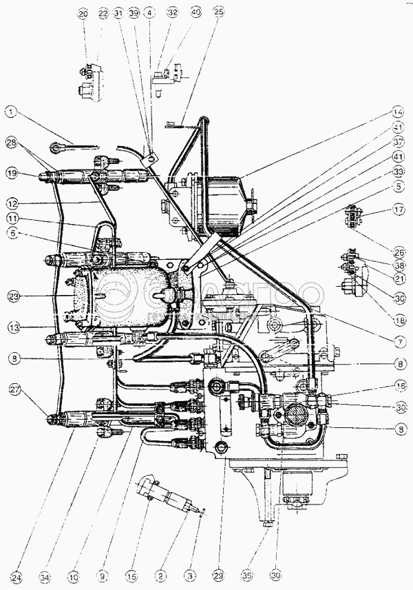
1
2
3
4
5
6
7
8
9
10
11
12
13
14
15
16
17
18
19
20
21
22
23
24
25
26
27
28
29
29
30
31
32
33
34
35
36
37
38
39
40
41
245-1111020
Прокладка-экран
В узле: 4
245-1111020 Прокладка-экран форсунки МТЗ, ЗИЛ кольцо уплотнительное, (У) >10 шт. 49.56 р.
8
240-1104160-02
Трубка
В узле: 3
240-1104160-02 Трубка МТЗ, Д-240, ЗИЛ L=350 >10 шт. 322.43 р.
240-1104160-02 Трубка МТЗ, Д-240, ЗИЛ L=350, (А) >10 шт. 42.07 р.
19
240-1111112
Штуцер
В узле: 1
240-1111112 Штуцер МТЗ форсунки, ММЗ <10 шт. 271.17 р.
240-1111112 Штуцер МТЗ форсунки, (А) >10 шт. 28.50 р.
23
240-1117010-А
Фильтр топливный тонкой очистки
В узле: 1
240-1117010-А Фильтр МТЗ топливный тонкой очистки в сборе, ММЗ Под заказ 4 579.50 р.
240-1117010-А Фильтр МТЗ топливный тонкой очистки в сборе, SPILE >10 шт. 946.31 р.
27
36-1104787
Болт штуцера
В узле: 4
36-1104787 Болт МТЗ М10х1.0х22 обратки форсунки, САЗ* >10 шт. 55.36 р.
36-1104787 Болт МТЗ М10х1.0х22 обратки форсунки, (А) Под заказ 5.43 р.
9
240-1104300-01
Трубка
В узле: 1
240-1104300-01 Топливопровод МТЗ, ЗИЛ, Д-240 первой форсунки, ММЗ Под заказ 776.01 р.
240-1104300-01 Топливопровод МТЗ, ЗИЛ, Д-240 первой форсунки, (А) >10 шт. 106.12 р.
10
240-1104300-02
Трубка
В узле: 1
240-1104300-02 Топливопровод МТЗ, ЗИЛ, Д-240 второй форсунки, ММЗ Под заказ 776.01 р.
240-1104300-02 Топливопровод МТЗ, ЗИЛ, Д-240 второй форсунки, (А) >10 шт. 105.25 р.
16
240-1111103-А
Болт поворотного угольника
В узле: 1
240-1111103-А Болт МТЗ поворотного угольника, длинный, 2 отверстия, ММЗ <10 шт. 213.04 р.
240-1111103-А Болт МТЗ поворотного угольника, длинный, 2 отверстия, (А) Под заказ 17.20 р.
14
240-1105010
Фильтр топливный грубой очистки
В узле: 1
240-1105010 Фильтр топливный МТЗ отстойник, грубой очистки, ММЗ Под заказ 3 562.90 р.
240-1105010 Фильтр топливный МТЗ отстойник, грубой очистки, (А) >10 шт. 641.27 р.
11
240-1104300-03
Трубка
В узле: 1
240-1104300-03 Топливопровод МТЗ, ЗИЛ, Д-240 третьей форсунки, ММЗ Под заказ 776.01 р.
240-1104300-03 Топливопровод МТЗ, ЗИЛ, Д-240 третьей форсунки, (А) Под заказ 89.27 р.
12
240-1104300-04
Трубка
В узле: 1
240-1104300-04 Топливопровод МТЗ, ЗИЛ, Д-240 четвертой форсунки, ММЗ Под заказ 776.01 р.
240-1104300-04 Топливопровод МТЗ, ЗИЛ, Д-240 четвертой форсунки, (А) Под заказ 89.79 р.
13
240-1104320-А2-02
Трубопровод дренажный
В узле: 1
240-1104320-А2-02 Топливопровод дренажный Под заказ 787.90 р.
1
245-1104330
Трубка пневмокорректора
В узле: 1
245-1104330 Трубка пневмокорректора* Под заказ 573.20 р.
2
245-1111021-А
Обойма
В узле: 4
3
245-1111022-А
Прокладка
В узле: 4
4
245-1111104
Хомутик
В узле: 1
5
245-1117061
Кронштейн
В узле: 1
6
245-1117062
Шпилька
В узле: 3
7
240-1104160
Трубка
В узле: 1
15
240-1111036-Б
Кольцо защитное
В узле: 4
17
240-1111106-01
Колодка
В узле: 2
18
240-111105
Колодка
В узле: 1
20
240-111114
Колодка
В узле: 2
21
240-1111115-А
Кронштейн
В узле: 1
22
240-1111125-А1
Кронштейн
В узле: 1
24
17.1112010
Форсунка ФДМ-22
В узле: 4
25
50-1111101-Б2
Хомутик
В узле: 2
26
50-1111107-В
Хомутик
В узле: 2
28
36-1104788-01
Прокладка
В узле: 12
29
4УТНМ-Т-1111005
Насос топливный с регулятором
В узле: 1
29
ЧУТНМ-Т-1111005-20
Насос топливный
В узле: 1
30
Д18-055-А-01
Кольцо уплотнительное
В узле: 9
31
М8-6gх20.88.35.019
Болт
В узле: 1
32
М10-6gх25.88.35.019
Болт
В узле: 2
33
М10-6gх30.88.35.019
Болт
В узле: 3
34
М10-6gх35.8835.019
Болт
В узле: 10
35
М10-6gх120.88.35.019
Болт
В узле: 2
36
М6-6Н.6.019
Гайка
В узле: 6
37
М10-6Н6.019
Гайка
В узле: 3
38
6.65Г.06
Шайба
В узле: 6
39
8.65Г.06
Шайба
В узле: 1
40
10.65Г.019
Шайба
В узле: 9
41
10.65Г.06
Шайба
В узле: 6
Содержащиеся в справочниках-каталогах запасные части и детали не предлагаются к продаже, а носят исключительно информационный характер

Ваша заявка была отправлена. В ближайшее время наши специалисты с Вами свяжутся по указанному Вами телефону.

Представьтесь
Поле обязательно для заполнения
Ваш телефон
Введите правильный номер телефона
E-mail
Введите правильный e-mail
Тема
Тема
применяемость финансирование доставка цена, наличие другое сервис и гарантия
Время для звонка
08:00
08:00 09:00 10:00 11:00 12:00 13:00 14:00 15:00 16:00 17:00 18:00 19:00
19:00
08:00 09:00 10:00 11:00 12:00 13:00 14:00 15:00 16:00 17:00 18:00 19:00

Мы постараемся перезвонить в указанное время

Если вы не хотите ждать, то звоните нашим вежливым консультантам:

8 800 100-2-700
Подтвердите, что вы не робот
Подтвердите, что вы не робот
Спасибо!

Ваше сообщение успешно отправлено!

ЗакрытьПовторить попытку