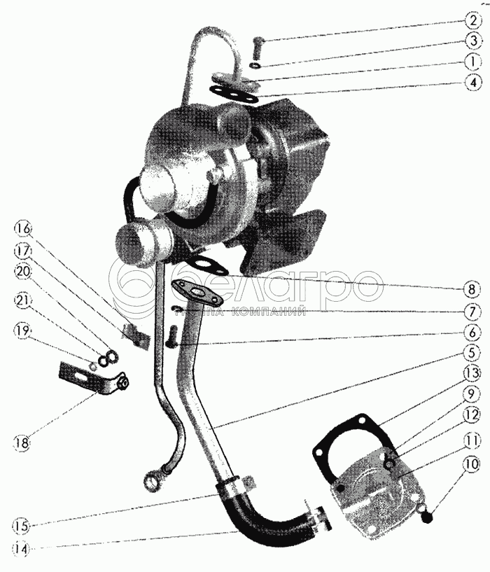
Каталог запасных частей к технике: ММЗ Д-245.30Е2-469. Маслопроводы турбокомпрессора

zoom-in zoom-out enlarge shrink circle-right circle-left file-text2 info cart arraw right arraw left zoom out zoom in arraw maximize arraw minimize
1
2
3
4
5
6
7
8
9
10
11
12
13
14
15
16
17
18
19
20
21
8
245-1118034-Б
Прокладка
В узле: 1
245-1118034-Б Прокладка сливной трубки МТЗ, ЗиЛ ТКР, Беларусь >10 шт. 37.66 р.
4
245-1118016
Прокладка
В узле: 1
245-1118016 Прокладка (ПОН) >10 шт. Нет на складе
245-1118016 Прокладка трубки ЗиЛ ТКР, Беларусь >10 шт. 3.53 р.
13
240-1002444-А1
Прокладка
В узле: 1
240-1002444-А1 Прокладка сапуна МТЗ, Беларусь >10 шт. 5.55 р.
9
245-1118020-А1
Крышка
В узле: 1
245-1118020-А1 Крышка ЗиЛ, МТЗ, ПАЗ фланец сливной трубки, ММЗ <10 шт. 684.21 р.
245-1118000-А-01
Маслопроводы турбокомпрессора
В узле: 1
1
245-1118010-С
Трубка подводящая
В узле: 1
6
М8-6gх20.88.35.016
Болт
В узле: 2
12
8.65Г.06
Шайба
В узле: 4
5
245-1118030-С
Трубка сливная
В узле: 1
10
М8-6gх16.88.35.016
Болт
В узле: 3
11
М8-6gх25.88.35.016
Болт
В узле: 1
14
20X29-1.6
Рукав (L=60 мм)
В узле: 1
15
20-32 NORMA-TORRO
Хомут
В узле: 2
16
245-1118052
Хомут
В узле: 1
17
М6-6gх16.88.35.016
Болт
В узле: 1
18
245-1118055
Планка
В узле: 1
19
М6-6Н.6.016(S10)
Гайка
В узле: 1
20
6.01.08КП.016
Шайба
В узле: 1
21
6.65Г.06
Шайба
В узле: 1
Содержащиеся в справочниках-каталогах запасные части и детали не предлагаются к продаже, а носят исключительно информационный характер

Ваша заявка была отправлена. В ближайшее время наши специалисты с Вами свяжутся по указанному Вами телефону.

Представьтесь
Поле обязательно для заполнения
Ваш телефон
Введите правильный номер телефона
E-mail
Введите правильный e-mail
Тема
Тема
применяемость финансирование доставка цена, наличие другое сервис и гарантия
Время для звонка
08:00
08:00 09:00 10:00 11:00 12:00 13:00 14:00 15:00 16:00 17:00 18:00 19:00
19:00
08:00 09:00 10:00 11:00 12:00 13:00 14:00 15:00 16:00 17:00 18:00 19:00

Мы постараемся перезвонить в указанное время

Если вы не хотите ждать, то звоните нашим вежливым консультантам:

8 800 100-2-700
Подтвердите, что вы не робот
Подтвердите, что вы не робот
Спасибо!

Ваше сообщение успешно отправлено!

ЗакрытьПовторить попытку