Каталог запасных частей к технике: ММЗ Д-245.30Е2-471. Подвеска и блок цилиндров

zoom-in zoom-out enlarge shrink circle-right circle-left file-text2 info cart arraw right arraw left zoom out zoom in arraw maximize arraw minimize
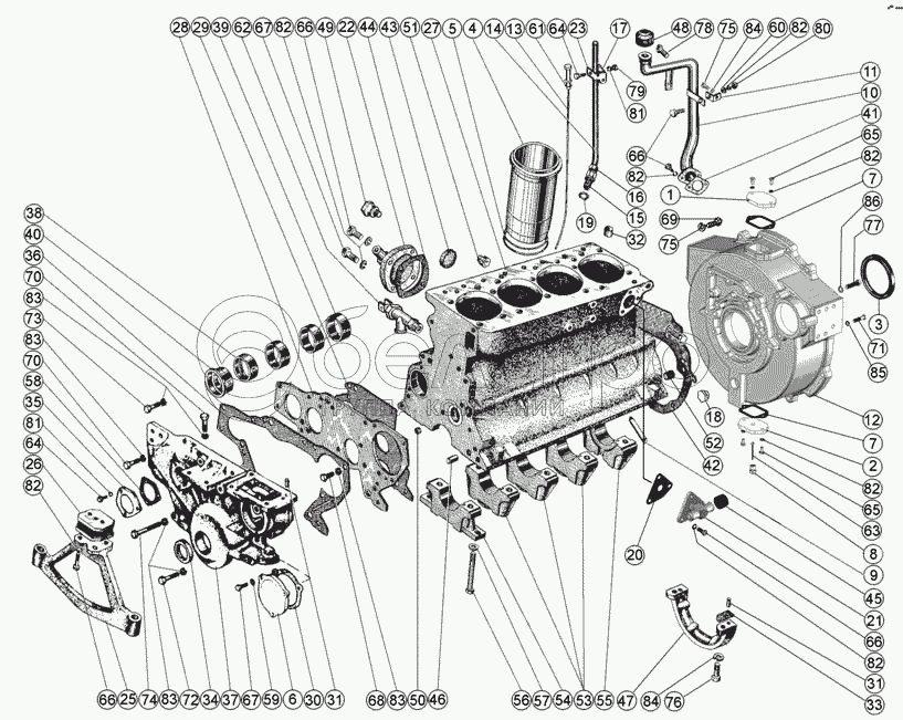
245-1002009-Б
1
2
3
4
4
5
6
7
7
8
9
10
11
12
13
14
15
16
17
18
19
21
22
23
25
26
27
28
29
30
31
31
32
33
34
35
36
37
38
39
40
41
42
43
44
45
46
47
48
49
50
51
52
53
54
55
56
57
58
59
60
61
62
63
64
64
65
65
66
66
66
66
67
67
68
69
70
70
71
72
73
74
75
75
76
77
78
79
80
81
81
82
82
82
82
82
82
82
83
83
83
83
84
84
85
86
26
240-1001025
Амортизатор
В узле: 1
240-1001025 Амортизатор МТЗ, ЗИЛ, Д-240, Д-245 опоры двигателя передний с ограничителем (подушка), (У) Под заказ 130.19 р.
240-1001025 Амортизатор МТЗ, ЗИЛ, Д-240, Д-245 опоры двигателя передний с ограничителем (подушка), (А) >10 шт. 138.97 р.
42
240-1002314
Прокладка
В узле: 1
240-1002314 Прокладка Д-243, Д-245 блока двигателя, заднего листа, паронит 0.5 мм, РФ >10 шт. 29.63 р.
240-1002314 Прокладка МАЗ, МТЗ блока двигателя, заднего листа, Беларусь Под заказ 25.27 р.
30
240-1002038
Прокладка
В узле: 1
240-1002038 Прокладка МТЗ паронит 0,5 мм, РФ >10 шт. 8.05 р.
240-1002038 Прокладка люка МТЗ (темпсил 0.5 мм), РФ <10 шт. Нет на складе
38
240-1002067-А
Втулка
В узле: 3
240-1002067-А Втулка Д243,Д245 распределительного вала, ММЗ >10 шт. 525.31 р.
240-1002067-А Втулка Д243,Д245 распределительного вала, (А) Под заказ 107.68 р.
52
50-1005019
Штифт
В узле: 2
50-1005019 Штифт МТЗ, Д-243, Д-245 установочный блока цилиндров, ММЗ >10 шт. 131.20 р.
32
240-1002046
Штифт
В узле: 2
240-1002046 Штифт МТЗ направляющий головки блока цилиндров, ММЗ >10 шт. 103.85 р.
59
50-1022067
Кольцо уплотнительное
В узле: 3
50-1022067 Кольцо уплотнительное МТЗ форсунки Евро-2,-3, ММЗ >10 шт. 41.02 р.
60
50-1401067
Шайба
В узле: 1
50-1401067 Шайба МТЗ болта масляного картера , ММЗ >10 шт. 35.53 р.
43
240-1002328
Заглушка
В узле: 2
240-1002328 Заглушка МТЗ <10 шт. 103.85 р.
50
50-1002326-В
Заглушка
В узле: 2
50-1002326-В Заглушка Под заказ 57.41 р.
39
240-1002068-А
Втулка
В узле: 1
240-1002068-А Втулка МТЗ, ЗИЛ, Д-240, Д-245 распредвала задняя, ММЗ Под заказ 521.62 р.
240-1002068-А Втулка МТЗ, ЗИЛ, Д-240, Д-245 распредвала задняя, (А) Под заказ 105.96 р.
40
240-1002069-А
Втулка
В узле: 1
240-1002069-А Втулка МТЗ распредвала передняя, алюминиевая, (У) <10 шт. 524.59 р.
240-1002069-А Втулка МТЗ распредвала передняя, алюминиевая <10 шт. 635 р.
58
50-1021012
Прокладка
В узле: 1
50-1021012 Прокладка МТЗ маслозаливной горловины (темпсил), РФ >10 шт. Нет на складе
48
50-1002290-Б-03
Крышка маслозаливной горловины
В узле: 1
50-1002290-Б-03 Крышка маслозаливной горловины ЗИЛ, ММЗ >10 шт. 414.03 р.
9
245-1002051-Б1
Трубка
В узле: 4
245-1002051-Б1 Трубка МТЗ, ЗИЛ, Д-245, Д-260 смазки поршня, ММЗ <10 шт. 230.01 р.
29
240-1002033
Прокладка
В узле: 1
240-1002033 Прокладка МТЗ (паронит 0,5 мм), РФ Под заказ 36.83 р.
240-1002033 Прокладка МТЗ щита подвески, (темпсил 0,5мм), РФ <10 шт. Нет на складе
44
240-1002444-А1
Прокладка
В узле: 1
240-1002444-А1 Прокладка сапуна МТЗ, Беларусь >10 шт. 5.55 р.
28
240-1002030
Щит
В узле: 1
240-1002030 Щит Д243,Д245 распределения двигателя передний, ММЗ <10 шт. 2 956.49 р.
25
240-1001015-А1
Опора
В узле: 1
240-1001015-А1 Опора Д243, Д245 передняя двигателя Под заказ 1 704.28 р.
13
245-1002315
Указатель уровня масла
В узле: 1
245-1002315 Указатель Д-245 уровня масла, ММЗ <10 шт. 431 р.
35
240-1002062
Крышка
В узле: 1
240-1002062 Крышка МТЗ,ММЗ люка крышки распределительных шестерен, ММЗ Под заказ 128.32 р.
10
245-1002085-Б1
Горловина маслозаливная
В узле: 1
245-1002085-Б1 Горловина Д-245 маслозаливная, ММЗ <10 шт. 3 284.59 р.
49
50-1002318-Б
Рым
В узле: 2
50-1002318-Б Рым-болт Под заказ 493.93 р.
46
50-1002034
Штифт установочный
В узле: 2
50-1002034 Штифт МТЗ (d=12мм, l=30мм), ММЗ Под заказ 109.36 р.
47
50-1002042-В
Опора картера
В узле: 1
50-1002042-В Опора МТЗ двигателя Под заказ 1 392.79 р.
57
50-1005161
Шайба
В узле: 10
50-1005161 Шайба МТЗ Под заказ 43.75 р.
31
240-1002044
Штифт
В узле: 4
240-1002044 Штифт МТЗ,ММЗ крышки распределения блока цилиндров, ММЗ Под заказ 71.03 р.
240-1002060-А-03
Крышка распределения
В узле: 1
245-1002009-Б
Блок цилиндров
В узле: 1
50-1002045-Б
Опора картера
В узле: 1
1
260.5-1002112
КРЫШКА
В узле: 1
2
260.5-1002112-01
Крышка
В узле: 1
3
260-1002305
Манжета 110х135-12
В узле: 1
4
245-1002021-А3
Гильза блока цилиндров
В узле: 4
4
245-1002021-А1-12
Гильза блока цилиндров
В узле: 4
5
245-1002022-А
Кольцо гильзы
В узле: 8
6
245-1002036-01
Крышка
В узле: 1
7
245-1002041
Прокладка
В узле: 2
8
245-1002042
Пробка
В узле: 1
11
245-1002087
Упор
В узле: 1
12
245-1002312-Д
Картер маховика
В узле: 1
14
245-1002322
Трубка указателя уровня масла
В узле: 1
15
245-1002323
Штуцер
В узле: 1
16
245-1002324
Гайка упорная
В узле: 1
17
245-1002327-Б
Планка
В узле: 1
18
245-1002331
Пробка
В узле: 1
19
245-1002333
Прокладка
В узле: 1
20
245-1002506
Прокладка
В узле: 1
21
245-1002650-А
Фланец подводящий
В узле: 1
22
245-1118020-А
Крышка
В узле: 1
23
245-1118052
Хомут
В узле: 1
27
240-1002015-А2-01
Блок цилиндров
В узле: 1
33
240-1002049
Прокладка
В узле: 2
34
240-1002055
Манжета
В узле: 1
36
240-1002064-А
Прокладка
В узле: 1
37
240-1002065-А-01
Крышка распределения
В узле: 1
41
240-1002082-А1
Прокладка горловины
В узле: 1
45
240-1306038-А-04
Заглушка
В узле: 1
51
50-1002327-А1
Пробка
В узле: 1
53
50-1005140-Б
Крышка коренного подшипника
В узле: 3
54
50-1005141-Б
Крышка 1-го подшипника
В узле: 1
55
50-1005152-В
Крышка 5-го подшипника
В узле: 1
56
50-1005159-Б1
Болт
В узле: 10
61
50-4609038
Кольцо уплотнительное
В узле: 1
62
130-1015370Б
Кран
В узле: 1
63
4x32
Шплинт
В узле: 1
64
М6-6gx16.88.35.019
Болт
В узле: 5
65
М8-6gx16.88.35.019
Болт
В узле: 10
66
М8-6gx20.88.35.019
Болт
В узле: 7
67
М8-6gx25.88.35.019
Болт
В узле: 4
68
М10-6gx20.88.35.019
Болт
В узле: 4
69
М10-6gx25.88.35.019
Болт
В узле: 1
70
М10-6gx30.88.35.019
Болт
В узле: 1
71
М10-6gx40.88.35.016
Болт
В узле: 8
72
М10-6gx45.88.35.019
Болт
В узле: 2
73
М10-6gx60.88.35.019
Болт
В узле: 1
74
М10-6gx75.88.35.019
Болт
В узле: 2
75
М12-6gx20.88.35.019
Болт
В узле: 1
76
М12-6gx35.88.35.019
Болт
В узле: 2
77
М12-6gx45.88.35.016
Болт
В узле: 7
78
М12-6gx90.88.35.019
Болт
В узле: 1
79
М6-6Н.6.019
Гайка
В узле: 1
80
М8-6Н.6.019
Гайка
В узле: 1
81
6.65Г.06
Шайба
В узле: 5
82
8.65Г.06
Шайба
В узле: 16
83
10.65Г.06
Шайба
В узле: 11
84
12.65Г.06
Шайба
В узле: 3
85
10.ОТ.65Г.06
Шайба
В узле: 8
86
12.ОТ.65Г.06
Шайба
В узле: 7
Содержащиеся в справочниках-каталогах запасные части и детали не предлагаются к продаже, а носят исключительно информационный характер

Ваша заявка была отправлена. В ближайшее время наши специалисты с Вами свяжутся по указанному Вами телефону.

Представьтесь
Поле обязательно для заполнения
Ваш телефон
Введите правильный номер телефона
E-mail
Введите правильный e-mail
Тема
Тема
применяемость финансирование доставка цена, наличие другое сервис и гарантия
Время для звонка
08:00
08:00 09:00 10:00 11:00 12:00 13:00 14:00 15:00 16:00 17:00 18:00 19:00
19:00
08:00 09:00 10:00 11:00 12:00 13:00 14:00 15:00 16:00 17:00 18:00 19:00

Мы постараемся перезвонить в указанное время

Если вы не хотите ждать, то звоните нашим вежливым консультантам:

8 800 100-2-700
Подтвердите, что вы не робот
Подтвердите, что вы не робот
Спасибо!

Ваше сообщение успешно отправлено!

ЗакрытьПовторить попытку