Каталог запасных частей к технике: ММЗ Д-245.30Е2-471. Установка масляного фильтра

zoom-in zoom-out enlarge shrink circle-right circle-left file-text2 info cart arraw right arraw left zoom out zoom in arraw maximize arraw minimize
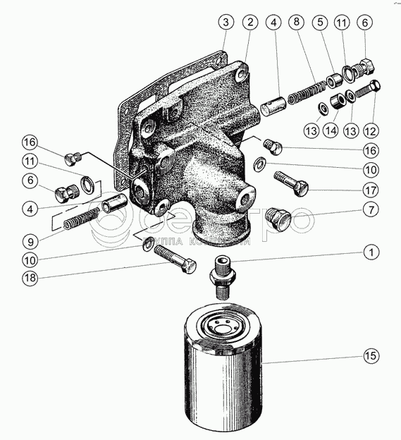
245-1017010-А
1
2
2
3
4
4
5
6
6
7
7
8
9
10
10
11
11
12
13
13
14
15
16
16
17
18
13
Д18-055-А
Кольцо уплотнительное
В узле: 2
Д18-055-А Кольцо уплотнительное МТЗ, ЗИЛ медное, d=14х19х1, ММЗ >10 шт. 54.66 р.
Д18-055-А кольцо медн.(диам. внутр. 14х19х1 мм) (А) >10 шт. 3.17 р.
12
Д18-051-А
Болт
В узле: 1
Д18-051-А (А12.01.003-03) Болт МТЗ поворотного угольника, САЗ* Под заказ 92.92 р.
15
ФМ009-1012005
Фильтр очистки масла
В узле: 1
ФМ009-1012005 (М фсм 562 Raider) Фильтр масляный Д-243/245 (FSM562 номер изменен) Под заказ 397.68 р.
ФМ009-1012005 (5101/1 DIFA) Фильтр масляный Д-243/245, ДИФА Под заказ 609.60 р.
ФМ009-1012005 Фильтр масляный Д-243/245, мтз, газ, зил, паз, SPILE Под заказ 193.80 р.
3
50-1404068
Прокладка
В узле: 1
50-1404068 Прокладка МТЗ,ЗИЛ корпуса центробежного фильтра, Беларусь <10 шт. 12.04 р.
1
245-1017012
Штуцер
В узле: 1
245-1017012 Штуцер МТЗ корпуса масляного фильтра, БЗА* >10 шт. 503.69 р.
10
36-1104788
Кольцо
В узле: 4
36-1104788 Шайба 10.0х16.0х1.5 Д-240, Д-245 уплотнительная медная, (А) Под заказ 4.48 р.
2
245-1017015
Корпус фильтра
В узле: 1
245-1017015 Корпус масляного фильтра ПАЗ, ЗИЛ, БЗА >10 шт. 4 846.68 р.
4
50-1404071-А
Клапан
В узле: 2
50-1404071-А Клапан МТЗ центробежного фильтра, БЗА* <10 шт. 254.85 р.
11
Д09-035-А
Прокладка
В узле: 2
Д09-035-А Прокладка пробки МТЗ центробежного масляного фильтра, ММЗ <10 шт. 41.02 р.
6
50-1404075
Пробка
В узле: 2
50-1404075 Пробка МТЗ редукционного клапана, ММЗ Под заказ 186.43 р.
245-1017010-А
Фильтр масляный
В узле: 1
2
245-1017022
Корпус фильтра
В узле: 1
5
50-1404072
Пробка
В узле: 1
7
50-1404077-А
Пробка
В узле: 2
7
240-1404096
Пробка
В узле: 2
8
50-1404083-А1
Пружина
В узле: 1
9
50-1404085-А1
Пружина
В узле: 1
13
А23.10.002
Кольцо
В узле: 2
14
Д16-111-А
Втулка защитная
В узле: 1
16
КГ 1/4"А12.016
Пробка
В узле: 2
17
М10-6gх30.88.35.016
Болт
В узле: 3
18
М10-6gх50.88.35.016
Болт
В узле: 1
Содержащиеся в справочниках-каталогах запасные части и детали не предлагаются к продаже, а носят исключительно информационный характер

Ваша заявка была отправлена. В ближайшее время наши специалисты с Вами свяжутся по указанному Вами телефону.

Представьтесь
Поле обязательно для заполнения
Ваш телефон
Введите правильный номер телефона
E-mail
Введите правильный e-mail
Тема
Тема
применяемость финансирование доставка цена, наличие другое сервис и гарантия
Время для звонка
08:00
08:00 09:00 10:00 11:00 12:00 13:00 14:00 15:00 16:00 17:00 18:00 19:00
19:00
08:00 09:00 10:00 11:00 12:00 13:00 14:00 15:00 16:00 17:00 18:00 19:00

Мы постараемся перезвонить в указанное время

Если вы не хотите ждать, то звоните нашим вежливым консультантам:

8 800 100-2-700
Подтвердите, что вы не робот
Подтвердите, что вы не робот
Спасибо!

Ваше сообщение успешно отправлено!

ЗакрытьПовторить попытку