Каталог запасных частей к технике: ММЗ Д-245.7E2. Головка цилиндров

zoom-in zoom-out enlarge shrink circle-right circle-left file-text2 info cart arraw right arraw left zoom out zoom in arraw maximize arraw minimize
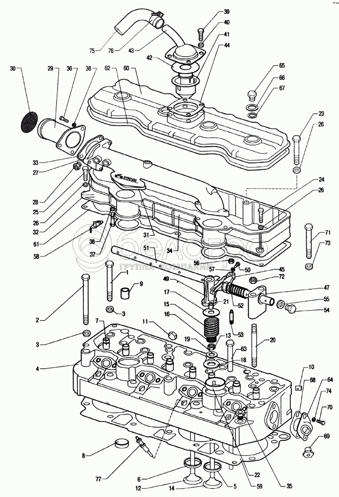
245-1003011-Б1
245-1003013-Б1
1
2
3
3
4
4
5
6
7
8
9
10
11
12
12
12
13
14
14
14
15
15
15
15
16
16
16
17
18
19
20
21
21
22
23
23
24
25
26
26
26
27
28
29
30
31
32
33
34
35
36
37
38
38
39
40
41
42
43
44
45
45
47
49
50
51
52
52
52
53
54
55
56
57
58
59
60
61
62
63
63
64
65
66
67
68
69
70
71
72
73
74
75
76
77
77
68
50-1015598
Прокладка
В узле: 1
50-1015598 Прокладка МТЗ, ЗИЛ патрубка головки блока, Беларусь >10 шт. 5.55 р.
45
50-1007212-А4
Коромысло клапана со втулками
В узле: 8
50-1007212-А4 Коромысло клапана МТЗ, ЗИЛ в сборе с втулкой, БЗА >10 шт. 758.88 р.
50-1007212-А4 Коромысло МТЗ, ЗИЛ клапана в сборе со втулкой, (А) >10 шт. 156.73 р.
21
50-1007053-А2
Сухарь клапана
В узле: 16
50-1007053-А2 Сухарь МТЗ >10 шт. 71.03 р.
50-1007053-А2 Сухарь (А) >10 шт. 18.29 р.
7
245-1007032
Втулка клапана направляющая
В узле: 8
245-1007032 Втулка клапана МТЗ-82, Д243,ЗИЛ-5301 направляющая, ММЗ* >10 шт. 397.09 р.
245-1007032 Втулка клапана МТЗ-82, Д243,ЗИЛ-5301 направляющая, РБ Под заказ Нет на складе
3
48-1002318
Шайба
В узле: 16
48-1002318 Шайба МТЗ головки блока, ММЗ >10 шт. 43.75 р.
67
50-1003107-А
Кольцо
В узле: 4
50-1003107-А Кольцо уплотнительное МТЗ гайки клапанной крышки, (А) Под заказ 3.21 р.
50-1003107-А Кольцо уплотнительное МТЗ гайки крышки клапанной, Беларусь Под заказ 17.91 р.
1
240-1002047
Болт
В узле: 12
240-1002047 Болт головки МТЗ, Д243, Д245 длинный, ММЗ <10 шт. 302.66 р.
240-1002047 Болт головки МТЗ, Д243, Д245 длинный, (А) Под заказ 50.56 р.
2
240-1002047-01
Болт
В узле: 4
240-1002047-01 Болт головки МТЗ, Д243, Д245 коротокий, ММЗ Под заказ 261.47 р.
240-1002047-01 Болт головки МТЗ, Д243, Д245 коротокий, (А) Под заказ 42.87 р.
62
240-1003109
Прокладка колпака
В узле: 1
240-1003109 прокладка клапан. крышки (пробка 2,0 мм) Под заказ Нет на складе
240-1003109 Прокладка крышки ГБЦ МТЗ верхняя (резино-пробка), РФ >10 шт. 103.33 р.
240-1003109 Прокладка крышки ГБЦ МТЗ верхняя (паронит 1,5 мм), РФ Под заказ 97.04 р.
63
240-1007310-Б1
Штанга
В узле: 8
240-1007310-Б1 Штанга ЗИЛ, МТЗ толкателя, БЗА >10 шт. 360.11 р.
61
240-1003108
Прокладка крышки
В узле: 1
240-1003108 прокладка крышки (пробка 2,0 мм) <10 шт. Нет на складе
240-1003108 Прокладка крышки ГБЦ МТЗ нижняя (резино-пробка), РФ Под заказ Нет на складе
240-1003108 Прокладка крышки ГБЦ МТЗ нижняя (паронит 1,5 мм), РФ <10 шт. 97.04 р.
19
240-1007055
Шайба пружины клапана верхняя
В узле: 8
240-1007055 Шайба Д245 пружины клапана верхняя, ММЗ >10 шт. 54.66 р.
66
50-1003106
Шайба
В узле: 4
50-1003106 Шайба МТЗ, Д-243, Д-245, Д-260 крепления колпака, ММЗ >10 шт. 54.66 р.
64
70-8115022-А
Патрубок
В узле: 1
70-8115022-А Патрубок МТЗ головки цилиндров, ММЗ* >10 шт. 391.51 р.
70-8115022-А Патрубок МТЗ головки цилиндров, (У) Под заказ 229.49 р.
31
240-1003031
Прокладка
В узле: 2
240-1003031 Прокладка коллектора впускного МТЗ, Беларусь >10 шт. 5.55 р.
53
50-1007175-Б1
Винт регулировочный
В узле: 1
50-1007175-Б1 Винт МТЗ регулировочный рычага(коромысла) клапана, ММЗ >10 шт. 131.20 р.
17
240-1007048
Тарелка пружин клапана
В узле: 8
240-1007048 Тарелка Д243,Д245,Д260 пружин клапана головки блока, ММЗ >10 шт. 283.27 р.
51
50-1007102-А1
Ось коромысел
В узле: 1
50-1007102-А1 Ось МТЗ коромысла, ММЗ >10 шт. 1 682.82 р.
50-1007102-А1 Ось МТЗ коромысла, (А) <10 шт. 294.96 р.
9
240-1003029
Втулка
В узле: 6
240-1003029 Втулка МТЗ головки блока цилиндров, ММЗ >10 шт. 120.27 р.
10
240-1003037
Заглушка
В узле: 1
240-1003037 Заглушка МТЗ, ММЗ <10 шт. 90.23 р.
65
50-1003104-А
Гайка колпака
В узле: 4
50-1003104-А Гайка МТЗ, ЗИЛ-5301 колпака головки блока, ММЗ Под заказ 205.84 р.
32
240-1003032-А
Крышка головки цилиндров
В узле: 1
240-1003032-А Крышка головки старого образца, до августа 2011 года, ММЗ >10 шт. 3 994.68 р.
240-1003032-А Крышка головки старого образца, до августа 2011 года, (А) Под заказ 2 504.10 р.
44
240-1002444-А1
Прокладка
В узле: 1
240-1002444-А1 Прокладка сапуна МТЗ, Беларусь >10 шт. 5.55 р.
46
240-1007151-Б
Стойка оси коромысел крайняя
В узле: 1
240-1007151-Б Стойка Д243,Д245,Д260 оси коромысел, передняя ММЗ <10 шт. 717.79 р.
48
240-1007152-Б
Стойка оси коромысел средняя
В узле: 1
240-1007152-Б Стойка Д243,Д245,Д260 оси коромысел, средняя, ММЗ <10 шт. 521.46 р.
33
240-1003264-А
Прокладка
В узле: 1
240-1003264-А Прокладка МТЗ паронит 0,5 мм, РФ Под заказ 8.09 р.
240-1003264-А Прокладка МТЗ темсил, РФ <10 шт. 7.31 р.
41
245-1014440
Стакан
В узле: 1
245-1014440 Стакан МТЗ, Д-245, Д-260, ЗИЛ, ПАЗ крышки головки блока цилиндров, с трубкой, ММЗ <10 шт. 512.40 р.
49
240-1007152-Б-01
Стойка оси коромысел средняя
В узле: 1
240-1007152-Б-01 Стойка Д243,Д245,Д260 оси коромысел, средняя, ММЗ Под заказ 568.57 р.
60
245-1003122
Колпак крышки
В узле: 1
245-1003122 Колпак МТЗ, ЗИЛ, ПАЗ крышки головки блока цилиндров, ММЗ Под заказ 5 745.31 р.
245-1003010-Б1
Установка головки цилиндров и впускного тракта
В узле: 1
245.1003010-Б1-21
Установка головки цилиндров и впускного тракта
В узле: 1
245-1003010-Б1-22
Установка головки цилиндров и впускного тракта
В узле: 1
245-1003011-Б1
Головка цилиндров
В узле: 1
245-1003013-Б1
Головка цилиндров
В узле: 1
245-1003030-Г1
Крышка головки цилиндров
В узле: 1
245-1014450-02
Установка сапуна
В узле: 1
240-1007100-61
Механизм коромысел
В узле: 1
245-10144770
Установка трубы сапуна
В узле: 2
245-3707030-01
Установка свечи накаливания
В узле: 1
4
245-1003015-Б1
Головка цилиндров
В узле: 1
4
245-1003015-Б1-01
Головка цилиндров
В узле: 1
5
245-1003018-Б1
Седло клапана впускного
В узле: 4
6
245-1003019-Б1
Седло клапана выпускного
В узле: 4
8
240-1003027
Заглушка
В узле: 5
11
Д02-003-А
Заглушка
В узле: 4
12
240-1007015-Б6
Клапан выпускной
В узле: 4
12
240-1007015-Б7
Клапан выпускной
В узле: 4
12
240-1007015-Б9
Клапан выпускной
В узле: 4
13
240-1007020-Б
Манжета уплотнительная клапана
В узле: 8
14
245-1007014
Клапан впускной
В узле: 4
14
260-1007014
Клапан впускной
В узле: 4
14
260-1007014-А
Клапан впускной
В узле: 4
15
240-1007045-А2
Пружина клапана наружная
В узле: 8
15
240-1007045-А3
Пружина клапана наружная
В узле: 8
15
240-1007045-А4
Пружина клапана наружная
В узле: 8
15
240-1007045-А5
Пружина клапана наружная
В узле: 8
16
240-1007046-А1
Пружина клапана внутренняя
В узле: 8
16
240-1007046-А4
Пружина клапана внутренняя
В узле: 8
16
240-1007046-А3
Пружина клапана внутренняя
В узле: 8
18
240-1007054
Шайба пружины клапана нижняя
В узле: 8
20
50-1003112
Шпилька стойки
В узле: 4
21
50-1007053-А1
Сухарь клапана
В узле: 16
22
50-1003103-А
Стакан
В узле: 2
23
240-1022070-03
Болт
В узле: 1
23
M8-6gx80.88.35.016
Болт
В узле: 1
36
M8-6gx30.88.35.016
Болт
В узле: 3
37
M8-6gx35.88.35.016
Болт
В узле: 4
74
8.65Г.06
Шайба
В узле: 2
27
245-1003033-П
Коллектор впускной
В узле: 1
28
245-1003037
Футорка
В узле: 2
29
245-1003270-Б
Труба воздухоподводящая
В узле: 1
30
240-1003028-А
Заглушка
В узле: 1
34
2.5x10
Штифт
В узле: 2
35
КГ1/8. А12.016
Пробка
В узле: 1
39
M8-6gx16.88.35.016
Болт
В узле: 4
42
245-1014445
Маслоотражатель
В узле: 1
43
240-1002430-В
Корпус сапуна
В узле: 1
45
50-1007212-А3
Коромысло клапана со втулками
В узле: 8
47
240-1007151-Б-01
Стойка оси коромысел крайняя
В узле: 1
50
240-1007185
Фиксатор оси коромысел
В узле: 1
52
50-1007103-А
Пружина оси коромысел
В узле: 3
52
50-1007103-А1
Пружина оси коромысел
В узле: 3
52
50-1007103-А2
Пружина оси коромысел
В узле: 3
54
50-1007182
Пробка оси коромысел
В узле: 2
55
50-1007183
Шайба пробки
В узле: 2
56
Д 02-063
Гайка
В узле: 8
57
10.65Г.06
Шайба
В узле: 1
58
240-1111125-А1
Кронштейн
В узле: 2
59
50-1003070-А
Прокладка головки цилиндров
В узле: 1
63
240-1007310-Б
Штанга
В узле: 8
69
КГ3/8хА12.016
Пробка
В узле: 1
70
M8-6gx20.88.35.016
Болт
В узле: 2
71
M12-6gx85.88.35.016
Болт
В узле: 2
72
М12-6Н.6
Гайка
В узле: 4
73
12.01.08кп
Шайба
В узле: 2
75
20x29-1,6
Рукав (L=900 мм)
В узле: 1
76
20-32 NORMA-TORRO
Хомут
В узле: 1
77
11 720 720
Свеча накаливания
В узле: 4
77
СН-07-23
Свеча накаливания АЕТ Тolmin (Словения) или свеча накаливания ФГУП УАПО г. Уфа
В узле: 4
Содержащиеся в справочниках-каталогах запасные части и детали не предлагаются к продаже, а носят исключительно информационный характер

Ваша заявка была отправлена. В ближайшее время наши специалисты с Вами свяжутся по указанному Вами телефону.

Представьтесь
Поле обязательно для заполнения
Ваш телефон
Введите правильный номер телефона
E-mail
Введите правильный e-mail
Тема
Тема
применяемость финансирование доставка цена, наличие другое сервис и гарантия
Время для звонка
08:00
08:00 09:00 10:00 11:00 12:00 13:00 14:00 15:00 16:00 17:00 18:00 19:00
19:00
08:00 09:00 10:00 11:00 12:00 13:00 14:00 15:00 16:00 17:00 18:00 19:00

Мы постараемся перезвонить в указанное время

Если вы не хотите ждать, то звоните нашим вежливым консультантам:

8 800 100-2-700
Подтвердите, что вы не робот
Подтвердите, что вы не робот
Спасибо!

Ваше сообщение успешно отправлено!

ЗакрытьПовторить попытку