Каталог запасных частей к технике: ММЗ Д-245.9. Топливные трубопроводы и установка топливной аппаратуры

zoom-in zoom-out enlarge shrink circle-right circle-left file-text2 info cart arraw right arraw left zoom out zoom in arraw maximize arraw minimize
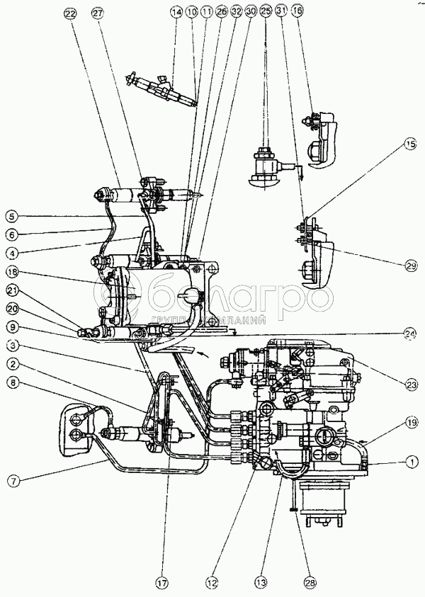
1
2
3
4
5
6
7
8
9
10
11
12
13
14
15
16
17
18
19
20
21
22
23
24
25
26
27
28
29
30
31
32
10
245-1111020
Прокладка-экран
В узле: 4
245-1111020 Прокладка-экран форсунки МТЗ, ЗИЛ кольцо уплотнительное, (У) >10 шт. 49.56 р.
18
240-1117010-А
Фильтр топливный тонкой очистки
В узле: 1
240-1117010-А Фильтр МТЗ топливный тонкой очистки в сборе, ММЗ Под заказ 4 579.50 р.
240-1117010-А Фильтр МТЗ топливный тонкой очистки в сборе, SPILE >10 шт. 946.31 р.
20
36-1104787
Болт штуцера
В узле: 7
36-1104787 Болт МТЗ М10х1.0х22 обратки форсунки, САЗ* >10 шт. 55.36 р.
36-1104787 Болт МТЗ М10х1.0х22 обратки форсунки, (А) Под заказ 5.43 р.
19
240-3509150
Маслопровод
В узле: 1
240-3509150 Маслопровод МТЗ, ЗИЛ компрессора, L=352 мм, ММЗ* Под заказ 720.69 р.
240-3509150 Маслопровод МТЗ, ЗИЛ компрессора, L=352 мм, (А) Под заказ 55.39 р.
1
260-3509232-01
Штуцер
В узле: 1
260-3509232-01 Штуцер (L=39мм), ММЗ <10 шт. 295.37 р.
3
245-1104300-В-01
Трубка
В узле: 1
245-1104300-В-01 Трубка топливная ЗиЛ высокого давления 2-ого цилиндра (топливопровод), ММЗ <10 шт. 1 181.50 р.
8
245-1104350-В
Трубка перепускная
В узле: 1
245-1104350-В Трубка перепускная Валдай, ЗиЛ передняя, ММЗ* <10 шт. 613.81 р.
245-1104350-В Трубка передняя. Под заказ 278.01 р.
6
245-1104320-А2
Топливопровод дренажный
В узле: 1
245-1104320-А2 Трубка топливная ЗиЛ дренажная форсунок (топливопровод), ММЗ Под заказ 750.53 р.
4
245-1104300-В-02
Трубка
В узле: 1
245-1104300-В-02 Трубка топливная ЗиЛ высокого давления 3-ого цилиндра (топливопровод), ММЗ <10 шт. 1 181.50 р.
2
245-1104300-В
Трубка
В узле: 1
245-1104300-В Тубка топливная МТЗ высокого давления 1-ого цилиндра (топливопровод), ММЗ Под заказ 1 172.29 р.
5
245-1104300-В-03
Трубка
В узле: 1
245-1104300-В-03 Трубка топливная ЗиЛ высокого давления ТНВД (топливопровод), ММЗ Под заказ 1 181.50 р.
9
245-1104360-Д
Трубка перепускная
В узле: 1
245-1104360-Д Трубка передняя. Под заказ 278.01 р.
7
245-1104330-В
Трубка пневмокорректора
В узле: 1
11
245-1117060-А
Кронштейн
В узле: 1
12
240-1104170
Трубка топливная низкого давления
В узле: 1
13
240-1104170-02
Трубка топливная низкого давления
В узле: 1
14
240-1111036-Б
Кольцо защитное
В узле: 4
15
240-1111106
Колодка
В узле: 1
16
240-1111114
Колодка
В узле: 2
17
240-1111130
Колодка
В узле: 2
21
36-1104788-01
Прокладка
В узле: 19
22
17.1120010-10
Форсунка
В узле: 4
23
РР4М10Р1f3451
Насос топливный
В узле: 1
24
Д-18-052
Штуцер
В узле: 1
25
Д18-055-А-01
Кольцо уплотнительное
В узле: 2
26
М10-6gх30.88.35.019
Болт
В узле: 3
27
М10-6gх35.88.35.019
Болт
В узле: 10
28
М10-6gх120.88.35.019
Болт
В узле: 2
29
М6-6Н.6.019
Гайка
В узле: 4
30
М10-6Н.6.019
Гайка
В узле: 3
31
6.65Г.06
Шайба
В узле: 4
32
10.65Г.06
Шайба
В узле: 10
Содержащиеся в справочниках-каталогах запасные части и детали не предлагаются к продаже, а носят исключительно информационный характер

Ваша заявка была отправлена. В ближайшее время наши специалисты с Вами свяжутся по указанному Вами телефону.

Представьтесь
Поле обязательно для заполнения
Ваш телефон
Введите правильный номер телефона
E-mail
Введите правильный e-mail
Тема
Тема
применяемость финансирование доставка цена, наличие другое сервис и гарантия
Время для звонка
08:00
08:00 09:00 10:00 11:00 12:00 13:00 14:00 15:00 16:00 17:00 18:00 19:00
19:00
08:00 09:00 10:00 11:00 12:00 13:00 14:00 15:00 16:00 17:00 18:00 19:00

Мы постараемся перезвонить в указанное время

Если вы не хотите ждать, то звоните нашим вежливым консультантам:

8 800 100-2-700
Подтвердите, что вы не робот
Подтвердите, что вы не робот
Спасибо!

Ваше сообщение успешно отправлено!

ЗакрытьПовторить попытку