Каталог запасных частей к технике: ММЗ Д-245S2. Подгруппа 3708. Стартер AZJ

zoom-in zoom-out enlarge shrink circle-right circle-left file-text2 info cart arraw right arraw left zoom out zoom in arraw maximize arraw minimize
15.200.243
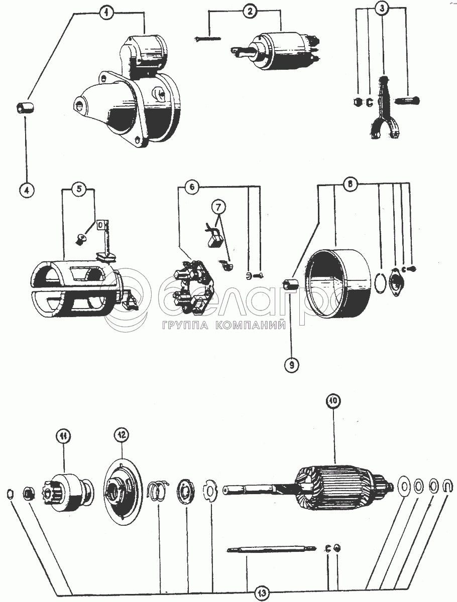
1
2
3
4
5
5
6
6
7
7
8
9
10
10
11
12
13
11.131.104
AZJ 3381 24B
В узле: ---
11.131.006
AZJ 3353 24B
В узле: ---
15.200.243
Пружина
В узле: 4
1
16.281.793
Передняя крышка
В узле: 1
2
16.670.263
Реле
В узле: 1
3
16.901.700
Рычаг
В узле: 1
4
15.120.243
Втулка подшипника
В узле: 1
5
16.500.745
Обмотка
В узле: 1
5
16.500.773
Обмотка
В узле: 1
6
16.903.773
Щёткодержатель
В узле: 1
6
16.901.626
Щёткодержатель
В узле: 1
7
16.770.119
Щётка
В узле: 4
7
16.770.121
Щётка
В узле: 4
8
16.283.449
Крышка задняя
В узле: 1
9
15.120.155
Втулка подшипника
В узле: 1
10
16.360.703
Ротор
В узле: 1
10
16.361.820
Ротор
В узле: 1
11
16.903.550
Бендикс
В узле: 1
12
16.281.299
Средняя крышка
В узле: 1
13
Крепёжные детали
Крепёжные детали
В узле: ---
Содержащиеся в справочниках-каталогах запасные части и детали не предлагаются к продаже, а носят исключительно информационный характер

Ваша заявка была отправлена. В ближайшее время наши специалисты с Вами свяжутся по указанному Вами телефону.

Представьтесь
Поле обязательно для заполнения
Ваш телефон
Введите правильный номер телефона
E-mail
Введите правильный e-mail
Тема
Тема
применяемость финансирование доставка цена, наличие другое сервис и гарантия
Время для звонка
08:00
08:00 09:00 10:00 11:00 12:00 13:00 14:00 15:00 16:00 17:00 18:00 19:00
19:00
08:00 09:00 10:00 11:00 12:00 13:00 14:00 15:00 16:00 17:00 18:00 19:00

Мы постараемся перезвонить в указанное время

Если вы не хотите ждать, то звоните нашим вежливым консультантам:

8 800 100-2-700
Подтвердите, что вы не робот
Подтвердите, что вы не робот
Спасибо!

Ваше сообщение успешно отправлено!

ЗакрытьПовторить попытку