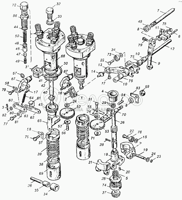
Каталог запасных частей к технике: ММЗ Д-260.1. Регулятор топливного насоса

zoom-in zoom-out enlarge shrink circle-right circle-left file-text2 info cart arraw right arraw left zoom out zoom in arraw maximize arraw minimize
1
2
3
4
5
6
7
8
8
9
10
10
11
12
13
14
15
16
17
18
19
20
21
22
22
23
24
24
24
24
25
26
27
28
29
29
30
31
32
33
34
35
36
37
38
39
40
41
42
43
44
45
46
47
48
49
50
51
52
53
53
54
55
56
57
58
58
59
60
61
62
63
64
65
66
67
67
68
69
70
71
72
73
74
75
75
76
77
77
78
79
79
79
80
81
82
83
1
21.1110031-10
Тяга
В узле: 1
2
21.1110032
Шайба стопорная
В узле: 1
3
21.1110039-10
Замок
В узле: 2
4
21.1110044
Муфта регулятора
В узле: 1
5
21.1110052
Пружина демпферная
В узле: 1
6
21.1110103-10
Ось
В узле: 1
7
21.1110181
Ось рычага управления
В узле: 1
8
21.1110183-01
Кольцо уплотнительное
В узле: 2
9
21.1110184-10
Рычаг управления
В узле: 1
10
21.1110187
Втулка распорная
В узле: 2
11
21.1110192
Втулка рычажная
В узле: 1
12
21.1110193
Ось основного рычага
В узле: 1
13
21.1110194-20
Рычаг основной
В узле: 1
14
21.1110196-20
Палец эксцентриковый
В узле: 1
15
21.1110197
Шайба
В узле: 2
16
21.1110212-10
Ось тяги
В узле: 1
17
21.1110213
Штифт пружины запуска
В узле: 1
18
21.1110304
Ступица регулятора
В узле: 1
19
21.1110306
Ось груза регулятора
В узле: 2
20
21.1110308
Штифт
В узле: 1
21
21.1110324
Груз регулятора
В узле: 2
22
21.1110326
Ось ролика груза
В узле: 4
23
21.1110327
Замок
В узле: 4
24
21.1110328
Шайба груза
В узле: 10
25
21.1110351
Шайба блокировки вала регулятора
В узле: 1
26
21.1110364
Вал регулятора
В узле: 1
27
21.1110366
Шестерня ведомая
В узле: 1
28
21.1110367
Штифт
В узле: 1
29
21.1110515
Прокладка регулировочная
В узле: ---
29
21.1110515-01
Прокладка регулировочная
В узле: ---
30
21.1111032
Кольцо уплотнительное
В узле: 2
31
21.1111035
Чека монтажная
В узле: 2
32
21.1111036-20
Пробка
В узле: 2
33
21.1111037-10
Прокладка
В узле: 2
34
21.1111118
Ролик толкателя
В узле: 2
35
21.1111118-01
Ролик толкателя
В узле: 2
36
21.1111124
Ось ролика толкателя
В узле: 2
37
21.1111134-10
Тарелка пружины верхняя
В узле: 2
38
21.1111136
Тарелка пружины нижняя
В узле: 2
39
21.1111138-10
Пружина толкателя
В узле: 2
40
21.1111154-01
Плунжер
В узле: 2
41
21.1111155-10
Дозатор
В узле: 2
42
21.1111156
Кольцо уплотнительное
В узле: 2
43
21.1111174-10
Втулка зубчатая
В узле: 2
44
21.1111211-01
Прокладка
В узле: 12
45
21.1111212
Прокладка
В узле: 1
46
21.1111224-01
Клапан нагнетательный
В узле: 6
47
21.1111225-05
Клапан обратный
В узле: 6
48
21.1111226-10
Седло нагнетательного клапана
В узле: 6
49
21.1111227
Пружина обратного клапана
В узле: 6
50
21.1111228
Пружина нагнетательного клапана
В узле: 6
51
21.1111242-06
Ось промежуточной шестерни
В узле: 1
52
21.1111243-05А
Шайба опорная
В узле: 1
53
21.1111244А
Шестерня промежуточная
В узле: 2
54
21.1111245
Штифт
В узле: 2
55
21.1111247
Шайба стопорная
В узле: 1
56
21.1111256-10
Штуцер высокого давления
В узле: 6
57
21.1111282
Кольцо уплотнительное
В узле: 2
58
21.1111285
Шайба стопорная
В узле: 3
59
21.1111389
Гайка
В узле: 1
60
22.1110032
Шайба
В узле: 2
61
22.1110033
Скоба
В узле: 1
62
22.1110034
Тяга
В узле: 1
63
22.1110036
Тяга
В узле: 1
64
22.1110211
Пружина запуска
В узле: 1
65
22.1111241
Кронштейн промежуточной шестерни
В узле: 1
66
22.1111242
Ось промежуточной шестерни
В узле: 1
67
22.1111280-10
Втулка привода дозатора
В узле: 2
68
26.1111158
Втулка плунжера
В узле: 2
69
49.1111114
Толкатель плунжера
В узле: 2
70
54.1111241
Кронштейн промежуточной шестерни
В узле: 1
71
54.1111243
Шайба опорная
В узле: 1
72
11.1112228
Колпачок штуцера
В узле: 6
73
6-25
Подшипник
В узле: 2
74
201
Подшипник
В узле: 1
75
942/8
Подшипник
В узле: 2
76
1000095
Подшипник
В узле: 2
77
М5х12.88.05
Болт
В узле: 2
78
М6х12.88.05
Болт
В узле: 1
79
М6х14.88.05
Болт
В узле: 4
80
5.65Г.05
Шайба
В узле: 1
81
5.01.05
Шайба
В узле: 1
82
5.04.05
Шайба
В узле: 2
83
8.01.016
Шайба
В узле: 1
Содержащиеся в справочниках-каталогах запасные части и детали не предлагаются к продаже, а носят исключительно информационный характер

Ваша заявка была отправлена. В ближайшее время наши специалисты с Вами свяжутся по указанному Вами телефону.

Представьтесь
Поле обязательно для заполнения
Ваш телефон
Введите правильный номер телефона
E-mail
Введите правильный e-mail
Тема
Тема
применяемость финансирование доставка цена, наличие другое сервис и гарантия
Время для звонка
08:00
08:00 09:00 10:00 11:00 12:00 13:00 14:00 15:00 16:00 17:00 18:00 19:00
19:00
08:00 09:00 10:00 11:00 12:00 13:00 14:00 15:00 16:00 17:00 18:00 19:00

Мы постараемся перезвонить в указанное время

Если вы не хотите ждать, то звоните нашим вежливым консультантам:

8 800 100-2-700
Подтвердите, что вы не робот
Подтвердите, что вы не робот
Спасибо!

Ваше сообщение успешно отправлено!

ЗакрытьПовторить попытку