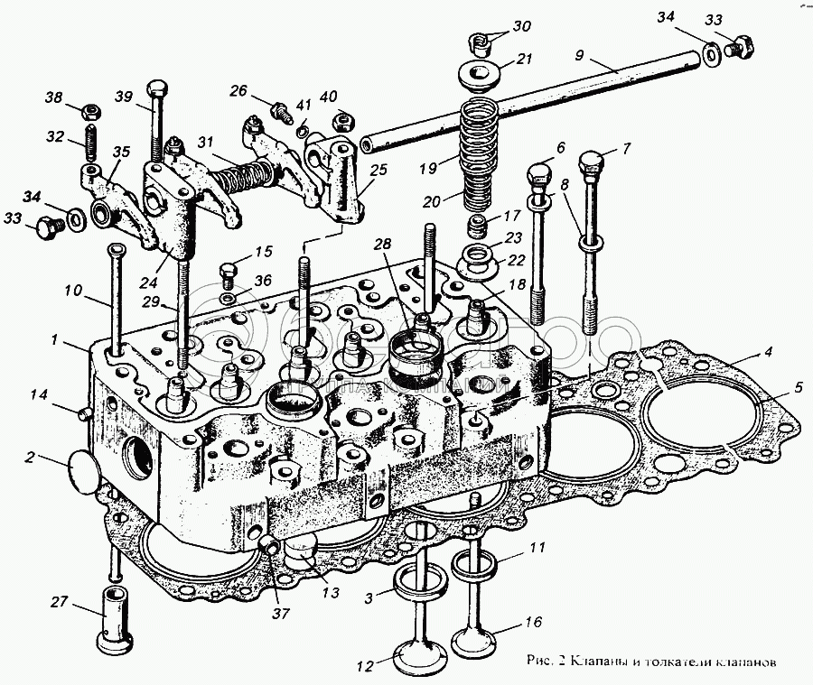
Каталог запасных частей к технике: ММЗ Д-265. Клапаны и толкатели клапанов

zoom-in zoom-out enlarge shrink circle-right circle-left file-text2 info cart arraw right arraw left zoom out zoom in arraw maximize arraw minimize
1
2
3
4
5
6
7
8
9
10
11
12
13
14
15
16
17
18
19
20
21
22
23
24
25
26
27
28
29
30
31
32
33
34
35
36
37
38
39
40
41
4
260-1003025
Прокладка головок
В узле: 1
260-1003025 прокладка ГБЦ Д-260 (из 2-х штук) >10 шт. 461.82 р.
260-1003025 Прокладка Д-260 головки блока цельная на 6 цил. (с герметиком), РФ <10 шт. 587.04 р.
260-1003025 прокладка ГБЦ Д-260 цельная Под заказ 461.82 р.
260-1003025 Прокладка Д-260 головки блока цельная на 6 цил. (с герметиком), (А) >10 шт. 226.92 р.
17
240-1007020
Манжета уплотнительная клапана
В узле: 12
240-1007020 Манжета уплотнительного клапана, ММЗ Под заказ 74.71 р.
240-1007020 Колпачок МТЗ маслосъёмный, (А) Под заказ 5.12 р.
23
240-1007055
Шайба пружины клапана верхняя
В узле: 12
240-1007055 Шайба Д245 пружины клапана верхняя, ММЗ >10 шт. 54.66 р.
21
240-1007048
Тарелка пружин клапана
В узле: 12
240-1007048 Тарелка Д243,Д245,Д260 пружин клапана головки блока, ММЗ >10 шт. 283.27 р.
14
240-1003037
Заглушка
В узле: 4
240-1003037 Заглушка МТЗ, ММЗ <10 шт. 90.23 р.
2
260-1003016
Заглушка
В узле: 4
260-1003016 Заглушка Д-260, ММЗ Под заказ 101.14 р.
32
50-1007175-Б1
Винт регулировочный
В узле: 12
50-1007175-Б1 Винт МТЗ регулировочный рычага(коромысла) клапана, ММЗ Под заказ 131.20 р.
36
36-1104788
Кольцо
В узле: 4
36-1104788 Шайба 10.0х16.0х1.5 Д-240, Д-245 уплотнительная медная, (А) Под заказ 4.48 р.
7
260-1003124-01
Болт
В узле: 8
260-1003124-01 Болт Д-260 головки блока, ММЗ Под заказ 513.29 р.
15
240-1003281
Пробка
В узле: 4
240-1003281 Пробка головки блока цилиндров дв. 242, 243, 245, 260, 265, ММЗ <10 шт. 112.11 р.
25
240-1007152-Б-01
Стойка оси коромысел средняя
В узле: 2
240-1007152-Б-01 Стойка Д243,Д245,Д260 оси коромысел, средняя, ММЗ Под заказ 568.57 р.
260-1003013
Головка цилиндров
В узле: 2
260-10003012
Головка цилиндров
В узле: 2
260-1003075
Прокладка головок
В узле: 1
1
260-1003015
Головка цилиндров
В узле: 2
3
260-1003018
Седло клапана впускного
В узле: 6
5
260-1003031
Кольцо
В узле: 6
6
260-1003124
Болт
В узле: 18
8
260-1005123
Шайба
В узле: 26
9
260-1007102
Ось коромысел
В узле: 2
10
260-1007310
Штанга
В узле: 12
11
245-1003019
Седло клапана выпускного
В узле: 6
12
245-1007014
Клапан впускной
В узле: 6
13
240-1003027
Заглушка
В узле: 4
16
240-1007015-Б6
Клапан выпускной
В узле: 6
18
240-1007032-Б
Втулка направляющая клапана
В узле: 12
19
240-1007045-А1
Пружина клапана наружная
В узле: 12
20
240-1007046-А1
Пружина клапана внутренняя
В узле: 12
22
240-1007054
Шайба пружины клапана нижняя
В узле: 12
24
240-1007151-Б-01
Стойка оси коромысел крайняя
В узле: 4
26
240-1007185
Фиксатор оси коромысел
В узле: 2
27
240-1007375-А
Толкатель клапана
В узле: 12
28
50-1003103-А
Стакан
В узле: 4
29
50-1003112
Шпилька стойки
В узле: 6
30
50-1007053-А1
Сухарь клапана
В узле: 24
31
50-1007103-А
Пружина оси коромысел
В узле: 4
33
50-1007182
Пробка оси коромысел
В узле: 4
34
50-1107183
Шайба пробки
В узле: 4
35
50-1007212-А3
Коромысло клапана со втулками
В узле: 12
37
ДО2-003-А
Заглушка
В узле: 6
38
ДО2-063
Гайка
В узле: 12
39
М12-6gХ85.88.35.019
Болт
В узле: 4
40
М12-6Н.6
Гайка
В узле: 6
41
10.65Г.06
Шайба
В узле: 2
Содержащиеся в справочниках-каталогах запасные части и детали не предлагаются к продаже, а носят исключительно информационный характер

Ваша заявка была отправлена. В ближайшее время наши специалисты с Вами свяжутся по указанному Вами телефону.

Представьтесь
Поле обязательно для заполнения
Ваш телефон
Введите правильный номер телефона
E-mail
Введите правильный e-mail
Тема
Тема
применяемость финансирование доставка цена, наличие другое сервис и гарантия
Время для звонка
08:00
08:00 09:00 10:00 11:00 12:00 13:00 14:00 15:00 16:00 17:00 18:00 19:00
19:00
08:00 09:00 10:00 11:00 12:00 13:00 14:00 15:00 16:00 17:00 18:00 19:00

Мы постараемся перезвонить в указанное время

Если вы не хотите ждать, то звоните нашим вежливым консультантам:

8 800 100-2-700
Подтвердите, что вы не робот
Подтвердите, что вы не робот
Спасибо!

Ваше сообщение успешно отправлено!

ЗакрытьПовторить попытку