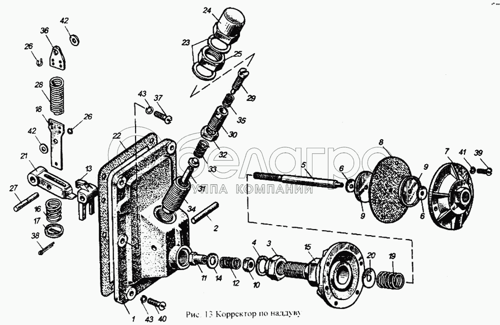
Каталог запасных частей к технике: ММЗ Д-265. Корректор по наддуву

zoom-in zoom-out enlarge shrink circle-right circle-left file-text2 info cart arraw right arraw left zoom out zoom in arraw maximize arraw minimize
1
2
3
4
5
6
7
8
9
10
11
12
13
14
15
16
17
18
19
20
21
22
23
24
25
26
27
28
29
30
31
32
33
34
35
36
37
38
39
40
41
42
43
1
51.1110024
Крышка регулятора
В узле: 1
2
51.1110179
Ось
В узле: 1
3
51.1110584
Контргайка
В узле: 1
4
51.1110585
Прокладка
В узле: 1
5
51.1110601
Шток
В узле: 1
6
51.1110602
Тарелка
В узле: 2
7
51.1110604
Крышка
В узле: 1
8
51.1110606
Диафрагма
В узле: 1
9
51.1110607
Тарелка
В узле: 2
10
51.1110609
Гайка
В узле: 1
11
51.1110612
Контргайка
В узле: 1
12
51.1110613
Пружина
В узле: 1
13
51.1110614
Рычаг
В узле: 1
14
51.1110617
Тарелка
В узле: 1
15
51.1110621
Корпус
В узле: 1
16
48.1110115
Пружина холостого хода
В узле: 1
17
48.1110116
Тарелка
В узле: 1
18
48.1110282-20
Серьга пружины регулятора
В узле: 1
19
26.1110591
Пружина
В узле: 1
20
26.1110616
Прокладка регулировочная
В узле: 1
21
22.1110173-20
Рычаг корректора
В узле: 1
22
21.1110016
Прокладка
В узле: 1
23
21.1110021
Прокладка
В узле: 2
24
21.1110022
Колпачок корректора
В узле: 1
25
21.1110023
Контргайка корректора
В узле: 1
26
21.1110039
Замок
В узле: 2
27
21.1110103-10
Ось
В узле: 1
28
21.1110114-03
Пружина
В узле: 1
29
21.1110171
Ограничитель
В узле: 1
30
21.1110172-01
Винт регулировочный
В узле: 1
31
21.1110174-02
Шток корректора
В узле: 1
32
21.1110175
Контргайка регулировочного винта
В узле: 1
33
21.1110176-01
Пружина корректора
В узле: 1
34
21.1110178-01
Корпус корректора
В узле: 1
35
21.1110201
Пружина
В узле: 1
36
21.1110282
Серьга пружины регулятора
В узле: 1
37
21.1111349
Винт
В узле: 2
38
2,0Х12
Шплинт
В узле: 1
39
ВМ4-6gХ10
Винт
В узле: 6
40
М6Х18.88.016
Винт
В узле: 4
41
4.65Г
Шайба
В узле: 6
42
5.04.05
Шайба
В узле: 2
43
6.65Г.05
Шайба
В узле: 6
Содержащиеся в справочниках-каталогах запасные части и детали не предлагаются к продаже, а носят исключительно информационный характер

Ваша заявка была отправлена. В ближайшее время наши специалисты с Вами свяжутся по указанному Вами телефону.

Представьтесь
Поле обязательно для заполнения
Ваш телефон
Введите правильный номер телефона
E-mail
Введите правильный e-mail
Тема
Тема
применяемость финансирование доставка цена, наличие другое сервис и гарантия
Время для звонка
08:00
08:00 09:00 10:00 11:00 12:00 13:00 14:00 15:00 16:00 17:00 18:00 19:00
19:00
08:00 09:00 10:00 11:00 12:00 13:00 14:00 15:00 16:00 17:00 18:00 19:00

Мы постараемся перезвонить в указанное время

Если вы не хотите ждать, то звоните нашим вежливым консультантам:

8 800 100-2-700
Подтвердите, что вы не робот
Подтвердите, что вы не робот
Спасибо!

Ваше сообщение успешно отправлено!

ЗакрытьПовторить попытку