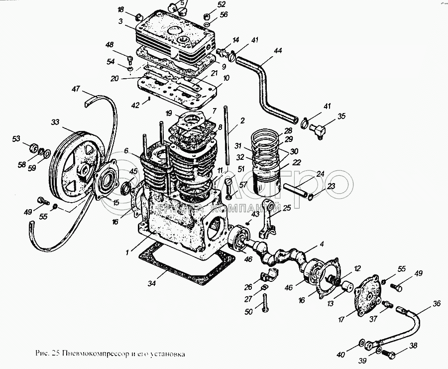
Каталог запасных частей к технике: ММЗ Д-265. Пневмокомпрессор и его установка

zoom-in zoom-out enlarge shrink circle-right circle-left file-text2 info cart arraw right arraw left zoom out zoom in arraw maximize arraw minimize
1
2
3
4
6
7
8
9
10
11
12
13
14
15
16
17
18
19
20
21
22
23
24
25
26
27
28
29
30
31
32
33
34
35
36
37
38
39
40
41
42
43
44
45
46
47
48
49
50
51
53
54
55
56
57
58
59
39
36-1104788
Кольцо
В узле: 1
36-1104788 Шайба 10.0х16.0х1.5 Д-240, Д-245 уплотнительная медная, (А) Под заказ 4.48 р.
21
А29.05.043
Ограничитель
В узле: 2
А29.05.043 Ограничитель МТЗ, БЗА* >10 шт. 70 р.
37
240-3509232
Штуцер
В узле: 1
240-3509232 Штуцер МТЗ, ЗИЛ маслопровода компрессора, L=31мм, (А) Под заказ 23.55 р.
20
А29.05.042
Клапан нагнетательный
В узле: 2
А29.05.042 Клапан компрессора МТЗ нагнетательный, БЗА* >10 шт. 296.85 р.
А29.05.170
Шатун
В узле: 2
А29.05.170 Шатун компрессора МТЗ, БЗА* <10 шт. 1 555.60 р.
22
А29.05.101
Поршень
В узле: 2
А29.05.101 Поршень МТЗ, РФ <10 шт. 475.40 р.
А29.14.000
Компрессор
В узле: 1
А27.12.40.000
Кольцо маслосъемное
В узле: 2
А29.50.170
Шатун
В узле: 2
А29.05.100
Поршень и шатун
В узле: 2
А29.14.040
Плита
В узле: 1
1
А29.14.001
Картер
В узле: 1
2
А29.14.002
Шпилька
В узле: 8
3
А29.14.003
Головка
В узле: 1
4
А29.14.004
Вал коленчатый
В узле: 1
5
А29.14.006
Пробка транспортная
В узле: 2
6
А29.14.007
Цилиндр
В узле: 2
7
А29.14.008
Прокладка плиты верхняя
В узле: 2
8
А29.14.009
Прокладка плиты нижняя
В узле: 2
9
А29.14.011
Прокладка головки
В узле: 1
10
А29.14.041
Плита
В узле: 1
11
А29.01.006
Прокладка цилиндра
В узле: 2
12
А29.01.013
Пружина
В узле: 1
13
А29.01.019
Уплотнитель крышки
В узле: 1
14
А29.01.059
Штуцер
В узле: 1
15
А29.03.003
Крышка передняя
В узле: 1
16
А20.03.009
Прокладка
В узле: 2
17
А29.03.012
Крышка задняя
В узле: 1
18
А29.03.015
Пробка транспортная
В узле: 1
19
А29.05.001
Клапан всасывающий
В узле: 2
23
А29.05.102
Кольцо стопорное
В узле: 4
24
А29.05.103
Палец поршневой
В узле: 2
25
А29.05.171
Шатун
В узле: 2
26
А29.05.172
Крышка шатуна
В узле: 2
27
А29.05.173
Шайба стопорная
В узле: 4
28
А27.02.03.007
Кольцо компрессионное
В узле: 2
29
А27.02.03.008
Кольцо компрессионное
В узле: 2
30
А27.12.40.509
Сегмент
В узле: 4
31
А27.12.40.510
Расширитель
В узле: 2
32
А27.12.40.511
Расширитель
В узле: 2
33
265-3509011
Шкив
В узле: 1
34
265-3509014
Прокладка
В узле: 1
35
265-3509030
Штуцер
В узле: 1
36
265-3509150
Маслопровод
В узле: 1
38
240-3509233
Болт штуцера
В узле: 1
40
36-1104788-01
Прокладка
В узле: 1
41
ХЧП10.019(ХС-26.019)
Хомут
В узле: 2
42
2,5m6Х12
Штифт
В узле: 4
43
5Х7,5
Шпонка
В узле: 1
44
18Х29-1,3
Рукав
В узле: 1
45
22-24Х40-1
Манжета
В узле: 1
46
207
Подшипник
В узле: 2
47
I-11Х10-1400
Ремень (входит в п/г 3701)
В узле: 2
48
М6-6gх10.016
Болт
В узле: 4
49
М8-6gх20.58.05
Болт
В узле: 8
50
М8-6gх35.109.40Х.05
Болт
В узле: 4
51
М10-6gх45.88.35.016
Болт
В узле: 4
52
М8Х1.6Н.8.45.056
Гайка
В узле: 8
53
М14Х1,5.6Н.35.05
Гайка
В узле: 1
54
6.65Г.06
Шайба
В узле: 4
55
8.65Г.06
Шайба
В узле: 8
56
А8.01.08кп.05
Шайба
В узле: 8
57
10.65Г.06
Шайба
В узле: 4
58
14.65Г.05
Шайба
В узле: 1
59
А14.01.08кп.05
Шайба
В узле: 1
Содержащиеся в справочниках-каталогах запасные части и детали не предлагаются к продаже, а носят исключительно информационный характер

Ваша заявка была отправлена. В ближайшее время наши специалисты с Вами свяжутся по указанному Вами телефону.

Представьтесь
Поле обязательно для заполнения
Ваш телефон
Введите правильный номер телефона
E-mail
Введите правильный e-mail
Тема
Тема
применяемость финансирование доставка цена, наличие другое сервис и гарантия
Время для звонка
08:00
08:00 09:00 10:00 11:00 12:00 13:00 14:00 15:00 16:00 17:00 18:00 19:00
19:00
08:00 09:00 10:00 11:00 12:00 13:00 14:00 15:00 16:00 17:00 18:00 19:00

Мы постараемся перезвонить в указанное время

Если вы не хотите ждать, то звоните нашим вежливым консультантам:

8 800 100-2-700
Подтвердите, что вы не робот
Подтвердите, что вы не робот
Спасибо!

Ваше сообщение успешно отправлено!

ЗакрытьПовторить попытку