Каталог запасных частей к технике: ММЗ Д-265. Установка масляного фильтра

zoom-in zoom-out enlarge shrink circle-right circle-left file-text2 info cart arraw right arraw left zoom out zoom in arraw maximize arraw minimize
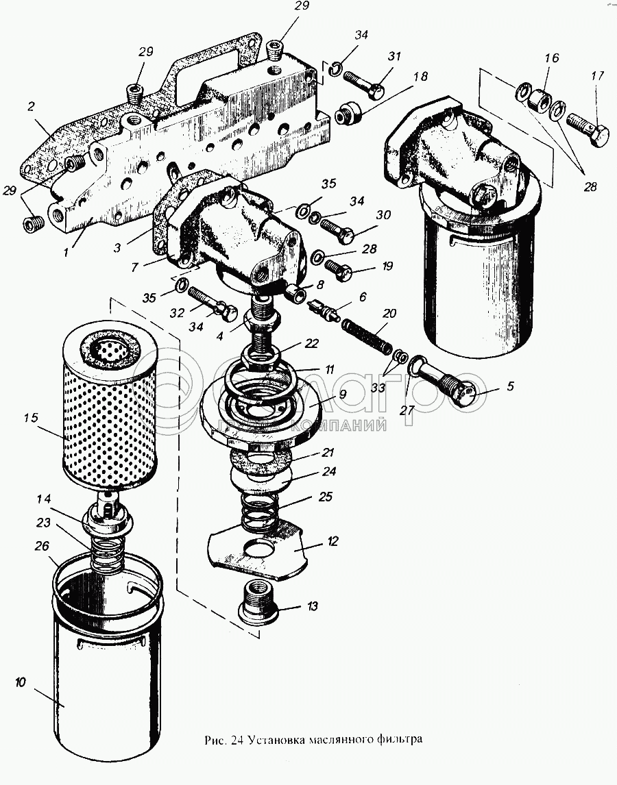
1
2
3
4
5
6
7
8
9
10
11
12
13
14
15
16
17
18
19
20
21
22
23
24
25
26
27
28
30
31
32
33
34
35
15
260-1017060
Элемент фильтрующий
В узле: 2
260-1017060 Фильтр масляный МТЗ-1221, 1523, МАЗ, Д-260 (бумага) Под заказ 188.37 р.
3
260-1017001
Прокладка
В узле: 2
260-1017001 Прокладка МТЗ фильтра очистки масла, Беларусь >10 шт. 5.06 р.
17
260-1013018
Болт штуцера
В узле: 1
260-1013018 Болт МТЗ штуцера, ММЗ <10 шт. 322.04 р.
4
260-1017012
Штуцер
В узле: 2
260-1017012 Штуцер МТЗ Под заказ 542.38 р.
9
260-1017032
Дно
В узле: 2
260-1017032 Дно <10 шт. 13.26 р.
265-1017110
Плита
В узле: 1
260-1017020
Корпус фильтра
В узле: 1
260-1017010
Фильтр масляный
В узле: 1
260-1017030
Фильтр
В узле: 1
1
265-1017101
Плита
В узле: 1
2
265-1017102
Прокладка
В узле: 1
5
260-1017014
Пробка
В узле: 2
6
260-1017017
Клапан
В узле: 2
7
260-1017022
Корпус фильтра
В узле: 1
8
260-1017024
Вставка
В узле: 2
10
260-1017033
Колпак
В узле: 2
11
260-1017036
Прокладка
В узле: 2
12
260-1017042
Прижим
В узле: 2
13
260-1017044
Штуцер
В узле: 2
14
260-1017050
Клапан перепускной
В узле: 2
16
260-1013013
Втулка
В узле: 1
18
260-1013019
Пробка
В узле: 1
19
260-1013034
Пробка
В узле: 1
20
50-1404083-А
Пружина сливного клапана
В узле: 2
21
2105-1012009-ММЗ
Клапан антидренажный
В узле: 2
22
2105-1012011-ММЗ
Гайка
В узле: 2
23
2105-1012012-ММЗ
Пружина
В узле: 2
24
2105-1012051-ММЗ
Шайба
В узле: 2
25
2105-1012052-ММЗ
Пружина
В узле: 2
26
100-4-4-10Д
Кольцо
В узле: 2
27
ДО9-035-А
Прокладка
В узле: 2
28
Д18-055-А-01
Кольцо уплотнительное
В узле: 3
29
ЗКГ3/8"10кп019
Пробка
В узле: 4
30
М10-6gх35.88.35.016
Болт
В узле: 2
31
М10-6gх55.88.35.016
Болт
В узле: 3
32
М10-6gх70.88.35.016
Болт
В узле: 4
33
5.01.08кп.016
Шайба
В узле: ---
34
10.65Г.016
Шайба
В узле: 9
35
10.01.08кп.016
Шайба
В узле: 6
Содержащиеся в справочниках-каталогах запасные части и детали не предлагаются к продаже, а носят исключительно информационный характер

Ваша заявка была отправлена. В ближайшее время наши специалисты с Вами свяжутся по указанному Вами телефону.

Представьтесь
Поле обязательно для заполнения
Ваш телефон
Введите правильный номер телефона
E-mail
Введите правильный e-mail
Тема
Тема
применяемость финансирование доставка цена, наличие другое сервис и гарантия
Время для звонка
08:00
08:00 09:00 10:00 11:00 12:00 13:00 14:00 15:00 16:00 17:00 18:00 19:00
19:00
08:00 09:00 10:00 11:00 12:00 13:00 14:00 15:00 16:00 17:00 18:00 19:00

Мы постараемся перезвонить в указанное время

Если вы не хотите ждать, то звоните нашим вежливым консультантам:

8 800 100-2-700
Подтвердите, что вы не робот
Подтвердите, что вы не робот
Спасибо!

Ваше сообщение успешно отправлено!

ЗакрытьПовторить попытку