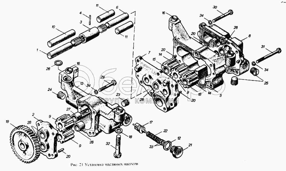
Каталог запасных частей к технике: ММЗ Д-265. Установка масляных насосов

zoom-in zoom-out enlarge shrink circle-right circle-left file-text2 info cart arraw right arraw left zoom out zoom in arraw maximize arraw minimize
1
2
3
4
5
6
7
8
9
10
11
12
13
14
15
16
17
18
19
20
21
22
23
24
25
26
27
28
29
30
31
32
33
34
18
245-3701069
Шайба
В узле: 4
245-3701069 Шайба Под заказ 43.75 р.
19
240-1403228
Шестерня привода
В узле: 1
240-1403228 Шестерня МТЗ привода масляного насоса z=36, БЗА* Под заказ 1 993.79 р.
21
50-1404075
Пробка
В узле: 1
50-1404075 Пробка МТЗ редукционного клапана, ММЗ Под заказ 186.43 р.
265-1011170
Крышка
В узле: 1
260-1011030-01
Корпус насоса
В узле: 1
260-1011040
Шестерня ведомая
В узле: 2
265-1012020
Насос откачивающий
В узле: 1
265-1012050
Крышка
В узле: 1
265-1012040
Крышка
В узле: 1
265-1011120
Насос масляный
В узле: 1
1
265-1011161
Валик
В узле: 1
2
265-1011171
Крышка
В узле: 1
3
265-1012011
Муфта
В узле: 1
4
265-1012012
Упор
В узле: 1
5
265-1012021
Корпус насоса
В узле: 1
6
265-1012031
Валик
В узле: 1
7
265-1012041
Крышка
В узле: 1
8
265-1012051
Крышка
В узле: 1
9
260-1011021
Шестерня ведущая
В узле: 3
10
260-1011022
Валик
В узле: 1
11
260-1011023
Палец
В узле: 2
12
260-1011024
Шайба
В узле: 1
13
260-1011032-01
Корпус насоса
В узле: 1
14
260-1011042
Шестерня ведомая
В узле: 2
15
260-1011044
Втулка
В узле: 2
16
260-1013024
Штифт
В узле: 4
17
260-1017017
Клапан
В узле: 1
20
50-1403233
Штифт установочный
В узле: 6
22
50-1404081-А
Пружина клапана
В узле: 1
23
ЗКГ1/4"10кп.019
Пробка
В узле: 1
24
ЗКГЗ/8"10кп.019
Пробка
В узле: 1
25
ЗКГ1/2"10кп.019
Пробка
В узле: 2
26
020-025-30-2-4
Кольцо
В узле: 1
27
А57.03.026А
Втулка
В узле: 1
28
А57.03.027А
Втулка
В узле: 7
29
М8-6gх55.88.35.016
Болт
В узле: 4
30
М8-6gх60.88.35.016
Болт
В узле: 4
31
М8-6gх80.8835.016
Болт
В узле: 2
32
М12-6gх60.88.35.016
Болт
В узле: 4
33
5.01.08кп.019
Шайба
В узле: 3
34
8Т.65Г.06
Шайба
В узле: 10
Содержащиеся в справочниках-каталогах запасные части и детали не предлагаются к продаже, а носят исключительно информационный характер

Ваша заявка была отправлена. В ближайшее время наши специалисты с Вами свяжутся по указанному Вами телефону.

Представьтесь
Поле обязательно для заполнения
Ваш телефон
Введите правильный номер телефона
E-mail
Введите правильный e-mail
Тема
Тема
применяемость финансирование доставка цена, наличие другое сервис и гарантия
Время для звонка
08:00
08:00 09:00 10:00 11:00 12:00 13:00 14:00 15:00 16:00 17:00 18:00 19:00
19:00
08:00 09:00 10:00 11:00 12:00 13:00 14:00 15:00 16:00 17:00 18:00 19:00

Мы постараемся перезвонить в указанное время

Если вы не хотите ждать, то звоните нашим вежливым консультантам:

8 800 100-2-700
Подтвердите, что вы не робот
Подтвердите, что вы не робот
Спасибо!

Ваше сообщение успешно отправлено!

ЗакрытьПовторить попытку