Каталог запасных частей к технике: ВТЗ Д-144. Фильтр масляный А54.40.000-01-03

zoom-in zoom-out enlarge shrink circle-right circle-left file-text2 info cart arraw right arraw left zoom out zoom in arraw maximize arraw minimize
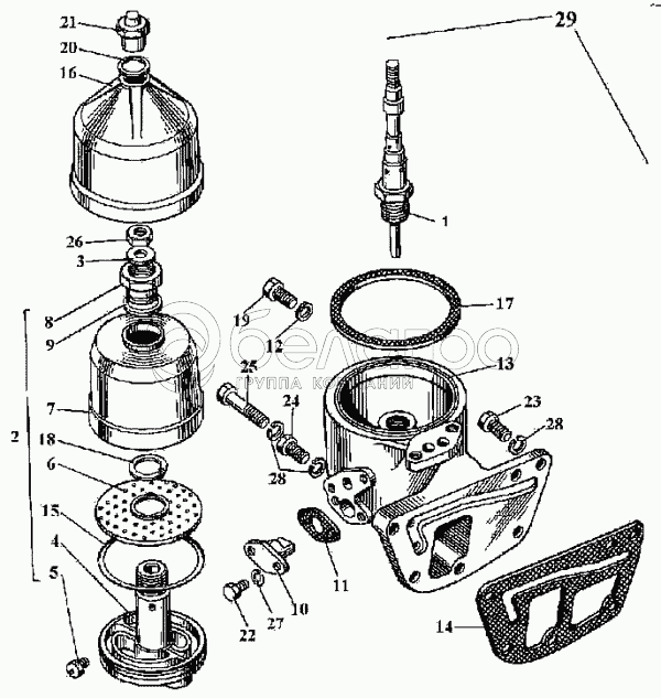
1
2
2
3
3
4
4
5
5
6
6
7
7
8
8
9
9
10
11
12
13
14
15
16
17
18
19
20
21
22
23
24
25
26
27
28
29
29
1
Д37А-1407550Г
Ось
В узле: 1
2
А54.11.000-08
Ротор
В узле: 1
2
Д37А-1407560В2
Ротор
В узле: 1
3
А54.10.007
Шайба упорная
В узле: 1
3
Д37А-1407607В
Шайба упорная
В узле: 1
4
А54.11.101-08
Основание ротора
В узле: 1
4
Д144-1407572
Основание ротора
В узле: 1
5
А54.11.103
Сопло
В узле: 2
5
Д37А-1407588Б2
Сопло
В узле: 2
6
А54.11.105
Маслоотражатель
В узле: 1
6
Д144-1407567
Маслоотражатель
В узле: 1
7
А54.11.201-08
Крышка
В узле: 1
7
Д37А-1407592Б2
Крышка
В узле: 1
8
А54.11.203
Гайка
В узле: 1
8
Д37А-1407598Б2
Гайка
В узле: 1
9
А54.11.202
Прокладка
В узле: 1
9
Д37А-1407599Б2
Прокладка
В узле: 1
10
Д37М-1407252А
Переключатель
В узле: 1
11
Д37А-1407254-03
Прокладка
В узле: 1
12
Д30-1104352
Прокладка
В узле: 1
13
Д37М-1407525Г
Корпус
В узле: 1
14
Д37А-1407548А1
Прокладка
В узле: 1
15
Д37М-1407597
Кольцо
В узле: 1
16
Д37М-1407615В-02
Колпак
В узле: 1
17
Д37М-1407617Г-03
Кольцо
В узле: 1
18
Д37М-1407705Б
Кольцо
В узле: 1
19
Д37М-1407864
Болт
В узле: 1
20
14-1059
Прокладка
В узле: 1
21
14-1060-1
Гайка
В узле: 1
22
М6.6gх14.88.35.019
Болт
В узле: 2
23
4М10.6вх25.88.35.019
Болт
В узле: 3
24
4М10.6gх35.88.35.019
Болт
В узле: 1
25
4М10.6gх55.88.35.019
Болт
В узле: 1
26
М12х1,25.6Н.6.019
Гайка
В узле: 1
27
6Т.65Г.05
Шайба
В узле: 2
28
10.0Т.65Г.06
Шайба
В узле: 5
29
А54.40.000-01-03
Фильтр масляный
В узле: 1
29
Д37М-1407500А2-03
Фильтр масляный
В узле: 1
Содержащиеся в справочниках-каталогах запасные части и детали не предлагаются к продаже, а носят исключительно информационный характер

Ваша заявка была отправлена. В ближайшее время наши специалисты с Вами свяжутся по указанному Вами телефону.

Представьтесь
Поле обязательно для заполнения
Ваш телефон
Введите правильный номер телефона
E-mail
Введите правильный e-mail
Тема
Тема
применяемость финансирование доставка цена, наличие другое сервис и гарантия
Время для звонка
08:00
08:00 09:00 10:00 11:00 12:00 13:00 14:00 15:00 16:00 17:00 18:00 19:00
19:00
08:00 09:00 10:00 11:00 12:00 13:00 14:00 15:00 16:00 17:00 18:00 19:00

Мы постараемся перезвонить в указанное время

Если вы не хотите ждать, то звоните нашим вежливым консультантам:

8 800 100-2-700
Подтвердите, что вы не робот
Подтвердите, что вы не робот
Спасибо!

Ваше сообщение успешно отправлено!

ЗакрытьПовторить попытку