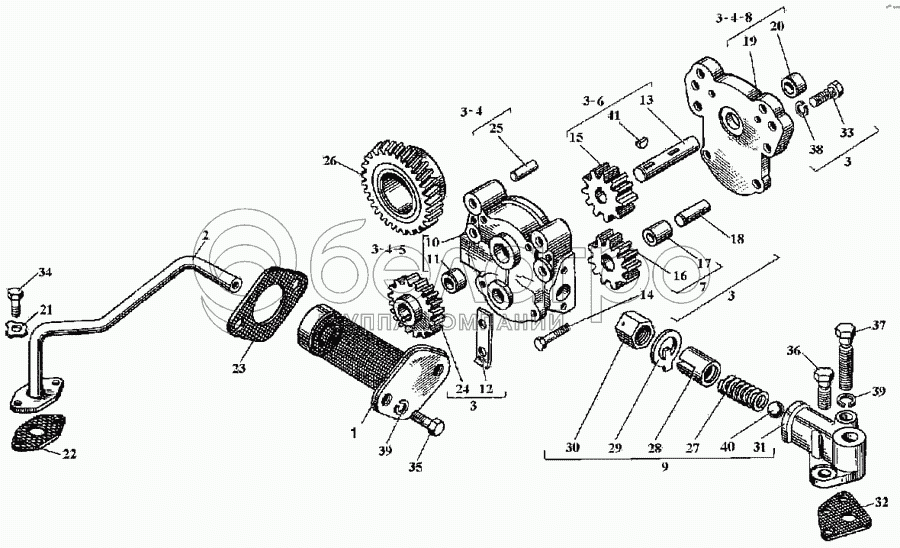
Каталог запасных частей к технике: ВТЗ Д-144. Приемник масляного насоса

zoom-in zoom-out enlarge shrink circle-right circle-left file-text2 info cart arraw right arraw left zoom out zoom in arraw maximize arraw minimize
1
2
3
4
5
6
7
8
9
10
11
12
13
14
15
16
17
18
19
20
21
22
23
24
25
26
27
28
29
30
31
32
33
34
35
36
37
38
39
40
41
1
Д37М-1402010А2
Приемник
В узле: 1
2
Д37М-1402050Г
Труба приемника
В узле: 1
3
Д144-1403010
Насос
В узле: 1
4
Д37М-1403011А1
Корпус
В узле: 1
5
Д37М-1403020В2
Корпус
В узле: 1
6
Д37М-1403050Б
Валик
В узле: 1
7
Д37М-1403110
Шестерня
В узле: 1
8
Д37М-1403150
Крышка в сборе
В узле: 1
9
Д144-1403360
Клапан редукционный
В узле: 1
10
Д37М-1403025Г
Корпус
В узле: 1
11
Д30-1403028Б
Втулка
В узле: 1
12
Д37М-1403032
Пластина
В узле: 2
13
Д30-1403052В2
Валик
В узле: 1
14
Д37М-1403056
Болт
В узле: 4
15
Д37М-1403075
Шестерня
В узле: 1
16
Д37М-1403115
Шестерня
В узле: 1
17
Д37М-1403118
Втулка
В узле: 1
18
Д37М-1403125
Ось
В узле: 1
19
Д37М-1403155А
Крышка
В узле: 1
20
Д37М-1403156
Втулка
В узле: 1
21
Д37М-1002176
Шайба стопорная
В узле: 2
22
Д37М-1402183Б-03
Прокладка
В узле: 1
23
Д37М-1402218-03
Прокладка
В узле: 1
24
Д144-1403228
Шестерня
В узле: 1
25
Д30-1403268
Штифт
В узле: 2
26
Д144-1403312
Шестерня
В узле: 1
27
Д37А-1403368Б
Пружина
В узле: 1
28
Д30-1403385А
Пробка
В узле: 1
29
Д30-1403386А
Прокладка
В узле: 1
30
Д30-1403388А2
Гайка
В узле: 1
31
Д144-1403392
Корпус
В узле: 1
32
Д30-1403394-03
Прокладка
В узле: 1
33
М6.6gх20.88.35.019
Болт
В узле: 4
34
4М8.6gх16.88.35.019
Болт
В узле: 2
35
4М8.6gх18.88.35.019
Болт
В узле: 2
36
4М8.6gх20.88.35.019
Болт
В узле: 1
37
4М8.6gх40.88.35.019
Болт
В узле: 1
38
6Т.65Г.06
Шайба
В узле: 4
39
8Т.65Г.06
Шайба
В узле: 4
40
14,288-200
Шарик
В узле: 1
41
3х5
Шпонка
В узле: 1
Содержащиеся в справочниках-каталогах запасные части и детали не предлагаются к продаже, а носят исключительно информационный характер

Ваша заявка была отправлена. В ближайшее время наши специалисты с Вами свяжутся по указанному Вами телефону.

Представьтесь
Поле обязательно для заполнения
Ваш телефон
Введите правильный номер телефона
E-mail
Введите правильный e-mail
Тема
Тема
применяемость финансирование доставка цена, наличие другое сервис и гарантия
Время для звонка
08:00
08:00 09:00 10:00 11:00 12:00 13:00 14:00 15:00 16:00 17:00 18:00 19:00
19:00
08:00 09:00 10:00 11:00 12:00 13:00 14:00 15:00 16:00 17:00 18:00 19:00

Мы постараемся перезвонить в указанное время

Если вы не хотите ждать, то звоните нашим вежливым консультантам:

8 800 100-2-700
Подтвердите, что вы не робот
Подтвердите, что вы не робот
Спасибо!

Ваше сообщение успешно отправлено!

ЗакрытьПовторить попытку