Каталог запасных частей к технике: Weichai 226B. Маховик в сборе

zoom-in zoom-out enlarge shrink circle-right circle-left file-text2 info cart arraw right arraw left zoom out zoom in arraw maximize arraw minimize
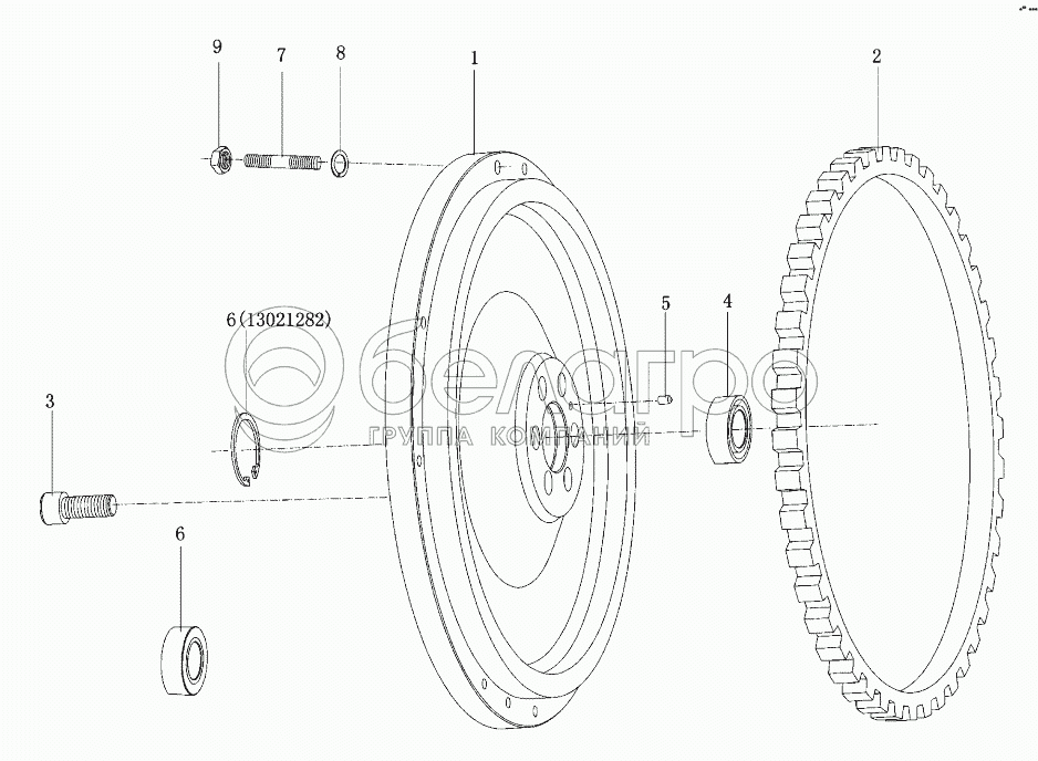
1
1
1
1
1
2
2
3
3
4
4
5
6
6
6
7
8
9
1
13024684
Маховик
В узле: 1
1
13025278
Маховик
В узле: 1
1
13023761
Маховик
В узле: ---
1
13024164
Маховик
В узле: ---
1
13024792
Маховик
В узле: 1
2
13020321
Венец
В узле: 1
2
12166719
Венец
В узле: ---
3
01152870
Винт с шестигранной головочной цилиндрической головкой
В узле: ---
3
01110843
Винт с шестигранной головочной цилиндрической головкой
В узле: 6
4
13021588
Радиальный шариковый подшипник
В узле: 1
4
13022441
Радиальный шариковый подшипник
В узле: 1
5
01125638
Упругая цилиндрическая шпонка
В узле: 1
6
13021282
Упругое упорное кольцо
В узле: 1
6
13024685
Стопорное кольцо
В узле: 1
6
13024254
Стопорное кольцо
В узле: ---
7
13024205
Стойка натяжного троса дроссельной заслонки
В узле: ---
8
01178365
Пружинная шайба
В узле: ---
9
13024402
Шестигранная гайка типа 1
В узле: ---
Содержащиеся в справочниках-каталогах запасные части и детали не предлагаются к продаже, а носят исключительно информационный характер

Ваша заявка была отправлена. В ближайшее время наши специалисты с Вами свяжутся по указанному Вами телефону.

Представьтесь
Поле обязательно для заполнения
Ваш телефон
Введите правильный номер телефона
E-mail
Введите правильный e-mail
Тема
Тема
применяемость финансирование доставка цена, наличие другое сервис и гарантия
Время для звонка
08:00
08:00 09:00 10:00 11:00 12:00 13:00 14:00 15:00 16:00 17:00 18:00 19:00
19:00
08:00 09:00 10:00 11:00 12:00 13:00 14:00 15:00 16:00 17:00 18:00 19:00

Мы постараемся перезвонить в указанное время

Если вы не хотите ждать, то звоните нашим вежливым консультантам:

8 800 100-2-700
Подтвердите, что вы не робот
Подтвердите, что вы не робот
Спасибо!

Ваше сообщение успешно отправлено!

ЗакрытьПовторить попытку