Каталог запасных частей к технике: Weichai 6M11 DHM16D0002. Fuel Injection Pump Group

zoom-in zoom-out enlarge shrink circle-right circle-left file-text2 info cart arraw right arraw left zoom out zoom in arraw maximize arraw minimize
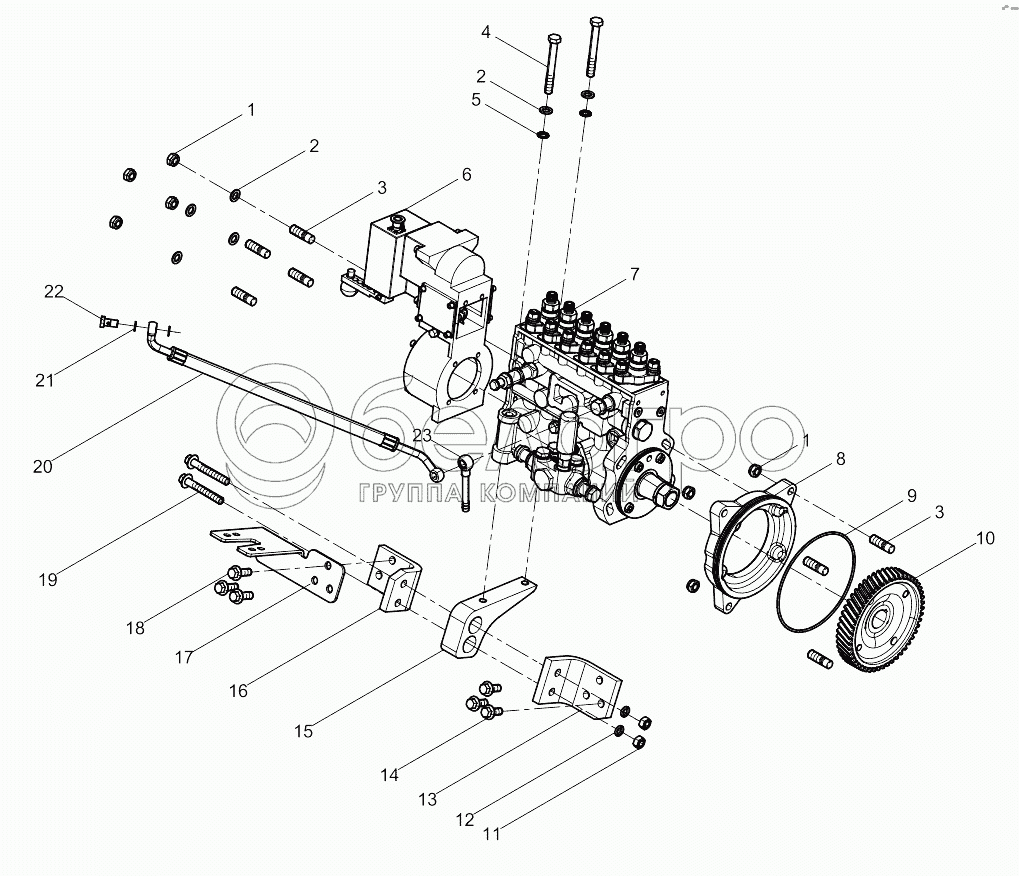
1
1
2
2
3
3
4
5
6
7
8
9
10
11
12
13
14
15
16
17
18
19
20
21
22
23
1
90003888452
Гайка
В узле: 7
2
90014040008
Plain Washer
В узле: 6
3
90003813532S
Stud
В узле: 7
4
90003800579
Болт
В узле: 2
5
18872339
Washer
В узле: 2
6
1000942671
Electromagnetic Actuator
В узле: 1
7
1000943136
Fuel Injection Pump Assembly
В узле: 1
8
612600083244
Fuel Injection Pump Flange
В узле: 1
9
612600083245
Seal Ring
В узле: 1
10
612600081529
Injection pump gear
В узле: 1
11
90003871305
Гайка
В узле: 2
12
90003931122
Шайба
В узле: 2
13
612600080682
Fuel Injection Pump Bracket
В узле: 1
14
90011430008
Hexagon Flange Bolt
В узле: 3
15
612600080363
Fuel Injection Pump Bracket
В узле: 1
16
612600080364
Bracket
В узле: 1
17
612600082684
Fuel Pipe Bracket
В узле: 1
18
90011430017
Hexagon Flange Bolt
В узле: 3
19
90011430013
Hexagon Flange Bolt
В узле: 2
20
612600081470
Oil inlet pipe assembly
В узле: 1
21
612600080246
Seal washer
В узле: 2
22
90003962607
Болт
В узле: 1
23
612600080172
Pipe Joint
В узле: 1
Содержащиеся в справочниках-каталогах запасные части и детали не предлагаются к продаже, а носят исключительно информационный характер

Ваша заявка была отправлена. В ближайшее время наши специалисты с Вами свяжутся по указанному Вами телефону.

Представьтесь
Поле обязательно для заполнения
Ваш телефон
Введите правильный номер телефона
E-mail
Введите правильный e-mail
Тема
Тема
применяемость финансирование доставка цена, наличие другое сервис и гарантия
Время для звонка
08:00
08:00 09:00 10:00 11:00 12:00 13:00 14:00 15:00 16:00 17:00 18:00 19:00
19:00
08:00 09:00 10:00 11:00 12:00 13:00 14:00 15:00 16:00 17:00 18:00 19:00

Мы постараемся перезвонить в указанное время

Если вы не хотите ждать, то звоните нашим вежливым консультантам:

8 800 100-2-700
Подтвердите, что вы не робот
Подтвердите, что вы не робот
Спасибо!

Ваше сообщение успешно отправлено!

ЗакрытьПовторить попытку