Каталог запасных частей к технике: Weichai WD12.420. Oil-gas separator group

zoom-in zoom-out enlarge shrink circle-right circle-left file-text2 info cart arraw right arraw left zoom out zoom in arraw maximize arraw minimize
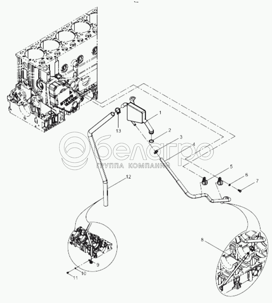
1
2
3
4
5
6
7
8
9
10
11
12
13
1
612600013660
Oil-gas separator assembly
В узле: 1
2
609F070041-S
Seal washer
В узле: 1
3
90003989300
Хомут шланга
В узле: 2
4
612600012938
Oil connecting rubber pipe
В узле: 1
5
612600111639
Зажим
В узле: 2
6
90003932023
Шайба пружинная
В узле: 1
7
90003802411
Болт
В узле: 1
8
612600013245
Adapter
В узле: 1
9
612600013280
Pipe Clamp Assembly
В узле: 1
10
90014010002
Single Coil Spring Lock Washer, Normal Type
В узле: 1
11
90011350039
Hexagon bolt
В узле: 1
12
612600011974
Rubber hose
В узле: 1
13
90003989340
Хомут стяжной
В узле: 1
Содержащиеся в справочниках-каталогах запасные части и детали не предлагаются к продаже, а носят исключительно информационный характер

Ваша заявка была отправлена. В ближайшее время наши специалисты с Вами свяжутся по указанному Вами телефону.

Представьтесь
Поле обязательно для заполнения
Ваш телефон
Введите правильный номер телефона
E-mail
Введите правильный e-mail
Тема
Тема
применяемость финансирование доставка цена, наличие другое сервис и гарантия
Время для звонка
08:00
08:00 09:00 10:00 11:00 12:00 13:00 14:00 15:00 16:00 17:00 18:00 19:00
19:00
08:00 09:00 10:00 11:00 12:00 13:00 14:00 15:00 16:00 17:00 18:00 19:00

Мы постараемся перезвонить в указанное время

Если вы не хотите ждать, то звоните нашим вежливым консультантам:

8 800 100-2-700
Подтвердите, что вы не робот
Подтвердите, что вы не робот
Спасибо!

Ваше сообщение успешно отправлено!

ЗакрытьПовторить попытку