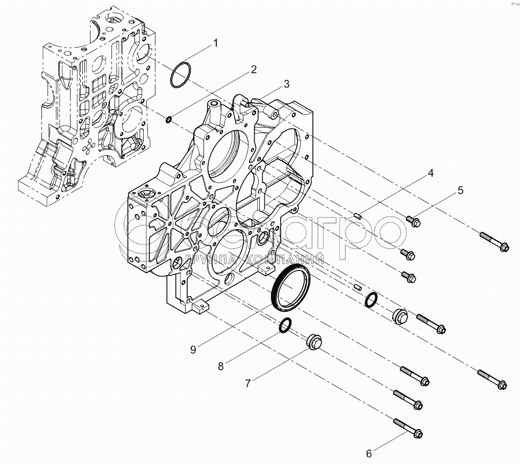
Каталог запасных частей к технике: Weichai WP10336E40 (Евро 4). Timing gear chamber Assembly

zoom-in zoom-out enlarge shrink circle-right circle-left file-text2 info cart arraw right arraw left zoom out zoom in arraw maximize arraw minimize
1
2
3
4
5
6
7
8
9
1
61000010134
Seal washer
В узле: 1
2
288730061
O shaped seal washer
В узле: 1
3
612600012122
Timing gear case
В узле: 1
4
90003901418
Вкладыш
В узле: 2
5
90011430008
Hexagon Flange Bolt
В узле: 3
6
612600013483
Hexagon Flange Bolt
В узле: 6
7
90003962051
Болт
В узле: 2
8
612600010735
Кольцо упорное
В узле: 2
9
61500010037
Установочное кольцо переднего сальника
В узле: 1
Содержащиеся в справочниках-каталогах запасные части и детали не предлагаются к продаже, а носят исключительно информационный характер

Ваша заявка была отправлена. В ближайшее время наши специалисты с Вами свяжутся по указанному Вами телефону.

Представьтесь
Поле обязательно для заполнения
Ваш телефон
Введите правильный номер телефона
E-mail
Введите правильный e-mail
Тема
Тема
применяемость финансирование доставка цена, наличие другое сервис и гарантия
Время для звонка
08:00
08:00 09:00 10:00 11:00 12:00 13:00 14:00 15:00 16:00 17:00 18:00 19:00
19:00
08:00 09:00 10:00 11:00 12:00 13:00 14:00 15:00 16:00 17:00 18:00 19:00

Мы постараемся перезвонить в указанное время

Если вы не хотите ждать, то звоните нашим вежливым консультантам:

8 800 100-2-700
Подтвердите, что вы не робот
Подтвердите, что вы не робот
Спасибо!

Ваше сообщение успешно отправлено!

ЗакрытьПовторить попытку