Каталог запасных частей к технике: Weichai WP10.336E40. Cylinder head subassembly

zoom-in zoom-out enlarge shrink circle-right circle-left file-text2 info cart arraw right arraw left zoom out zoom in arraw maximize arraw minimize
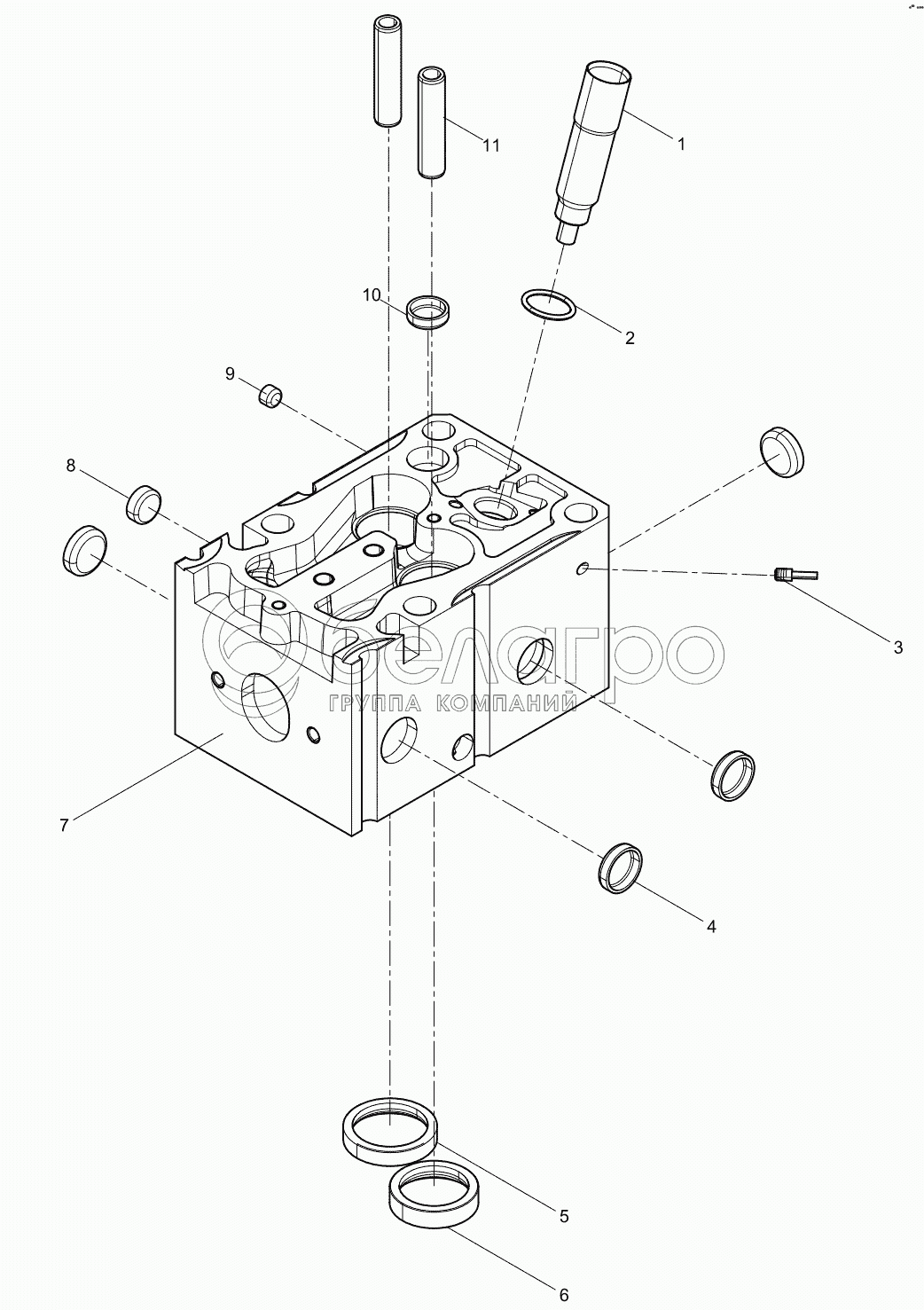
1
2
3
4
5
6
7
8
9
10
11
1
612600040235
Втулка топливной форсунки
В узле: 6
2
612600040240
Seal washer
В узле: 6
3
612600040228
Tensioned rivet
В узле: 6
4
90003989294
Заглушка чашеобразная
В узле: 24
5
61560040057
Сальник впускного клапана
В узле: 6
6
81560040037
Сальник выпускного клапана
В узле: 6
7
612600040361
Cylinder head
В узле: 6
8
90003989721
Заглушка чашеобразная
В узле: 6
9
90003989277
Заглушка чашеобразная
В узле: 6
10
90003989725
Заглушка чашеобразная
В узле: 6
11
612600040113
Втулка клапана
В узле: 12
Содержащиеся в справочниках-каталогах запасные части и детали не предлагаются к продаже, а носят исключительно информационный характер

Ваша заявка была отправлена. В ближайшее время наши специалисты с Вами свяжутся по указанному Вами телефону.

Представьтесь
Поле обязательно для заполнения
Ваш телефон
Введите правильный номер телефона
E-mail
Введите правильный e-mail
Тема
Тема
применяемость финансирование доставка цена, наличие другое сервис и гарантия
Время для звонка
08:00
08:00 09:00 10:00 11:00 12:00 13:00 14:00 15:00 16:00 17:00 18:00 19:00
19:00
08:00 09:00 10:00 11:00 12:00 13:00 14:00 15:00 16:00 17:00 18:00 19:00

Мы постараемся перезвонить в указанное время

Если вы не хотите ждать, то звоните нашим вежливым консультантам:

8 800 100-2-700
Подтвердите, что вы не робот
Подтвердите, что вы не робот
Спасибо!

Ваше сообщение успешно отправлено!

ЗакрытьПовторить попытку