Каталог запасных частей к технике: Weichai WP10NG DHP10Q1667. Turbo Set System Group

zoom-in zoom-out enlarge shrink circle-right circle-left file-text2 info cart arraw right arraw left zoom out zoom in arraw maximize arraw minimize
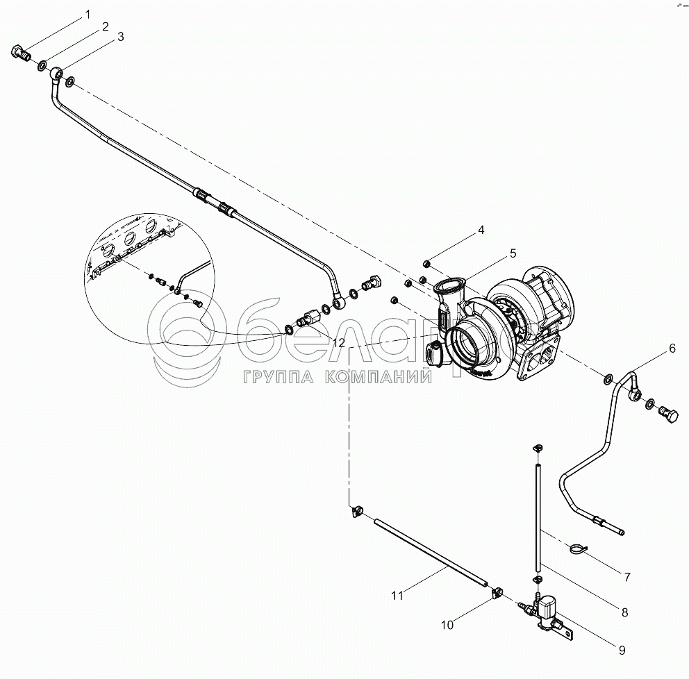
1
2
3
4
5
6
7
8
9
10
11
12
1
612600190296
Bolt
В узле: 3
2
160A.13.28
Gasket
В узле: 7
3
612600190441
Turbocharger Water Pipe
В узле: 1
4
90003888470
Гайка блокировочная
В узле: 4
5
612600114207
Turbocharger
В узле: 1
6
612600190443
Turbocharger Water Pipe
В узле: 1
7
612600111347
Hoses Clamp
В узле: 1
8
612600190540
Wastegate Trachea
В узле: 1
9
612600910297
Exhaust Control Set
В узле: 1
10
612600190301
Clamp
В узле: 4
11
612600190539
Wastegate Valve Air-inlet Pipe
В узле: 1
12
612600190295
Screw Seat
В узле: 1
Содержащиеся в справочниках-каталогах запасные части и детали не предлагаются к продаже, а носят исключительно информационный характер

Ваша заявка была отправлена. В ближайшее время наши специалисты с Вами свяжутся по указанному Вами телефону.

Представьтесь
Поле обязательно для заполнения
Ваш телефон
Введите правильный номер телефона
E-mail
Введите правильный e-mail
Тема
Тема
применяемость финансирование доставка цена, наличие другое сервис и гарантия
Время для звонка
08:00
08:00 09:00 10:00 11:00 12:00 13:00 14:00 15:00 16:00 17:00 18:00 19:00
19:00
08:00 09:00 10:00 11:00 12:00 13:00 14:00 15:00 16:00 17:00 18:00 19:00

Мы постараемся перезвонить в указанное время

Если вы не хотите ждать, то звоните нашим вежливым консультантам:

8 800 100-2-700
Подтвердите, что вы не робот
Подтвердите, что вы не робот
Спасибо!

Ваше сообщение успешно отправлено!

ЗакрытьПовторить попытку