Каталог запасных частей к технике: Weichai WP12.375E50. Rear Exhaust Manifold Group

zoom-in zoom-out enlarge shrink circle-right circle-left file-text2 info cart arraw right arraw left zoom out zoom in arraw maximize arraw minimize
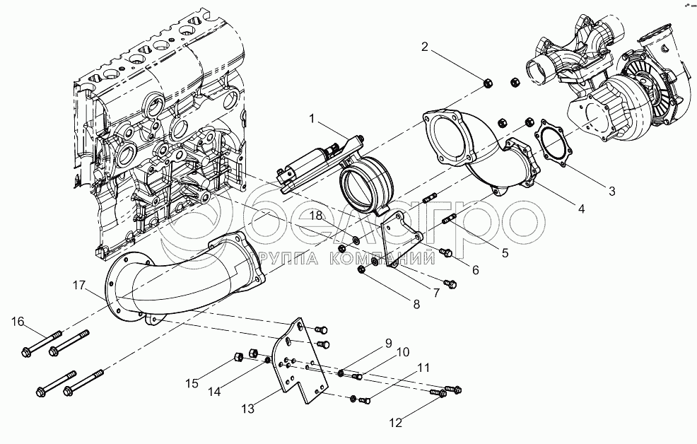
1
2
3
4
5
6
7
8
9
10
11
12
13
14
15
16
17
18
1
612630110008
Exhuast mainfold brake
В узле: 1
2
612630110068
Шестигранная гайка
В узле: 4
3
612630110716
Gasket
В узле: 1
4
612630110007
Задняя выхлопная труба нагнетателя
В узле: 1
5
612630110042
Stud
В узле: 2
6
612639000024
Болт с шестигранной головкой
В узле: 4
7
1000938067
Exhaust Manifold Bracket
В узле: 1
8
612630110043
Hexagon nut
В узле: 2
9
90014040007
Plain Washer
В узле: 2
10
90003802419
Винт (под угольник)
В узле: 1
11
90003802424
Болт
В узле: 1
12
90011400028
Hexagon Flange Bolt
В узле: 2
13
1000442505
Bracket
В узле: 1
14
612630110263
Spacer sleeve
В узле: 1
15
90012420003
Prevailing Torque Type All-metal Hexagon Nut with Flange
В узле: 2
16
612630110069
Шестигранный головочный болт с фланцем
В узле: 4
17
612640110005
Exhaust joint pipe
В узле: 1
18
90014020001
Plain Washer
В узле: 2
Содержащиеся в справочниках-каталогах запасные части и детали не предлагаются к продаже, а носят исключительно информационный характер

Ваша заявка была отправлена. В ближайшее время наши специалисты с Вами свяжутся по указанному Вами телефону.

Представьтесь
Поле обязательно для заполнения
Ваш телефон
Введите правильный номер телефона
E-mail
Введите правильный e-mail
Тема
Тема
применяемость финансирование доставка цена, наличие другое сервис и гарантия
Время для звонка
08:00
08:00 09:00 10:00 11:00 12:00 13:00 14:00 15:00 16:00 17:00 18:00 19:00
19:00
08:00 09:00 10:00 11:00 12:00 13:00 14:00 15:00 16:00 17:00 18:00 19:00

Мы постараемся перезвонить в указанное время

Если вы не хотите ждать, то звоните нашим вежливым консультантам:

8 800 100-2-700
Подтвердите, что вы не робот
Подтвердите, что вы не робот
Спасибо!

Ваше сообщение успешно отправлено!

ЗакрытьПовторить попытку