Каталог запасных частей к технике: Weichai WP12 DHP12N0219. Air Compressor Group

zoom-in zoom-out enlarge shrink circle-right circle-left file-text2 info cart arraw right arraw left zoom out zoom in arraw maximize arraw minimize
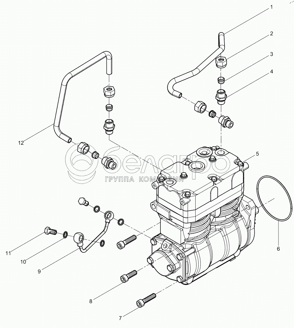
1
2
3
4
5
6
7
8
9
10
11
12
1
612630030034
Водоотводная труба компрессора
В узле: 1
2
612639000022
Соединительная гайка
В узле: 4
3
90003559563
Вкладыш уплотнительный
В узле: 4
4
612639000057
Двухтрубное соединение
В узле: 4
5
612630030405
Air Compressor Assembly
В узле: 1
6
612639000039
О-образное уплотнительное кольцо
В узле: 1
7
90013550004S
Inner hexagon screw
В узле: 2
8
90003862532S
Inner hexagon screw
В узле: 1
9
612630030037
Маслопровод двухцилиндрового воздушного компрессора
В узле: 1
10
612600080246
Seal washer
В узле: 4
11
612630030055
Болт полый
В узле: 2
12
612630030036
Впускная труба компрессора
В узле: 1
Содержащиеся в справочниках-каталогах запасные части и детали не предлагаются к продаже, а носят исключительно информационный характер

Ваша заявка была отправлена. В ближайшее время наши специалисты с Вами свяжутся по указанному Вами телефону.

Представьтесь
Поле обязательно для заполнения
Ваш телефон
Введите правильный номер телефона
E-mail
Введите правильный e-mail
Тема
Тема
применяемость финансирование доставка цена, наличие другое сервис и гарантия
Время для звонка
08:00
08:00 09:00 10:00 11:00 12:00 13:00 14:00 15:00 16:00 17:00 18:00 19:00
19:00
08:00 09:00 10:00 11:00 12:00 13:00 14:00 15:00 16:00 17:00 18:00 19:00

Мы постараемся перезвонить в указанное время

Если вы не хотите ждать, то звоните нашим вежливым консультантам:

8 800 100-2-700
Подтвердите, что вы не робот
Подтвердите, что вы не робот
Спасибо!

Ваше сообщение успешно отправлено!

ЗакрытьПовторить попытку