Каталог запасных частей к технике: Weichai WP6 DHB06G0131. Cooling water pipe assembly

zoom-in zoom-out enlarge shrink circle-right circle-left file-text2 info cart arraw right arraw left zoom out zoom in arraw maximize arraw minimize
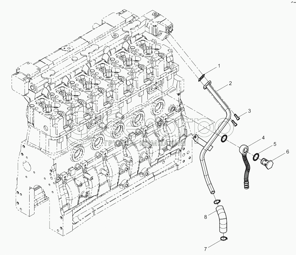
1
2
3
4
5
6
7
8
1
13033940
Intake manifold gasket
В узле: 1
2
13054758
Oilcooler water-outlet pipe
В узле: 1
3
01110560
Inner hexagon screw
В узле: 2
4
13035193
Water inlet pipe of oil cooler
В узле: 1
5
13034050
Unit seal washer
В узле: 2
6
13033424
Hollow bolt
В узле: 1
7
12151665
Хомут рукава
В узле: 2
8
13035095
Coolant Connecting Rubber Pipe
В узле: 1
Содержащиеся в справочниках-каталогах запасные части и детали не предлагаются к продаже, а носят исключительно информационный характер

Ваша заявка была отправлена. В ближайшее время наши специалисты с Вами свяжутся по указанному Вами телефону.

Представьтесь
Поле обязательно для заполнения
Ваш телефон
Введите правильный номер телефона
E-mail
Введите правильный e-mail
Тема
Тема
применяемость финансирование доставка цена, наличие другое сервис и гарантия
Время для звонка
08:00
08:00 09:00 10:00 11:00 12:00 13:00 14:00 15:00 16:00 17:00 18:00 19:00
19:00
08:00 09:00 10:00 11:00 12:00 13:00 14:00 15:00 16:00 17:00 18:00 19:00

Мы постараемся перезвонить в указанное время

Если вы не хотите ждать, то звоните нашим вежливым консультантам:

8 800 100-2-700
Подтвердите, что вы не робот
Подтвердите, что вы не робот
Спасибо!

Ваше сообщение успешно отправлено!

ЗакрытьПовторить попытку