Каталог запасных частей к технике: Weichai WP6D132E200. Alternator bracket assembly

zoom-in zoom-out enlarge shrink circle-right circle-left file-text2 info cart arraw right arraw left zoom out zoom in arraw maximize arraw minimize
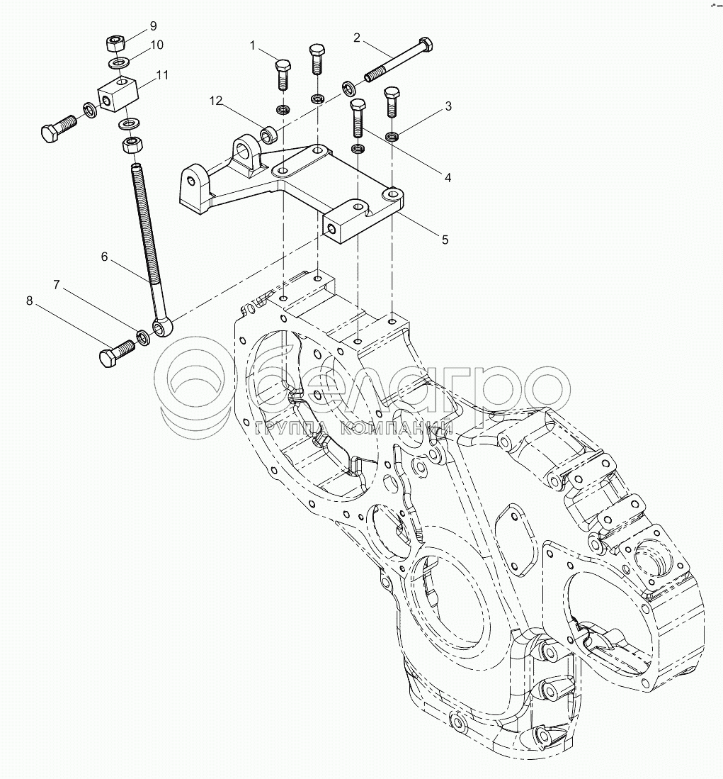
1
2
3
4
5
6
7
8
9
10
11
12
1
01112331
Шестиугольный головочный болт
В узле: 3
2
13024635
Винт с шестигранной уголовочной цилиндрической головкой
В узле: 1
3
01177981
Пружинная шайба
В узле: 4
4
01139584
Шестиугольный головочный болт
В узле: 1
5
13023056
Стойка генератора
В узле: 1
6
13023057
Натяжной болт генератора
В узле: 1
7
01178365
Пружинная шайба
В узле: 3
8
01112427
Шестиугольный головочный болт
В узле: 2
9
01139401
Шестигранная гайка
В узле: 2
10
01152752
Пластинчатая шайба
В узле: 2
11
13023058
Подставка под натяжной болт
В узле: 1
12
13023138
Проходная втулка
В узле: 1
Содержащиеся в справочниках-каталогах запасные части и детали не предлагаются к продаже, а носят исключительно информационный характер

Ваша заявка была отправлена. В ближайшее время наши специалисты с Вами свяжутся по указанному Вами телефону.

Представьтесь
Поле обязательно для заполнения
Ваш телефон
Введите правильный номер телефона
E-mail
Введите правильный e-mail
Тема
Тема
применяемость финансирование доставка цена, наличие другое сервис и гарантия
Время для звонка
08:00
08:00 09:00 10:00 11:00 12:00 13:00 14:00 15:00 16:00 17:00 18:00 19:00
19:00
08:00 09:00 10:00 11:00 12:00 13:00 14:00 15:00 16:00 17:00 18:00 19:00

Мы постараемся перезвонить в указанное время

Если вы не хотите ждать, то звоните нашим вежливым консультантам:

8 800 100-2-700
Подтвердите, что вы не робот
Подтвердите, что вы не робот
Спасибо!

Ваше сообщение успешно отправлено!

ЗакрытьПовторить попытку