Каталог запасных частей к технике: Weichai WP6D132E200. Engine Block Group

zoom-in zoom-out enlarge shrink circle-right circle-left file-text2 info cart arraw right arraw left zoom out zoom in arraw maximize arraw minimize
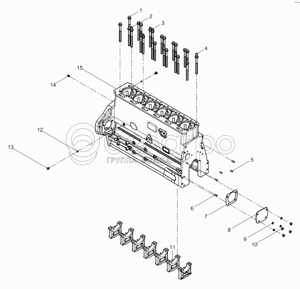
1
2
3
4
5
6
7
8
9
10
11
12
13
14
15
1
13054119
Cylinder head bolt
В узле: 16
2
13054252
Cylinder head bolt
В узле: 2
3
13054251
Cylinder head bolt
В узле: 4
4
13054125
Cylinder head bolt
В узле: 2
5
01105156
Цилиндрическая шпонка
В узле: 3
6
13033415
Straight pin
В узле: 2
7
13031544
Gasket
В узле: 1
8
13025795
Cover
В узле: 1
9
01178365
Пружинная шайба
В узле: 4
10
01139401
Шестигранная гайка
В узле: 4
11
01115413
Упругая цилиндрическая шпонка
В узле: 7
12
13057039
Unit seal washer
В узле: 2
13
01118952
Резьбовая пробка с шестиугольчатой головкой
В узле: 2
14
13022330
Вал
В узле: 1
15
13036068
Cylinder block subassembly
В узле: 1
Содержащиеся в справочниках-каталогах запасные части и детали не предлагаются к продаже, а носят исключительно информационный характер

Ваша заявка была отправлена. В ближайшее время наши специалисты с Вами свяжутся по указанному Вами телефону.

Представьтесь
Поле обязательно для заполнения
Ваш телефон
Введите правильный номер телефона
E-mail
Введите правильный e-mail
Тема
Тема
применяемость финансирование доставка цена, наличие другое сервис и гарантия
Время для звонка
08:00
08:00 09:00 10:00 11:00 12:00 13:00 14:00 15:00 16:00 17:00 18:00 19:00
19:00
08:00 09:00 10:00 11:00 12:00 13:00 14:00 15:00 16:00 17:00 18:00 19:00

Мы постараемся перезвонить в указанное время

Если вы не хотите ждать, то звоните нашим вежливым консультантам:

8 800 100-2-700
Подтвердите, что вы не робот
Подтвердите, что вы не робот
Спасибо!

Ваше сообщение успешно отправлено!

ЗакрытьПовторить попытку