Каталог запасных частей к технике: Weichai WP6G125E22. Cylinder block subassembly

zoom-in zoom-out enlarge shrink circle-right circle-left file-text2 info cart arraw right arraw left zoom out zoom in arraw maximize arraw minimize
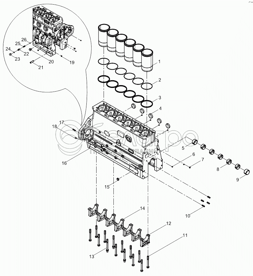
1
2
3
4
5
6
7
8
9
10
11
12
13
14
15
16
17
18
19
20
21
22
23
24
25
26
1
13056682
Cylinder liner
В узле: 6
2
01153804
О-образное уплотняющее кольцо
В узле: 12
3
01153805
О-образное уплотняющее кольцо
В узле: 12
4
01152717
Чашеобразная пробка
В узле: 5
5
12159599
Гильза кулачкового вала
В узле: 1
6
12151365
Пробка
В узле: 8
7
12273515
Пробка
В узле: 1
8
13032911
Camshaft bushing
В узле: 5
9
13032912
Camshaft bushing
В узле: 1
10
90003813532S
Stud
В узле: 4
11
13037380
Main bearing bolt
В узле: 10
12
12190135
Thrust bearing cover
В узле: 1
13
13037381
Main bearing bolt
В узле: 4
14
12188652
Main bearing cover
В узле: 6
15
13039690
Corehole plug
В узле: 1
16
13039535
Cylinder block
В узле: 1
17
01153348
Шпилька
В узле: 1
18
13039669
Straight pin
В узле: 1
19
12273557
Пробка
В узле: 2
20
01118952
Резьбовая пробка с шестиугольчатой головкой
В узле: 1
21
13031278
Sleeve
В узле: 1
22
12167053
Стержень винта
В узле: 1
23
12167057
Заглушка
В узле: 1
24
13023361
Составная уплотняющая шайба
В узле: 1
25
01221356
Пружина
В узле: 1
26
01116958
Шар
В узле: 1
Содержащиеся в справочниках-каталогах запасные части и детали не предлагаются к продаже, а носят исключительно информационный характер

Ваша заявка была отправлена. В ближайшее время наши специалисты с Вами свяжутся по указанному Вами телефону.

Представьтесь
Поле обязательно для заполнения
Ваш телефон
Введите правильный номер телефона
E-mail
Введите правильный e-mail
Тема
Тема
применяемость финансирование доставка цена, наличие другое сервис и гарантия
Время для звонка
08:00
08:00 09:00 10:00 11:00 12:00 13:00 14:00 15:00 16:00 17:00 18:00 19:00
19:00
08:00 09:00 10:00 11:00 12:00 13:00 14:00 15:00 16:00 17:00 18:00 19:00

Мы постараемся перезвонить в указанное время

Если вы не хотите ждать, то звоните нашим вежливым консультантам:

8 800 100-2-700
Подтвердите, что вы не робот
Подтвердите, что вы не робот
Спасибо!

Ваше сообщение успешно отправлено!

ЗакрытьПовторить попытку