Каталог запасных частей к технике: Weichai WP6G140E22. Fuel filter assembly

zoom-in zoom-out enlarge shrink circle-right circle-left file-text2 info cart arraw right arraw left zoom out zoom in arraw maximize arraw minimize
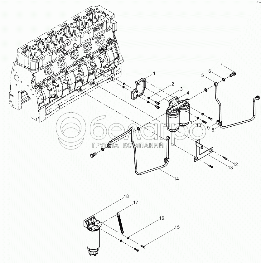
1
2
3
4
5
6
7
8
9
10
11
12
13
14
15
16
17
18
1
13024152
Стойка топливного фильтра
В узле: 1
2
01177981
Пружинная шайба
В узле: 4
3
01110560
Inner hexagon screw
В узле: 2
4
12189882
Блок топливного фильтра
В узле: 1
5
13031600
Fuel pipe assembly
В узле: 1
6
612600080200
Шайба уплотнительная
В узле: 4
7
01119243
Пустотелый болт
В узле: 2
8
13032541
Pipe Clamp Assembly
В узле: 2
9
13032540
Pipe Clamp Assembly
В узле: 2
10
01112416
Hexagon bolt
В узле: 2
11
01107284
Волнистая упругая шайба
В узле: 2
12
01112267
Шестиугольный головочный болт
В узле: 2
13
13035993
Fuel pipe bracket
В узле: 1
14
13031599
Fuel pipe assembly
В узле: 1
15
01151548
Hexagon bolt
В узле: 2
16
01151002
Пластичная шайба
В узле: 2
17
13026355
Fuel pipe
В узле: 1
18
612600081320
Fuel filter-water separator
В узле: 1
Содержащиеся в справочниках-каталогах запасные части и детали не предлагаются к продаже, а носят исключительно информационный характер

Ваша заявка была отправлена. В ближайшее время наши специалисты с Вами свяжутся по указанному Вами телефону.

Представьтесь
Поле обязательно для заполнения
Ваш телефон
Введите правильный номер телефона
E-mail
Введите правильный e-mail
Тема
Тема
применяемость финансирование доставка цена, наличие другое сервис и гарантия
Время для звонка
08:00
08:00 09:00 10:00 11:00 12:00 13:00 14:00 15:00 16:00 17:00 18:00 19:00
19:00
08:00 09:00 10:00 11:00 12:00 13:00 14:00 15:00 16:00 17:00 18:00 19:00

Мы постараемся перезвонить в указанное время

Если вы не хотите ждать, то звоните нашим вежливым консультантам:

8 800 100-2-700
Подтвердите, что вы не робот
Подтвердите, что вы не робот
Спасибо!

Ваше сообщение успешно отправлено!

ЗакрытьПовторить попытку