Каталог запасных частей к технике: Weichai WP7. Adding oil pipe combination group

zoom-in zoom-out enlarge shrink circle-right circle-left file-text2 info cart arraw right arraw left zoom out zoom in arraw maximize arraw minimize
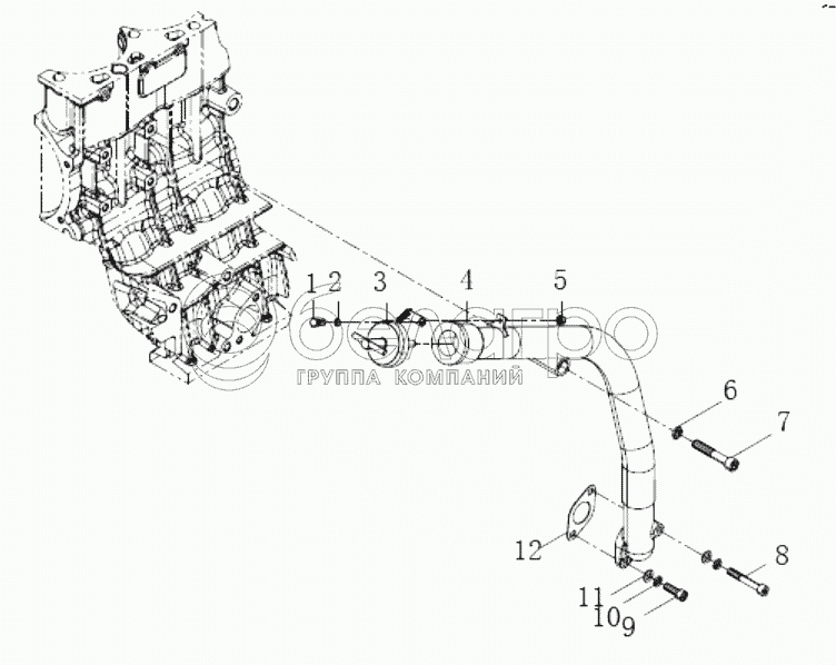
1
2
3
4
5
6
7
8
9
10
11
12
1
90003802321
Болт
В узле: 1
2
90014350003
Шайба пружинная
В узле: 1
3
612600010489
Крышка масляная
В узле: 1
4
610800010180
Oil filling pipe assembly
В узле: 1
5
90003871232
Гайка
В узле: 1
6
90003931122
Шайба
В узле: 1
7
AZ9003860002
Screw
В узле: 1
8
90003862456
Inner hexagon screw
В узле: 1
9
90003862428
Винт
В узле: 1
10
90003931102
Пружинная шайба
В узле: 2
11
90003930261
Шайба
В узле: 2
12
610800010099
Gasket
В узле: 1
Содержащиеся в справочниках-каталогах запасные части и детали не предлагаются к продаже, а носят исключительно информационный характер

Ваша заявка была отправлена. В ближайшее время наши специалисты с Вами свяжутся по указанному Вами телефону.

Представьтесь
Поле обязательно для заполнения
Ваш телефон
Введите правильный номер телефона
E-mail
Введите правильный e-mail
Тема
Тема
применяемость финансирование доставка цена, наличие другое сервис и гарантия
Время для звонка
08:00
08:00 09:00 10:00 11:00 12:00 13:00 14:00 15:00 16:00 17:00 18:00 19:00
19:00
08:00 09:00 10:00 11:00 12:00 13:00 14:00 15:00 16:00 17:00 18:00 19:00

Мы постараемся перезвонить в указанное время

Если вы не хотите ждать, то звоните нашим вежливым консультантам:

8 800 100-2-700
Подтвердите, что вы не робот
Подтвердите, что вы не робот
Спасибо!

Ваше сообщение успешно отправлено!

ЗакрытьПовторить попытку