Каталог запасных частей к технике: Weichai WP7. Water pump combination

zoom-in zoom-out enlarge shrink circle-right circle-left file-text2 info cart arraw right arraw left zoom out zoom in arraw maximize arraw minimize
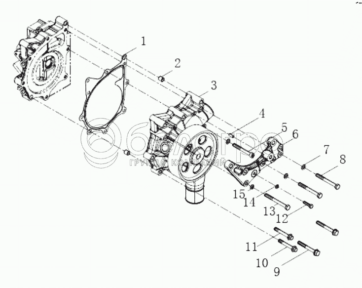
1
2
3
4
5
6
7
8
9
10
11
12
13
14
15
1
610800060204
Water pump washer
В узле: 1
2
610800060215
Locating sleeve
В узле: 2
3
610800060207
Water pump
В узле: 1
4
90003901314
Straight pin
В узле: 1
5
90003862466
Inner hexagon screw
В узле: 1
6
610800060271
Generator Bracket
В узле: 1
7
90003932023
Шайба пружинная
В узле: 3
8
90003800467
Болт
В узле: 2
9
90011420001
BOLT
В узле: 2
10
612639000086
Hexagon bolt
В узле: 1
11
90011410005
Hexagon Flange Bolt
В узле: 1
12
90011250002
Болт с шестигранной головкой
В узле: 1
13
90003800465
Болт
В узле: 1
14
90003932008
Волнистая шайба
В узле: 1
15
90003931102
Пружинная шайба
В узле: 1
Содержащиеся в справочниках-каталогах запасные части и детали не предлагаются к продаже, а носят исключительно информационный характер

Ваша заявка была отправлена. В ближайшее время наши специалисты с Вами свяжутся по указанному Вами телефону.

Представьтесь
Поле обязательно для заполнения
Ваш телефон
Введите правильный номер телефона
E-mail
Введите правильный e-mail
Тема
Тема
применяемость финансирование доставка цена, наличие другое сервис и гарантия
Время для звонка
08:00
08:00 09:00 10:00 11:00 12:00 13:00 14:00 15:00 16:00 17:00 18:00 19:00
19:00
08:00 09:00 10:00 11:00 12:00 13:00 14:00 15:00 16:00 17:00 18:00 19:00

Мы постараемся перезвонить в указанное время

Если вы не хотите ждать, то звоните нашим вежливым консультантам:

8 800 100-2-700
Подтвердите, что вы не робот
Подтвердите, что вы не робот
Спасибо!

Ваше сообщение успешно отправлено!

ЗакрытьПовторить попытку