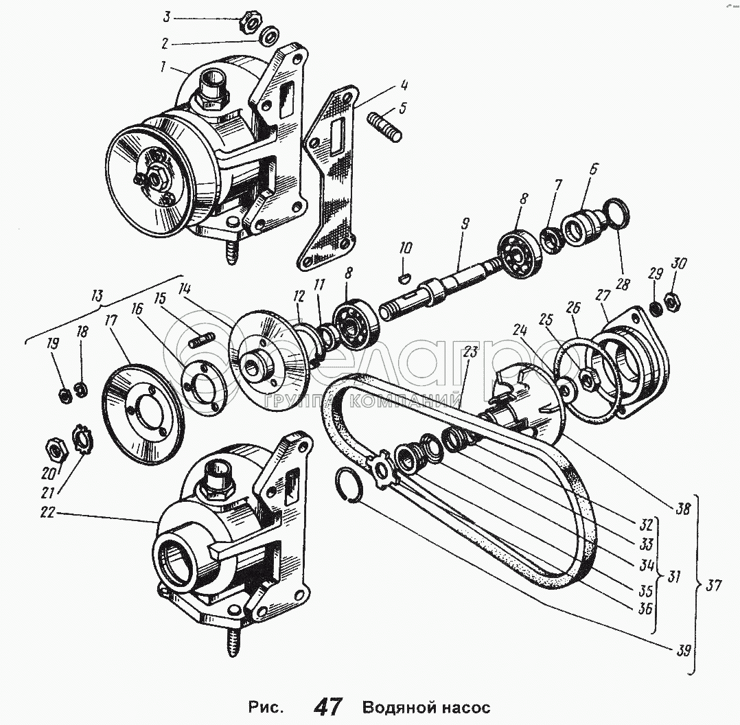
Каталог запасных частей к технике: ЯМЗ Общий (см. мод-ции). Водяной насос

zoom-in zoom-out enlarge shrink circle-right circle-left file-text2 info cart arraw right arraw left zoom out zoom in arraw maximize arraw minimize
1
2
3
4
5
6
7
8
8
9
10
11
12
13
14
15
16
17
18
19
20
21
22
23
24
25
26
27
28
29
30
31
32
33
34
35
36
37
38
39
1
236-1307010-А2
Насос водяной
В узле: 1
2
252136-П2
Шайба 10 пружинная
В узле: 4
3
250513-П29
Гайка
В узле: 4
4
236-1307048-А
Прокладка
В узле: 1
5
216259-П29
Шпилька
В узле: 4
6
236-1307017-В
Втулка корпуса
В узле: 1
7
201-1307026-А
Водосбрасыватель валика
В узле: 1
8
160703
Подшипник шариковый радиальный однорядный с односторонним уплотнением
В узле: 2
9
236-1307023-В
Валик
В узле: 1
10
314005-П2
Шпонка
В узле: 1
11
236-1307111
Втулка распорная
В узле: 1
12
236-1307081
Кольцо запорное
В узле: 1
13
236-1307212-Б3
Шкив привода насоса
В узле: 1
14
236-1307216-В
Ступица шкива
В узле: 1
15
310441-П29
Шпилька
В узле: 3
16
236-1307222
Прокладка регулировочная
В узле: 8
17
236-1307218-Б
Боковина шкива
В узле: 1
18
252134-П2
Шайба пружинная
В узле: 3
19
250508-П29
Гайка М6
В узле: 3
20
250636-П29
Гайка
В узле: 1
21
312536-П29
Шайба
В узле: 1
22
236-1307014-Г
Корпус водяного насоса в сборе
В узле: 1
23
236-1307170
Ремень привода насоса П-14х10х887
В узле: 1
24
312484-П
Шайба стопорная
В узле: 1
25
312115-П
Гайка колпачковая
В узле: 1
26
240Н-1115134
Кольцо уплотнительное
В узле: 1
27
236-1307045-Б
Крышка корпуса насоса
В узле: 1
28
236-1307043
Кольцо
В узле: 1
29
252135-П2
Шайба пружинная
В узле: 2
30
250511-П29
Гайка
В узле: 2
31
236-1307029-А
Комплект деталей для ремонта насоса
В узле: 1
32
201-1307034-А
Пружина торцового уплотнения
В узле: 1
33
201-1307037
Обойма манжеты малая
В узле: 1
34
240-1307036
Обойма манжеты торцового уплотнения большая
В узле: 1
35
240-1307038
Манжета торцового уплотнения водяного насоса
В узле: 1
36
236-1307035-А3
Кольцо упорное
В узле: 1
37
236-1307030-Б
Крыльчатка с манжетой в сборе
В узле: 1
38
236-1307032-Б
Крыльчатка
В узле: 1
39
236-1307033
Кольцо стопорное
В узле: 1
Содержащиеся в справочниках-каталогах запасные части и детали не предлагаются к продаже, а носят исключительно информационный характер

Ваша заявка была отправлена. В ближайшее время наши специалисты с Вами свяжутся по указанному Вами телефону.

Представьтесь
Поле обязательно для заполнения
Ваш телефон
Введите правильный номер телефона
E-mail
Введите правильный e-mail
Тема
Тема
применяемость финансирование доставка цена, наличие другое сервис и гарантия
Время для звонка
08:00
08:00 09:00 10:00 11:00 12:00 13:00 14:00 15:00 16:00 17:00 18:00 19:00
19:00
08:00 09:00 10:00 11:00 12:00 13:00 14:00 15:00 16:00 17:00 18:00 19:00

Мы постараемся перезвонить в указанное время

Если вы не хотите ждать, то звоните нашим вежливым консультантам:

8 800 100-2-700
Подтвердите, что вы не робот
Подтвердите, что вы не робот
Спасибо!

Ваше сообщение успешно отправлено!

ЗакрытьПовторить попытку