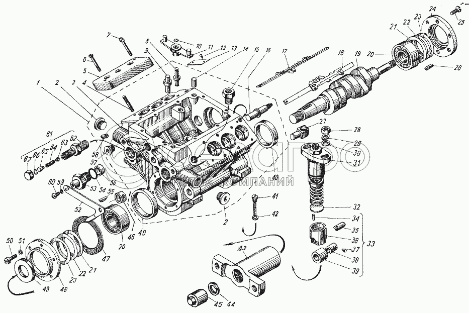
Каталог запасных частей к технике: ЯМЗ ТНВД-323, 324, 327. КОРПУС ТОПЛИВНОГО НАСОСА ВЫСОКОГО ДАВЛЕНИЯ

zoom-in zoom-out enlarge shrink circle-right circle-left file-text2 info cart arraw right arraw left zoom out zoom in arraw maximize arraw minimize
323.1111005-10
1
2
2
3
4
5
6
7
8
9
10
11
12
13
14
15
16
17
18
19
20
20
21
21
22
22
23
23
24
25
26
27
28
29
30
31
32
33
34
35
36
37
38
39
40
40
41
42
43
44
45
46
47
48
49
50
51
52
53
54
55
56
57
58
59
60
61
62
63
64
65
66
67
323.1111005-10
Топливный насос высокого давления в сборе
В узле: 1
1
323.1111020
Корпус насоса в сборе
В узле: 1
2
320-88802
Пробка М20
В узле: 2
3
323.1111025
Корпус насоса
В узле: 1
4
356-72095
Шпилька М10х1,25х22
В узле: 12
5
32.1111098
Кожух защитный
В узле: 2
6
870355-П29
Винт М6х32
В узле: 2
7
33.1111126
Винт
В узле: 2
8
335.1111410
Ось рычага реек
В узле: 1
9
33.1110469
Ось рычага пружины
В узле: 1
10
1/10877/76
Кольцо стопорное 05
В узле: 1
11
33.1111400
Рычаг реек
В узле: 1
12
33.1111910
Гвоздь нарезной
В узле: 2
13
323.3904016-10
Табличка
В узле: 1
14
1/03388/11
Штифт 10х22
В узле: 2
15
33.1111032
Ввертыш
В узле: 1
16
3321.1110676
Ось промежуточной шестерни регулятора
В узле: 1
17
323.1111180
Рейка правая
В узле: 1
18
323.1111181
Рейка левая
В узле: 1
19
323.1111055
Вал кулачковый
В узле: 1
20
6-7506A
Подшипник роликовый
В узле: 2
21
78.1111077
Прокладка
В узле: 2
22
78.1111078
Прокладка
В узле: 3
23
78.1111079
Прокладка
В узле: 2
24
337.1111074
Крышка подшипника задняя
В узле: 1
25
311200-П29
Винт
В узле: 6
26
870800-П
Шпонка 5х22
В узле: 1
27
323.1111028
Палец
В узле: 4
28
1/21647/21
Гайка М10
В узле: 12
29
1/05168/77
Шайба 010
В узле: 12
30
320-88727
Шайба 010
В узле: 12
31
323.1111039-01
Секция топливного насоса в сборе
В узле: 6
32
33.1111575
Пята толкателя
В узле: 6
33
337.1111110
Толкатель плунжера в сборе
В узле: 6
34
320-88620
Штифт 2,9х13
В узле: 6
35
337.1111124
Ось
В узле: 6
36
337.1111114
Толкатель
В узле: 6
37
33.1111117-01
Сухарь
В узле: 6
38
337.1111122-01
Втулка
В узле: 6
39
337.1111118
Ролик
В узле: 6
40
78.1111097
Втулка
В узле: 2
41
33.1111418
Винт стопорный
В узле: 2
42
870455-П
Шайба 08
В узле: 2
43
323.1111059-10
Полумуфта привода
В узле: 1
44
1/05174/74
Шайба Ф20
В узле: 1
45
320-24003
Гайка
В узле: 1
46
33.111042-10
Втулка рейки
В узле: 2
47
337.1111076
Прокладка
В узле: 1
48
337.1111072-21
Крышка подшипника передняя
В узле: 1
49
337.1111090
Манжета в сборе
В узле: 1
50
320-88145
Винт М8х20
В узле: 6
51
1/05166/77
Шайба 08
В узле: 6
52
323.1111056-30
Указатель
В узле: 1
53
320-31007
Пробка М27х1,5
В узле: 2
54
33.1112342
Кольцо уплотнительное
В узле: 2
55
320-35001
Шпонка 6х9
В узле: 1
56
33.1111042-01
Втулка рейки
В узле: 2
57
33.1111047-20
Пробка корпуса
В узле: 4
58
33.1111079-01
Жиклер
В узле: 1
59
1/11977/71
Шайба 06
В узле: 2
60
220102-П29
Винт М6х10
В узле: 2
61
338.1111140-20
Клапан перепускной в сборе
В узле: 1
62
338.1111142-10
Корпус клапана
В узле: 1
63
37.1111144
Клапан
В узле: 1
64
338.1111148-10
Пружина
В узле: 1
65
338.1111147-10
Упор
В узле: 1
66
338.111143
Кольцо запорное
В узле: 1
67
338.1111149
Гайка
В узле: 1
Содержащиеся в справочниках-каталогах запасные части и детали не предлагаются к продаже, а носят исключительно информационный характер

Ваша заявка была отправлена. В ближайшее время наши специалисты с Вами свяжутся по указанному Вами телефону.

Представьтесь
Поле обязательно для заполнения
Ваш телефон
Введите правильный номер телефона
E-mail
Введите правильный e-mail
Тема
Тема
применяемость финансирование доставка цена, наличие другое сервис и гарантия
Время для звонка
08:00
08:00 09:00 10:00 11:00 12:00 13:00 14:00 15:00 16:00 17:00 18:00 19:00
19:00
08:00 09:00 10:00 11:00 12:00 13:00 14:00 15:00 16:00 17:00 18:00 19:00

Мы постараемся перезвонить в указанное время

Если вы не хотите ждать, то звоните нашим вежливым консультантам:

8 800 100-2-700
Подтвердите, что вы не робот
Подтвердите, что вы не робот
Спасибо!

Ваше сообщение успешно отправлено!

ЗакрытьПовторить попытку