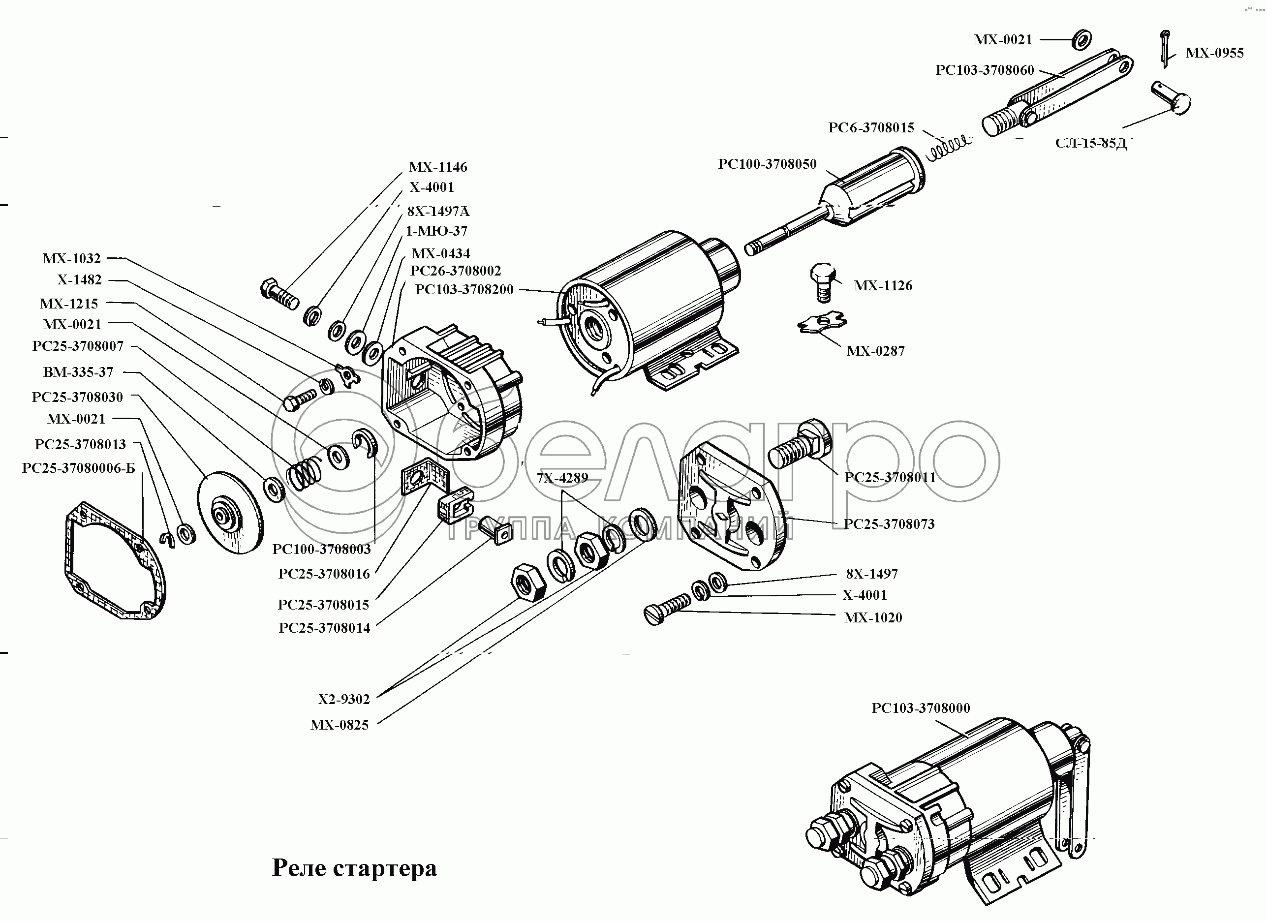
Каталог запасных частей к технике: ЯМЗ-236, -238, -238НБ. Реле стартера

zoom-in zoom-out enlarge shrink circle-right circle-left file-text2 info cart arraw right arraw left zoom out zoom in arraw maximize arraw minimize
РС103
РС25-3708013
РС25-3708006-Б
РС25-3708014
РС25-3708015
РС25-3708016
МХ-0434
РС26-3708002
РС103-3708200
РС25-3708030
РС25-3708073
РС25-3708011
МХ-0287
РС100-3708050
РС6-3708015
СЛ-15-85Д
РС103-3708060
Х2-9302
Х-1482
8Х-1497
8Х-1497
МХ-1020
7Х-4289
Х-4001
Х-4001
МХ-1126
МХ-0955
1-МЮ-37
МХ-0825
МХ-1215
МХ-1146
МХ-0021
МХ-0021
МХ-0021
ВМ-335-37
РС100-3708003
МХ-1032
РС25-3708007
РС103
Реле стартера
В узле: 1
РС25-3708013
Скоба
В узле: 1
РС25-3708006-Б
Прокладка
В узле: 1
РС25-3708014
Втулка
В узле: 1
РС25-3708015
Втулка
В узле: 1
РС25-3708016
Изоляция
В узле: 1
МХ-0434
Шайба изоляционная
В узле: 1
РС26-3708002
Корпус
В узле: 1
РС103-3708200
Катушка
В узле: 1
РС25-3708030
Диск контактный
В узле: 1
РС25-3708073
Крышка
В узле: 1
РС25-3708011
Болт контактный
В узле: 2
МХ-0287
Шайба стопорная
В узле: 4
РС100-3708050
Якорь
В узле: 1
РС6-3708015
Пружина
В узле: 1
СЛ-15-85Д
Штифт
В узле: 1
РС103-3708060
Винт
В узле: 1
Х2-9302
Гайка
В узле: 4
Х-1482
Шайба пружинная
В узле: 3
8Х-1497
Шайба
В узле: 5
МХ-1020
Винт
В узле: 4
7Х-4289
Шайба пружинная
В узле: 4
Х-4001
Шайба пружинная
В узле: 5
МХ-1126
Болт
В узле: 4
МХ-0955
Шплинт
В узле: 1
1-МЮ-37
Шайба
В узле: 1
МХ-0825
Шайба
В узле: 2
МХ-1215
Болт
В узле: 3
МХ-1146
Болт
В узле: 1
МХ-0021
Шайба
В узле: 3
ВМ-335-37
Шайба
В узле: 1
РС100-3708003
Шайба
В узле: 1
МХ-1032
Шайба
В узле: 3
РС25-3708007
Пружина
В узле: 1
Содержащиеся в справочниках-каталогах запасные части и детали не предлагаются к продаже, а носят исключительно информационный характер

Ваша заявка была отправлена. В ближайшее время наши специалисты с Вами свяжутся по указанному Вами телефону.

Представьтесь
Поле обязательно для заполнения
Ваш телефон
Введите правильный номер телефона
E-mail
Введите правильный e-mail
Тема
Тема
применяемость финансирование доставка цена, наличие другое сервис и гарантия
Время для звонка
08:00
08:00 09:00 10:00 11:00 12:00 13:00 14:00 15:00 16:00 17:00 18:00 19:00
19:00
08:00 09:00 10:00 11:00 12:00 13:00 14:00 15:00 16:00 17:00 18:00 19:00

Мы постараемся перезвонить в указанное время

Если вы не хотите ждать, то звоните нашим вежливым консультантам:

8 800 100-2-700
Подтвердите, что вы не робот
Подтвердите, что вы не робот
Спасибо!

Ваше сообщение успешно отправлено!

ЗакрытьПовторить попытку