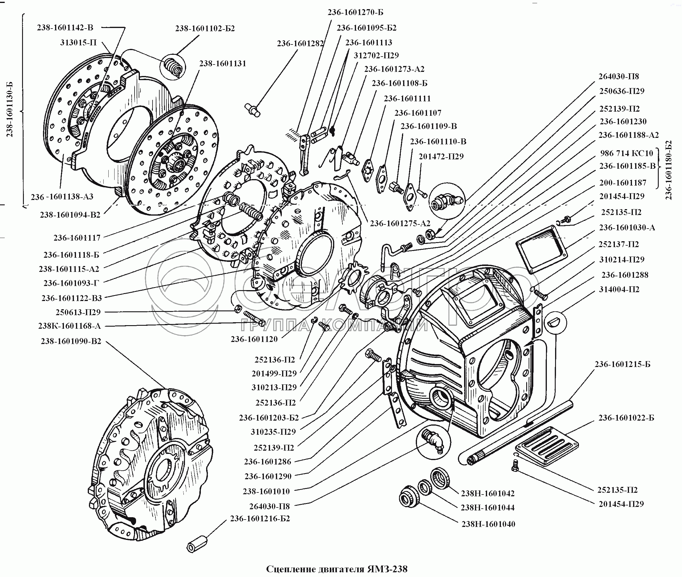
Каталог запасных частей к технике: ЯМЗ-236, -238, -238НБ. Сцепление двигателя ЯМЗ-238

zoom-in zoom-out enlarge shrink circle-right circle-left file-text2 info cart arraw right arraw left zoom out zoom in arraw maximize arraw minimize
236-1601282
236-1601120
238-1601142-В
313015-П
238-1601130-Б
236-1601138-А3
238-1601094-В2
236-1601117
236-1601118-Б
238-1601115-А2
236-1601093-Г
250613-П29
238К-1601168-А
238-1601102-Б2
238-1601131
236-1601203-Б2
236-1601270-Б
236-1601095-Б2
236-1601113
312702-П29
236-1601108-Б
236-1601111
236-1601107
236-1601109-В
236-1601110-В
201472-П29
238Н-1601042
236-1601122-В3
238-1601090-В2
236-1601275-А2
236-1601030-А
201499-П29
250636-П29
252136-П2
252136-П2
252137-П2
252135-П2
252135-П2
252139-П2
252139-П2
264030-П8
264030-П8
310213-П29
236-1601230
236-1601273-А2
236-1601188-А2
986714КС10
236-1601185-В
200-1601187
201454-П29
201454-П29
310214-П29
236-1601288
314004-П2
236-1601180-Б2
236-1601215-Б
236-1601022-Б
238Н-1601044
238Н-1601040
236-1601216-Б2
238-1601010
236-1601290
236-1601286
310235-П29
236-1601282
Штифт со стопорным кольцом
В узле: 2
236-1601120
Кольцо упорное
В узле: 1
238-1601142-В
Ступица
В узле: 2
313015-П
Заклепка
В узле: 80
238-1601130-Б
Диск ведомый передний в сборе
В узле: 1
236-1601138-А3
Накладка фрикционная
В узле: 4
238-1601094-В2
Диск ведущий средний
В узле: 1
236-1601117
Шайба
В узле: 24
236-1601118-Б
Прокладка
В узле: 24
238-1601115-А2
Пружина нажимная
В узле: 24
236-1601093-Г
Диск нажимной
В узле: 1
250613-П29
Гайка
В узле: 4
238К-1601168-А
Винт регулировочный
В узле: 4
238-1601102-Б2
Пружина
В узле: 4
238-1601131
Диск сцепления ведомый задний в сборе
В узле: 1
236-1601203-Б2
Вилка выключения сцепления
В узле: 1
236-1601270-Б
Ролик игольчатый
В узле: 160
236-1601095-Б2
Рычаг оттяжной
В узле: 4
236-1601113
Ось вилки рычага
В узле: 8
312702-П29
Шайба замковая
В узле: 16
236-1601108-Б
Вилка оттяжного рычага
В узле: 4
236-1601111
Пластина стопорная
В узле: 4
236-1601107
Планка стопорная
В узле: 4
236-1601109-В
Гайка вилки регулировочная
В узле: 4
236-1601110-В
Пластина опорная
В узле: 4
201472-П29
Болт
В узле: 8
238Н-1601042
Кольцо уплотнительное внутреннее
В узле: 1
236-1601122-В3
Кожух
В узле: 1
238-1601090-В2
Диск нажимной с кожухом
В узле: 1
236-1601275-А2
Петля пружины
В узле: 4
236-1601030-А
Крышка люка
В узле: 1
201499-П29
Болт 10-6gх30
В узле: 16
250636-П29
Гайка
В узле: 1
252136-П2
Шайба 10 пружинная
В узле: 17
252137-П2
Шайба пружинная
В узле: 12
252135-П2
Шайба пружинная
В узле: 8
252139-П2
Шайба пружинная
В узле: 9
264030-П8
Масленка
В узле: 3
310213-П29
Болт
В узле: 1
236-1601230
Шланг смазки подшипника в сборе
В узле: 1
236-1601273-А2
Пружина упорного кольца
В узле: 4
236-1601188-А2
Пружина муфты
В узле: 2
986714КС10
Подшипник
В узле: 1
236-1601185-В
Муфта
В узле: 1
200-1601187
Сухарь муфты
В узле: 2
201454-П29
Болт М8х16
В узле: 8
310214-П29
Болт
В узле: 12
236-1601288
Планка стопорная правая
В узле: 1
314004-П2
Шпонка
В узле: 1
236-1601180-Б2
Муфта выключения сцепления с подшипником в сборе
В узле: 1
236-1601215-Б
Вал вилки выключения сцепления
В узле: 1
236-1601022-Б
Крышка люка картера нижняя
В узле: 1
238Н-1601044
Кольцо уплотнительное наружное
В узле: 1
238Н-1601040
Корпус уплотнителя вала
В узле: 1
236-1601216-Б2
Втулка вала вилки
В узле: 2
238-1601010
Картер сцепления
В узле: 1
236-1601290
Планка стопорная левая
В узле: 1
236-1601286
Планка стопорная верхняя
В узле: 2
310235-П29
Болт
В узле: 8
Содержащиеся в справочниках-каталогах запасные части и детали не предлагаются к продаже, а носят исключительно информационный характер

Ваша заявка была отправлена. В ближайшее время наши специалисты с Вами свяжутся по указанному Вами телефону.

Представьтесь
Поле обязательно для заполнения
Ваш телефон
Введите правильный номер телефона
E-mail
Введите правильный e-mail
Тема
Тема
применяемость финансирование доставка цена, наличие другое сервис и гарантия
Время для звонка
08:00
08:00 09:00 10:00 11:00 12:00 13:00 14:00 15:00 16:00 17:00 18:00 19:00
19:00
08:00 09:00 10:00 11:00 12:00 13:00 14:00 15:00 16:00 17:00 18:00 19:00

Мы постараемся перезвонить в указанное время

Если вы не хотите ждать, то звоните нашим вежливым консультантам:

8 800 100-2-700
Подтвердите, что вы не робот
Подтвердите, что вы не робот
Спасибо!

Ваше сообщение успешно отправлено!

ЗакрытьПовторить попытку