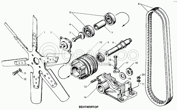
Каталог запасных частей к технике: ЯМЗ-236 ДК и ЯМЗ 238 АК. Вентилятор

zoom-in zoom-out enlarge shrink circle-right circle-left file-text2 info cart arraw right arraw left zoom out zoom in arraw maximize arraw minimize
1
2
4
6
7
8
9
10
11
11
12
13
14
15
16
17
18
20
1
238АК-1308012
Крыльчатка вентилятора
В узле: 1
2
238АК-1308121
Крышка
В узле: 1
4
840.1029140
Шайба упорная
В узле: 1
6
238АК-1308005
Комплект ремней привода вентилятора
В узле: 1
7
238-1308051
Втулка
В узле: 1
8
238АК-1308050
Ось привода вентилятора
В узле: 1
9
238Б-1029240
Манжета в сборе
В узле: 1
10
238АК-1308025
Шкив
В узле: 1
11
252136-П-2
Шайба
В узле: 7
12
201499-П29
Болт 10-6gх30
В узле: 4
13
216257-П29
Шпилька М10х22
В узле: 1
14
238АК-1308202
Опора привода вентилятора
В узле: 1
15
252006-П29
Шайба плоская
В узле: 1
16
200326-П29
Болт М10х85
В узле: 2
17
315454-П29
Кляммер
В узле: 1
18
311412-П29
Гайка
В узле: 1
20
250513-П29
Гайка
В узле: 2
Содержащиеся в справочниках-каталогах запасные части и детали не предлагаются к продаже, а носят исключительно информационный характер

Ваша заявка была отправлена. В ближайшее время наши специалисты с Вами свяжутся по указанному Вами телефону.

Представьтесь
Поле обязательно для заполнения
Ваш телефон
Введите правильный номер телефона
E-mail
Введите правильный e-mail
Тема
Тема
применяемость финансирование доставка цена, наличие другое сервис и гарантия
Время для звонка
08:00
08:00 09:00 10:00 11:00 12:00 13:00 14:00 15:00 16:00 17:00 18:00 19:00
19:00
08:00 09:00 10:00 11:00 12:00 13:00 14:00 15:00 16:00 17:00 18:00 19:00

Мы постараемся перезвонить в указанное время

Если вы не хотите ждать, то звоните нашим вежливым консультантам:

8 800 100-2-700
Подтвердите, что вы не робот
Подтвердите, что вы не робот
Спасибо!

Ваше сообщение успешно отправлено!

ЗакрытьПовторить попытку