Каталог запасных частей к технике: ЯМЗ-236 М2 и 238 М2. Генератор 1702.3771

zoom-in zoom-out enlarge shrink circle-right circle-left file-text2 info cart arraw right arraw left zoom out zoom in arraw maximize arraw minimize
1
2
3
3
3
3
3
3
3
4
5
6
7
8
9
10
10
11
12
13
14
15
16
17
18
18
19
19
20
21
22
23
24
25
26
27
28
29
30
31
32
33
34
35
37
38
39
40
41
42
43
581.3701326
Колодка штырьевая
В узле: 1
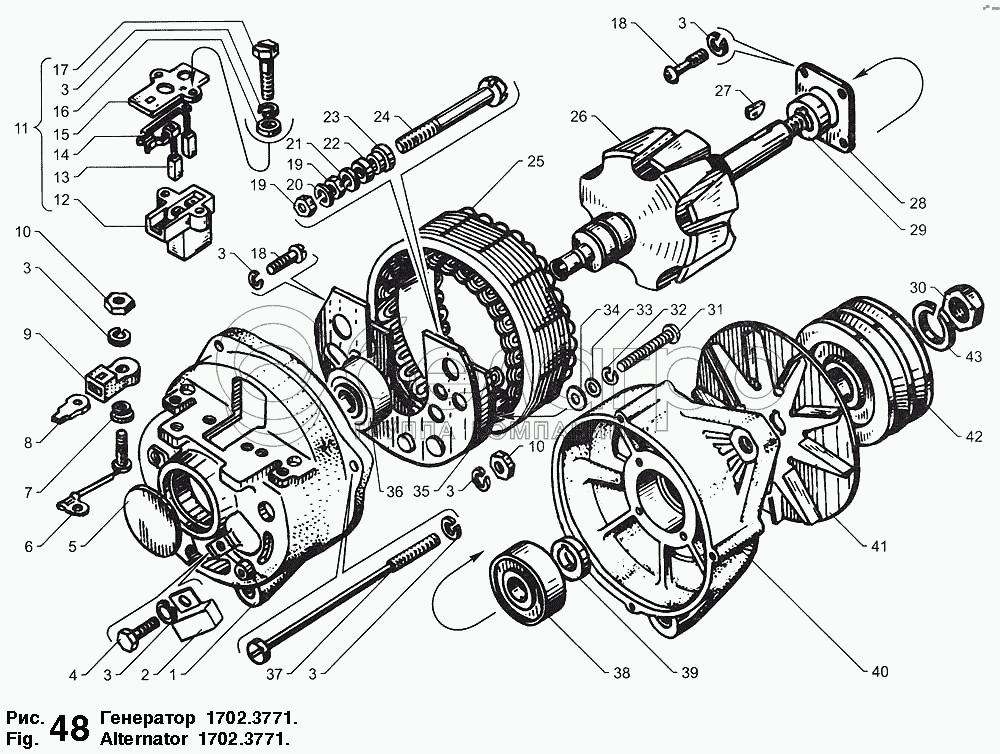
1702.3771010
Генератор в сборе
В узле: 1
6-180603КС9Ш1
Подшипник шариковый радиальный однорядный с двусторонним уплотнением
В узле: ---
В6-180502К1С9Ш1
Шариковый радиальный однорядный с двусторонним уплотнением
В узле: ---
1
1702.3771301
Крышка со стороны контактных колец в сборе
В узле: 1
2
Конденсатор К73-21-В-100В-2.2мкФ±20%
Конденсатор К73-21-В-100В-2.2мкФ±20%
В узле: 1
3
Х-4001-Т
Шайба
В узле: 17
4
МХ-1239
Болт
В узле: 1
5
1702.3771060
Крышка подшипника
В узле: 1
6
5817.3701150
Вывод
В узле: 2
7
РР127-3702005
Втулка
В узле: 2
8
292.3701009
Клемма соединительная
В узле: 2
9
292.3701013
Колодка
В узле: 2
10
Х-4003
Гайка
В узле: 5
11
Г250П1-3701010
Щеткодержатель в сборе
В узле: 1
12
Г250П1-3701011
Щеткодержатель
В узле: 1
13
Г250П1-3701020
Щетка
В узле: 1
14
Г250П1-3701030
Щетка
В узле: 1
15
Г250П1-3701012
Крышка щеткодержателя
В узле: 1
16
8Х-1497
Шайба
В узле: 2
17
Г250-3701016
Болт специальный
В узле: 2
18
МХ-0093
Винт
В узле: 5
19
8Х-1533
Гайка
В узле: 2
20
М11-40076-Т
Шайба
В узле: 1
21
Х-1482-Т
Шайба
В узле: 1
22
Г250-3701319А1-Т
Втулка изоляционная
В узле: 1
23
Г250И1-3701308
Втулка
В узле: 1
24
Г250-3701352А1-02
Болт контактный
В узле: 1
25
1702.3771100
Статор в сборе
В узле: 1
26
1702.3771200
Ротор в сборе
В узле: 1
27
4598241259
Шпонка
В узле: 1
28
Г250-3701404
Шайба специальная
В узле: 1
29
1702.3771216
Втулка распорная
В узле: 1
30
МХ-0235-01
Гайка
В узле: 1
31
МХ-1246
Винт
В узле: 2
32
Х-1012-Т
Шайба
В узле: 2
33
8Х-1496
Шайба
В узле: 2
34
МХ-1303-Т
Шайба
В узле: 2
35
ИАЕЮ.435.214.014-04ГП
Блок БПВ 46-65-02
В узле: 1
37
МХ-0139
Винт
В узле: 4
38
4619827142
Подшипник 6-180603КС9Ш1
В узле: 1
39
581.3701054
Втулка
В узле: 1
40
32.3701401
Крышка со стороны привода
В узле: 1
41
Г250Ж-3701055-10
Вентилятор
В узле: 1
42
1702.3771051
Шкив
В узле: 1
43
МХ-0234-Т
Шайба
В узле: 1
Содержащиеся в справочниках-каталогах запасные части и детали не предлагаются к продаже, а носят исключительно информационный характер

Ваша заявка была отправлена. В ближайшее время наши специалисты с Вами свяжутся по указанному Вами телефону.

Представьтесь
Поле обязательно для заполнения
Ваш телефон
Введите правильный номер телефона
E-mail
Введите правильный e-mail
Тема
Тема
применяемость финансирование доставка цена, наличие другое сервис и гарантия
Время для звонка
08:00
08:00 09:00 10:00 11:00 12:00 13:00 14:00 15:00 16:00 17:00 18:00 19:00
19:00
08:00 09:00 10:00 11:00 12:00 13:00 14:00 15:00 16:00 17:00 18:00 19:00

Мы постараемся перезвонить в указанное время

Если вы не хотите ждать, то звоните нашим вежливым консультантам:

8 800 100-2-700
Подтвердите, что вы не робот
Подтвердите, что вы не робот
Спасибо!

Ваше сообщение успешно отправлено!

ЗакрытьПовторить попытку