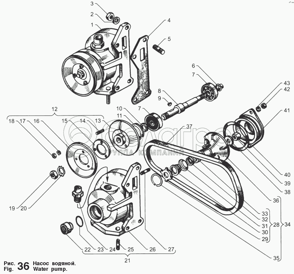
Каталог запасных частей к технике: ЯМЗ-236 М2 и 238 М2. Насос водяной

zoom-in zoom-out enlarge shrink circle-right circle-left file-text2 info cart arraw right arraw left zoom out zoom in arraw maximize arraw minimize
1
2
3
4
5
6
8
10
11
12
13
14
15
16
17
18
19
20
21
22
24
25
26
27
28
29
30
31
32
33
34
35
36
38
39
41
42
43
160703
Подшипник шариковый радиальный однорядный с односторонним уплотнением
В узле: ---
1
236-1307010-А3
Насос водяной в сборе
В узле: 1
2
252136-П2
Шайба 10 пружинная
В узле: 4
3
250513-П29
Гайка
В узле: 4
4
236-1307048-А
Прокладка
В узле: 1
5
216259-П29
Шпилька
В узле: 4
6
201-1307026-А
Водосбрасыватель валика
В узле: 1
8
236-1307023-В2
Валик
В узле: 1
10
236-1307111
Втулка распорная
В узле: 1
11
236-1307081
Кольцо запорное
В узле: 1
12
236-1307212-Б3
Шкив привода насоса
В узле: 1
13
236-1307216-В
Ступица шкива
В узле: 1
14
310403-П29
Шпилька
В узле: 3
15
236-1307222-Б
Прокладка шкива регулировочная
В узле: 8
16
236-1307218-Б3
Боковина шкива
В узле: 1
17
252135-П2
Шайба пружинная
В узле: 3
18
250510-П29
Гайка
В узле: 3
19
250636-П29
Гайка
В узле: 1
20
312536-П29
Шайба
В узле: 1
21
236-1307014-Г
Корпус водяного насоса в сборе
В узле: 1
22
236-1307017-В
Втулка корпуса
В узле: 1
24
236-1306082
Штуцер трубки слива масла
В узле: 1
25
216258-П29
Шпилька
В узле: 2
26
236-1307015-Г
Корпус
В узле: 1
27
216233-П29
Шпилька
В узле: 2
28
236-1307029
Манжета, большая и малая обоймы манжеты,упорное кольцо и пружина манжеты (комплект для ремонта)
В узле: 1
29
236-1307035-А3
Кольцо упорное
В узле: 1
30
240-1307038
Манжета торцового уплотнения водяного насоса
В узле: 1
31
240-1307036
Обойма манжеты торцового уплотнения большая
В узле: 1
32
201-1307037
Обойма манжеты малая
В узле: 1
33
201-1307034-А
Пружина торцового уплотнения
В узле: 1
34
236-1307030-Б
Крыльчатка с манжетой в сборе
В узле: 1
35
236-1307033
Кольцо стопорное
В узле: 1
36
236-1307032-Б
Крыльчатка
В узле: 1
38
312484-П
Шайба стопорная
В узле: 1
39
312115-П
Гайка колпачковая
В узле: 1
41
236-1307045-Б
Крышка корпуса насоса
В узле: 1
42
250511-П29
Гайка
В узле: 2
43
252135-П2
Шайба пружинная
В узле: 2
Содержащиеся в справочниках-каталогах запасные части и детали не предлагаются к продаже, а носят исключительно информационный характер

Ваша заявка была отправлена. В ближайшее время наши специалисты с Вами свяжутся по указанному Вами телефону.

Представьтесь
Поле обязательно для заполнения
Ваш телефон
Введите правильный номер телефона
E-mail
Введите правильный e-mail
Тема
Тема
применяемость финансирование доставка цена, наличие другое сервис и гарантия
Время для звонка
08:00
08:00 09:00 10:00 11:00 12:00 13:00 14:00 15:00 16:00 17:00 18:00 19:00
19:00
08:00 09:00 10:00 11:00 12:00 13:00 14:00 15:00 16:00 17:00 18:00 19:00

Мы постараемся перезвонить в указанное время

Если вы не хотите ждать, то звоните нашим вежливым консультантам:

8 800 100-2-700
Подтвердите, что вы не робот
Подтвердите, что вы не робот
Спасибо!

Ваше сообщение успешно отправлено!

ЗакрытьПовторить попытку