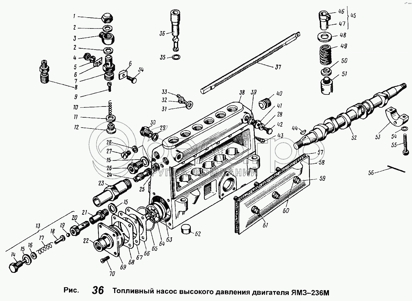
Каталог запасных частей к технике: ЯМЗ-236 М. Топливный насос высокого давления двигателя ЯМЗ-236М

zoom-in zoom-out enlarge shrink circle-right circle-left file-text2 info cart arraw right arraw left zoom out zoom in arraw maximize arraw minimize
1
2
2
3
4
5
6
6
7
8
9
10
11
12
13
14
15
15
15
16
17
18
19
20
21
22
23
24
25
26
27
28
28
29
30
31
32
33
34
35
36
37
38
39
40
41
42
43
44
45
46
47
48
49
50
51
52
53
54
55
56
57
58
59
60
61
62
63
64
65
66
67
68
69
70
60.1111073
Пара плунжерная с кольцом
В узле: 6
60.1111020
Корпус насоса
В узле: 1
60.1111005-20
Топливный насос высокого давления
В узле: 1
60.1111005
Топливный насос высокого давления
В узле: 1
1
312107-П15
Гайка колпачковая
В узле: 6
2
312450-П
Шайба
В узле: 12
3
236-1111116
Ниппель
В узле: 6
4
250508-П29
Гайка М6
В узле: 3
5
252134-П29
Шайба пружинная
В узле: 4
6
236-1111120
Сухарь
В узле: 6
7
60.1111118
Штуцер
В узле: 6
8
60.1111118-20
Штуцер топливного насоса
В узле: 6
9
60.1111113-10
Упор клапана
В узле: 6
10
33.1111108
Пружина нагнетательного клапана
В узле: 6
11
236-1111086
Прокладка нагнетательного клапана
В узле: 6
12
33.1111102
Клапан нагнетательный
В узле: 6
13
33.1111282
Клапан перепускной в сборе
В узле: 1
14
33.1111301
Пробка
В узле: 1
15
312630-П
Шайба
В узле: 3
16
870617-П
Шайба регулировочная
В узле: 3
17
33.1111289
Пружина клапана
В узле: 1
18
33.1111290
Направляющая клапана
В узле: 1
19
33.1111325
Шарик Б 6,35 мм
В узле: 1
20
33.1111285
Корпус клапана
В узле: 1
21
60.1111286
Ввертыш клапана
В узле: 1
22
236-1111186-А3
Манжета крышки подшипника
В узле: 1
23
236-1111238-Е
Втулка ограничителя мощности
В узле: 1
24
236-1111249-В
Винт ограничителя мощности
В узле: 1
25
236-1111245
Кольцо уплотнительное
В узле: 1
26
236-1111032
Ввертыш корпуса
В узле: 1
27
310704-П29
Винт
В узле: 2
28
312446-П
Шайба
В узле: 4
29
312445-П
Шайба
В узле: 2
30
236М-1111034-А
Ввертыш корпуса
В узле: 2
31
312353-П
Шайба
В узле: 1
32
310952-П15
Винт
В узле: 1
33
236-1111154-А
Стопор винта
В узле: 1
34
201426-П29
Болт
В узле: 4
35
236М-1111083-А
Кольцо уплотнительное втулки плунжера
В узле: 6
36
60.1111074-01
Пара плунжерная
В узле: 6
37
Рейка
Рейка
В узле: 1
38
236-1111020-В2
Корпус насоса
В узле: 1
39
312449-П
Шайба
В узле: 2
40
236-1111050
Пробка корпуса
В узле: 2
41
236-1111036
Ввертыш корпуса
В узле: 2
42
852882-П15
Пробка спуска воздуха
В узле: 4
43
236-1111122
Винт установочный втулки плунжера
В узле: 6
44
314019-П
Шпонка сегментная
В узле: 2
45
236-1111060
Венец зубчатый с втулкой
В узле: 6
46
236-1111062
Венец зубчатый
В узле: 6
47
236-1111064
Втулка венца
В узле: 6
48
236-1111150-Б
Тарелка пружины толкателя верхняя
В узле: 6
49
236-1111148-Б
Пружина толкателя
В узле: 6
50
236-1111151-Е
Тарелка нижняя
В узле: 6
51
236-1111136
Толкатель плунжера
В узле: 6
52
60.1111172-10
Вал кулачковый
В узле: 1
53
236-1111177-Б
Опора кулачкового вала
В узле: 1
54
005-008-19-2-2
Кольцо уплотнительное
В узле: 2
55
852007-П15
Болт
В узле: 2
56
852702-П
Шплинт-проволока
В узле: 1
57
236-1111226-А2
Прокладка крышки
В узле: 1
58
60.1111222
Крышка насоса высокого давления
В узле: 1
59
236-1111227-Б
Винт крепления крышки
В узле: 2
60
312651-П
Шайба
В узле: 3
61
236-1111229-Б
Винт крепления крышки
В узле: 1
62
236-1111027
Заглушка чашечная
В узле: 6
63
3124394115
Шайба
В узле: 2
64
7204А
Подшипник роликовый конический однорядный 20х47х15
В узле: 2
65
236-1111196
Кольцо уплотнительное
В узле: 1
66
60.1111280-10
Указатель начала подачи топлива
В узле: 1
67
236-1111194
Прокладка крышки
В узле: 3
68
236-1111193
Прокладка крышки
В узле: 9
69
236-1111182-А2
Крышка подшипника
В узле: 1
70
311200-П29
Винт
В узле: 4
Содержащиеся в справочниках-каталогах запасные части и детали не предлагаются к продаже, а носят исключительно информационный характер

Ваша заявка была отправлена. В ближайшее время наши специалисты с Вами свяжутся по указанному Вами телефону.

Представьтесь
Поле обязательно для заполнения
Ваш телефон
Введите правильный номер телефона
E-mail
Введите правильный e-mail
Тема
Тема
применяемость финансирование доставка цена, наличие другое сервис и гарантия
Время для звонка
08:00
08:00 09:00 10:00 11:00 12:00 13:00 14:00 15:00 16:00 17:00 18:00 19:00
19:00
08:00 09:00 10:00 11:00 12:00 13:00 14:00 15:00 16:00 17:00 18:00 19:00

Мы постараемся перезвонить в указанное время

Если вы не хотите ждать, то звоните нашим вежливым консультантам:

8 800 100-2-700
Подтвердите, что вы не робот
Подтвердите, что вы не робот
Спасибо!

Ваше сообщение успешно отправлено!

ЗакрытьПовторить попытку