Каталог запасных частей к технике: ЯМЗ-236М2. Блок цилиндров

zoom-in zoom-out enlarge shrink circle-right circle-left file-text2 info cart arraw right arraw left zoom out zoom in arraw maximize arraw minimize
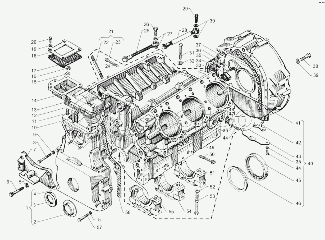
1
2
3
3
3
3
4
5
5
6
7
8
9
10
11
12
13
14
15
16
17
18
19
20
21
22
23
24
25
26
27
28
29
30
31
32
33
34
35
35
35
36
37
38
39
40
40
41
41
42
43
44
44
45
45
45
45
46
47
48
49
50
51
52
53
54
55
56
57
8.9211
Шайба резинометаллическая
В узле: 2
236-1011358-А
Прокладка фланца
В узле: 1
236-1002227-А2
Ввертыш крышки
В узле: 6
1
236-1002261-В2
Крышка шестерен распределения в сборе
В узле: 1
2
236-1002272
Маслоотражатель крышки шестерен
В узле: 1
3
8.9383
Манжета в сборе
В узле: 1
3
201-1005034-Б6
Манжета в сборе
В узле: 1
3
8.9168
Манжета в сборе
В узле: 1
3
8.9402
Манжета в сборе
В узле: 1
4
236-1002264-Г
Крышка
В узле: 1
5
252016-П29
Шайба
В узле: 10
6
200827-П29
Болт
В узле: 6
7
236-1001020-А4
Кронштейн передней опоры
В узле: 1
8
200325-П29
Болт
В узле: 2
9
312647-П2
Шайба
В узле: 2
10
216344-П29
Шпилька
В узле: 2
11
216262-П29
Шпилька
В узле: 1
12
238АК-1002266
Прокладка правая
В узле: 1
13
236-1002258-А3
Прокладка верхней крышки блока
В узле: 1
14
236-1002255-В4
Крышка блока верхняя в сборе
В узле: 1
15
312534-П2
Шайба замковая
В узле: 1
16
250513-П29
Гайка
В узле: 3
17
236-1002283-А
Прокладка с сеткой в сборе
В узле: 1
18
236-1002282-Б
Заглушка
В узле: 1
19
312300-П2
Шайба
В узле: 4
20
201499-П29
Болт 10-6gх30
В узле: 4
21
236-1002012-Е
Блок цилиндров в сборе
В узле: 1
22
7511.1003016-20
Шпилька крепления головки цилиндров L=205 мм
В узле: 32
23
236-1002011-С
Блок цилиндров в сборе
В узле: 1
24
236-1005180-А
Болт стяжной короткий
В узле: 4
25
236-1111620-В
Трубка отвода масла от топливного насоса
В узле: 1
26
310264-П29
Болт
В узле: 2
27
8.9294
Шайба резинометаллическая
В узле: 4
28
236-1111614-А
Трубка подвода масла к топливному насосу
В узле: 1
29
310122-П2
Болт М10х1х22
В узле: 2
30
312482-П34
Шайба
В узле: 2
31
200276-П29
Болт М8х85
В узле: 4
32
312356-П29
Шайба 8
В узле: 4
33
850.1303188
Прокладка
В узле: 1
34
238Н-1002084
Заглушка
В узле: 1
35
252006-П29
Шайба плоская
В узле: 2
36
201495-П29
Болт М10х20
В узле: 2
37
236-1002314-В
Прокладка
В узле: 1
38
310044-П29
Болт
В узле: 10
39
312394-П2
Шайба
В узле: 10
40
238-1002311-A3
Картер маховика в сборе
В узле: 1
40
236-1002311-A3
Картер маховика в сборе
В узле: 1
41
238-1002312-В8
Картер маховика
В узле: 1
41
236-1002312-В5
Картер маховика
В узле: 1
42
236-1002333
Указатель верхней мертвой точки поршня
В узле: 1
43
236-1002318
Крышка люка картера
В узле: 1
44
201454-П29
Болт М8х16
В узле: 18
45
236-1005160-А6
Манжета в сборе
В узле: 1
45
8.9167
Манжета в сборе
В узле: 1
45
8.9384
Манжета в сборе
В узле: 1
45
8.9382
Манжета в сборе
В узле: 1
46
236-1002315
Маслоотражатель
В узле: 1
47
236-1002404
Заглушка
В узле: 7
48
201-1306075-А
Прокладка
В узле: 6
49
236Н-1002015-М
Блок цилиндров
В узле: 1
50
236-1005178-А
Болт стяжной длинный
В узле: 4
51
236-1005152-Г
Крышка заднего подшипника коленчатого вала
В узле: 1
52
312304-П
Шайба
В узле: 8
53
236-1005159
Болт крышки коренного подшипника
В узле: 8
54
236-1005143-В
Крышка промежуточного подшипника коленчатого вала
В узле: 3
55
236-1005140-В
Крышка переднего подшипника коленчатого вала
В узле: 1
56
238АК-1002265
Прокладка крышки шестерен распределения левая
В узле: 1
57
200822-П29
Болт
В узле: 4
Содержащиеся в справочниках-каталогах запасные части и детали не предлагаются к продаже, а носят исключительно информационный характер

Ваша заявка была отправлена. В ближайшее время наши специалисты с Вами свяжутся по указанному Вами телефону.

Представьтесь
Поле обязательно для заполнения
Ваш телефон
Введите правильный номер телефона
E-mail
Введите правильный e-mail
Тема
Тема
применяемость финансирование доставка цена, наличие другое сервис и гарантия
Время для звонка
08:00
08:00 09:00 10:00 11:00 12:00 13:00 14:00 15:00 16:00 17:00 18:00 19:00
19:00
08:00 09:00 10:00 11:00 12:00 13:00 14:00 15:00 16:00 17:00 18:00 19:00

Мы постараемся перезвонить в указанное время

Если вы не хотите ждать, то звоните нашим вежливым консультантам:

8 800 100-2-700
Подтвердите, что вы не робот
Подтвердите, что вы не робот
Спасибо!

Ваше сообщение успешно отправлено!

ЗакрытьПовторить попытку