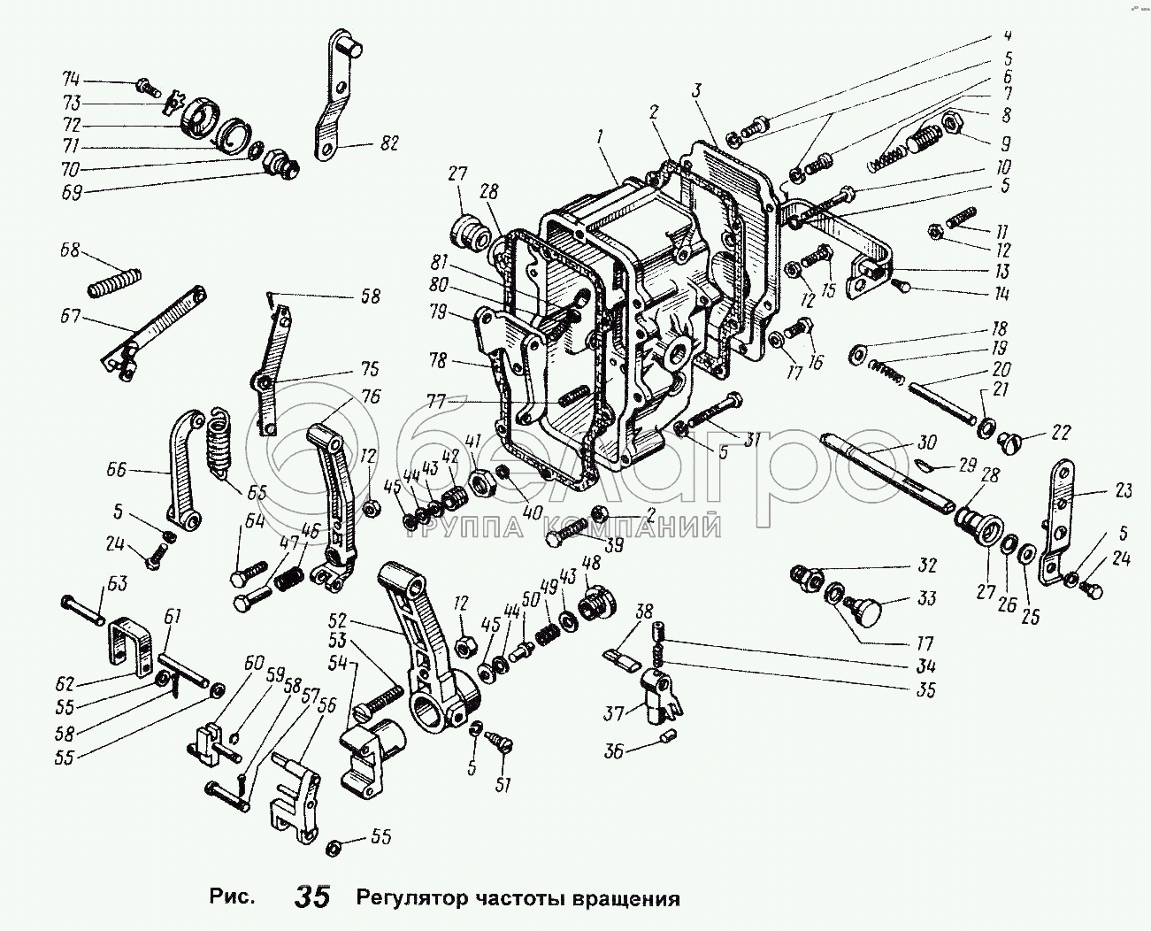
Каталог запасных частей к технике: ЯМЗ-238 АМ. Регулятор частоты вращения

zoom-in zoom-out enlarge shrink circle-right circle-left file-text2 info cart arraw right arraw left zoom out zoom in arraw maximize arraw minimize
1
2
2
3
4
5
5
5
5
5
5
6
7
8
9
10
11
12
12
12
12
13
14
15
16
17
17
18
19
20
21
22
23
24
24
25
26
27
27
28
28
29
30
31
32
33
34
35
36
37
38
39
40
41
42
43
43
44
44
45
45
46
47
47
48
49
50
51
52
53
54
55
55
55
56
57
58
58
58
59
60
61
62
63
64
65
66
67
68
69
70
71
72
73
74
75
76
77
78
79
80
81
82
236-1110443-Б
Рычаг рейки в сборе
В узле: 1
201416-П29
Болт М6х12
В узле: 1
805.1110380
Скоба кулисы
В узле: 1
1
60.1110129
Крышка регулятора
В узле: 1
2
236-1110499-А3
Прокладка крышки смотрового люка
В узле: 1
3
60.1110498
Крышка смотрового люка
В узле: 1
4
310611-П15
Винт
В узле: 3
5
252154-П29
Шайба пружинная
В узле: 17
6
236-1110500
Винт крепления крышки смотрового люка
В узле: 4
7
236-1110490
Пружина буферная
В узле: 1
8
60.1110492
Корпус буферной пружины
В узле: 1
9
311511-П15
Гайка
В узле: 1
10
310612-П15
Винт
В узле: 1
11
236-1110200
Винт регулировочный
В узле: 1
12
250508-П29
Гайка М6
В узле: 1
13
80.1110380
Скоба кулисы
В узле: 1
14
852000-П29
Болт
В узле: 1
15
310142-Ш5
Болт регулировочный
В узле: 1
16
222580-П29
Винт
В узле: 1
17
312353-П
Шайба
В узле: 2
18
312700-П15
Шайба
В узле: 1
19
236-1110089
Пружина компенсационная
В узле: 1
20
236-1110088
Ось рычагов
В узле: 1
21
312446-П
Шайба
В узле: 2
22
310608-П15
Винт-заглушка
В узле: 2
23
236-1110149-Б3
Рычаг управления регулятором
В узле: 1
24
201418-П29
Болт М6х16
В узле: 1
25
312347-П15
Шайба
В узле: 1
26
236-1110482
Кольцо уплотнительное
В узле: 1
27
236-1110476-Б
Втулка вала рычага пружины
В узле: 2
28
236-1110479
Кольцо уплотнительное втулки вала рычага
В узле: 2
29
314003-П
Шпонка сегментная
В узле: 1
30
236-1110467
Вал рычага пружины
В узле: 1
31
222539-П15
Винт
В узле: 5
32
236-1110392
Ввертыш оси скобы
В узле: 1
33
236-1110390
Ось скобы
В узле: 1
34
236-1110372-Б
Фиксатор кулисы
В узле: 1
35
236-1110374-Б
Пружина фиксатора
В узле: 1
36
60.1110220
Ползун кулисы
В узле: 1
37
60.1110132
Кулиса
В узле: 1
38
236-1110136-Б
Ось кулисы
В узле: 1
39
852002-П15
Болт регулировочный
В узле: 1
40
236-1110418
Кольцо пружинное упорное
В узле: 1
41
311512-П15
Гайка
В узле: 1
42
236-1110416
Корпус пружины корректора
В узле: 1
43
312652-П15
Шайба регулировочная
В узле: 4
44
236-1110141
Шайба регулировочная
В узле: 6
45
236-1110140
Шайба регулировочная
В узле: 4
46
236-1110414
Пружина корректора
В узле: 1
47
805.1110412
Корректор
В узле: 1
47
236-1110412
Корректор
В узле: 1
48
852881-П15
Пробка
В узле: 1
49
240Б-1110414
Пружина корректора
В узле: 1
50
60.1110264
Упор пружины
В узле: 1
51
852351-П15
Винт стопорный
В узле: 1
52
60.1110406
Рычаг регулятора
В узле: 1
53
852350-П15
Винт
В узле: 1
54
60.1110263
Втулка корректора в сборе
В узле: 1
55
312370-П15
Шайба
В узле: 1
56
60.1110266
Рычаг корректора со штифтом в сборе
В узле: 1
57
852780-П15
Палец
В узле: 1
58
258012-П15
Шплинт
В узле: 1
59
60.1110265
Кольцо пружинное
В узле: 1
60
60.1110223-01
Кулиса корректора
В узле: 1
61
236-1110066
Ось пяты упорной
В узле: 1
62
236-1110433
Серьга регулятора
В узле: 1
63
317849-П5
Палец
В узле: 1
64
310305-П15
Болт регулировочный
В узле: 1
65
236-1110462
Пружина регулятора
В узле: 1
66
236-1110466-А
Рычаг пружины
В узле: 1
67
236-1110454
Тяга рейки с планкой в сборе
В узле: 1
68
236-1110448
Пружина рычага рейки
В узле: 1
69
236-1110134-Б
Ввертыш оси кулисы
В узле: 1
70
236-1110394
Кольцо уплотнительное в сборе
В узле: 1
71
236-1110396
Пружина скобы кулисы возвратная
В узле: 1
72
236-1110398
Крышка возвратной пружины
В узле: 1
73
236-1110262
Шайба скобы кулисы
В узле: 1
74
236-1110376
Ось рычага останова
В узле: 1
75
60.1110443
Рычаг рейки
В узле: 1
76
238НБ-1110406-А2
Рычаг регулятора
В узле: 1
77
852358-П29
Винт регулировочный
В узле: 1
78
236-1110154-А
Прокладка крышки регулятора
В узле: 1
79
236-1110080
Рычаг двуплечий
В узле: 1
80
242519-П15
Винт
В узле: 1
81
250511-П15
Гайка
В узле: 1
82
238НБ-1110149-А
Рычаг управления регулятором
В узле: 1
Содержащиеся в справочниках-каталогах запасные части и детали не предлагаются к продаже, а носят исключительно информационный характер

Ваша заявка была отправлена. В ближайшее время наши специалисты с Вами свяжутся по указанному Вами телефону.

Представьтесь
Поле обязательно для заполнения
Ваш телефон
Введите правильный номер телефона
E-mail
Введите правильный e-mail
Тема
Тема
применяемость финансирование доставка цена, наличие другое сервис и гарантия
Время для звонка
08:00
08:00 09:00 10:00 11:00 12:00 13:00 14:00 15:00 16:00 17:00 18:00 19:00
19:00
08:00 09:00 10:00 11:00 12:00 13:00 14:00 15:00 16:00 17:00 18:00 19:00

Мы постараемся перезвонить в указанное время

Если вы не хотите ждать, то звоните нашим вежливым консультантам:

8 800 100-2-700
Подтвердите, что вы не робот
Подтвердите, что вы не робот
Спасибо!

Ваше сообщение успешно отправлено!

ЗакрытьПовторить попытку