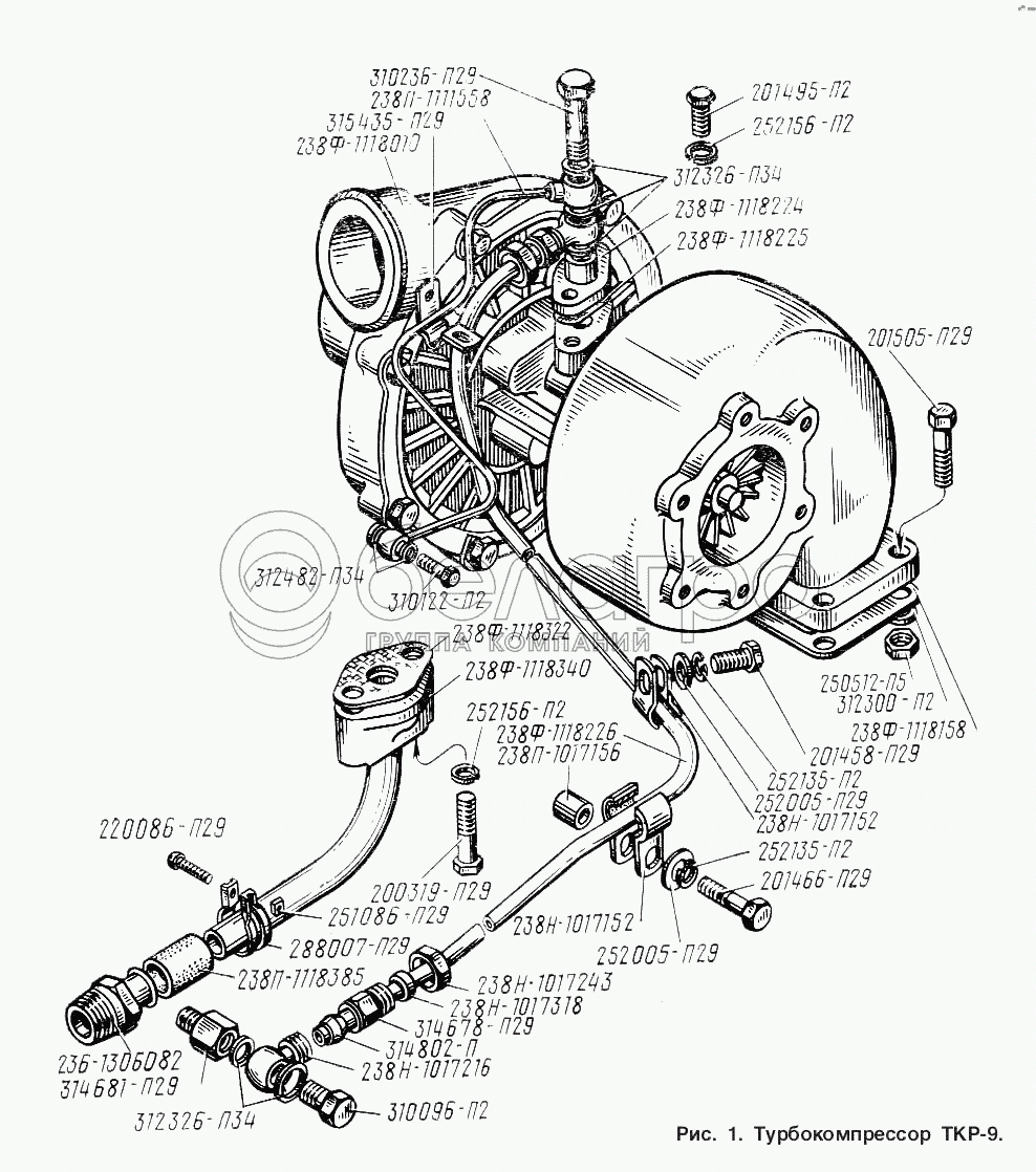
Каталог запасных частей к технике: ЯМЗ-238 ИМ. Турбокомпрессор ТКР-9

zoom-in zoom-out enlarge shrink circle-right circle-left file-text2 info cart arraw right arraw left zoom out zoom in arraw maximize arraw minimize
252005-П29
252005-П29
238Ф-1118158
238П-1017156
238П-1118385
238Н-1017152
238Н-1017152
238П-1111558
238Ф-1118226
238Ф-1118010
238Ф-1118224
288007-П29
238Ф-1118322
252135-П2
252135-П2
252156-П2
252156-П2
312300-П2
312326-П34
312326-П34
312482-П34
236-1306082
314678-П29
314681-П29
250512-П5
201458-П29
201466-П29
201495-П2
201505-П29
310096-П2
310122-П2
310236-П29
220086-П29
200319-П29
251086-П29
238Н-1017243
315435-П29
238Н-1017318
314802-П
238Н-1017216
238Ф-1118340
238Ф-1118225
252005-П29
Шайба плоская
В узле: 2
238Ф-1118158
Прокладка корпуса турбины
В узле: 1
238П-1017156
Проставка скобы
В узле: 1
238П-1118385
Рукав
В узле: 1
238Н-1017152
Скоба крепления трубки
В узле: 4
238П-1111558
Трубка подвода масла к корректору по наддуву
В узле: 1
238Ф-1118226
Трубка подвода масла к турбокомпрессору
В узле: 1
238Ф-1118010
Турбокомпрессор
В узле: 1
238Ф-1118224
Фланец турбокомпрессора
В узле: 1
288007-П29
Хомут
В узле: 2
238Ф-1118322
Прокладка фланца трубы
В узле: 1
252135-П2
Шайба пружинная
В узле: 2
252156-П2
Шайба пружинная
В узле: 2
312300-П2
Шайба
В узле: 4
312326-П34
Шайба уплотнительная
В узле: 5
312482-П34
Шайба
В узле: 2
236-1306082
Штуцер трубки слива масла
В узле: 1
314678-П29
Штуцер проходной
В узле: 2
314681-П29
Штуцер
В узле: 1
250512-П5
Гайка
В узле: 4
201458-П29
Болт М8х25
В узле: 1
201466-П29
Болт М8х45
В узле: 1
201495-П2
Болт
В узле: 2
201505-П29
Болт М10х45
В узле: 4
310096-П2
Болт специальный М14х1,5х30
В узле: 1
310122-П2
Болт М10х1х22
В узле: 1
310236-П29
Болт
В узле: 1
220086-П29
Винт М5х30
В узле: 2
200319-П29
Болт
В узле: 2
251086-П29
Гайка М5
В узле: 2
238Н-1017243
Гайка упорная в сборе
В узле: 2
315435-П29
Кляммер
В узле: 1
238Н-1017318
Кольцо
В узле: 2
314802-П
Муфта конусная
В узле: 2
238Н-1017216
Наконечник
В узле: 2
238Ф-1118340
Патрубок слива масла в сборе
В узле: 1
238Ф-1118225
Прокладка
В узле: 1
Содержащиеся в справочниках-каталогах запасные части и детали не предлагаются к продаже, а носят исключительно информационный характер

Ваша заявка была отправлена. В ближайшее время наши специалисты с Вами свяжутся по указанному Вами телефону.

Представьтесь
Поле обязательно для заполнения
Ваш телефон
Введите правильный номер телефона
E-mail
Введите правильный e-mail
Тема
Тема
применяемость финансирование доставка цена, наличие другое сервис и гарантия
Время для звонка
08:00
08:00 09:00 10:00 11:00 12:00 13:00 14:00 15:00 16:00 17:00 18:00 19:00
19:00
08:00 09:00 10:00 11:00 12:00 13:00 14:00 15:00 16:00 17:00 18:00 19:00

Мы постараемся перезвонить в указанное время

Если вы не хотите ждать, то звоните нашим вежливым консультантам:

8 800 100-2-700
Подтвердите, что вы не робот
Подтвердите, что вы не робот
Спасибо!

Ваше сообщение успешно отправлено!

ЗакрытьПовторить попытку