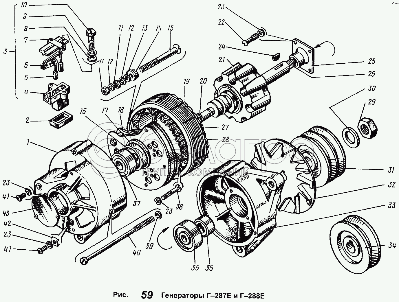
Каталог запасных частей к технике: ЯМЗ-238 М. Генераторы Г-287Е и Г-288Е

zoom-in zoom-out enlarge shrink circle-right circle-left file-text2 info cart arraw right arraw left zoom out zoom in arraw maximize arraw minimize
1
2
3
4
5
6
7
8
9
10
11
11
12
12
13
14
15
16
17
18
19
20
21
22
23
23
23
23
24
25
26
27
28
29
30
31
32
33
34
35
36
37
38
39
40
41
41
42
43
1
Г287-3701301
Крышка со стороны контактных колец
В узле: 1
2
Г287-3701307
Прокладка уплотнительная
В узле: 1
3
Г272-3701010-01
Щеткодержатель в сборе
В узле: 1
4
Г272-3701011
Щеткодержатель
В узле: 1
5
Г272-3701020-А
Щетка в сборе
В узле: 1
6
Г272-3701030-А
Щетка в сборе
В узле: 1
7
Г272-3701012-А
Крышка щеткодержателя
В узле: 1
8
8Х-1497-А
Шайба
В узле: 5
9
М11-41081
Шайба пружинная
В узле: 2
10
Г250Е1-3701016
Болт
В узле: 2
11
8Х-1537М
Гайка
В узле: 2
12
МХ-0246-01
Шайба 8 пружинная
В узле: 2
13
1МЮ-37
Шайба
В узле: 1
14
Г287-3701319
Втулка изоляционная
В узле: 1
15
НО-0801-10
Болт контактный
В узле: 1
16
Г287-3701305-А
Кольцо уплотнительное контактное
В узле: 1
17
Г21-3701005
Чашка ротора
В узле: 1
18
БПВ7-100-02
Блок выпрямительный
В узле: 1
19
Г288-3701100-А
Статор
В узле: 1
20
Г210-3701202
Кольцо разрезное
В узле: 1
21
Г288-3701200
Ротор
В узле: 1
22
7Х-4066
Винт
В узле: 4
23
Х-4001-01
Шайба пружинная
В узле: 11
24
15Х-4148
Шпонка
В узле: 1
25
Г287-3701405
Шайба специальная
В узле: 1
26
Г287-3701053
Втулка распорная
В узле: 1
27
Г288-3701130
Фаза статора
В узле: 1
28
Г288-3701132
Фаза статора
В узле: 1
29
МХ-0235-01
Гайка
В узле: 1
30
Г287-3701074
Шайба
В узле: 1
31
Г288-3701051
Шкив генератора Г-288Е
В узле: 1
32
Г287-3701055
Вентилятор
В узле: 1
33
Г287-3701400
Крышка со стороны привода в сборе
В узле: 1
34
Г288А-3701051
Шкив генератора Г-287Е
В узле: 1
35
Г287-3701054
Втулка
В узле: 1
36
6-1180304К1С9
Подшипник шариковый радиальный однорядный с двусторонним уплотнением 20х52х18
В узле: 1
37
6-180603К1С9
Подшипник шариковый радиальный однорядный с двусторонним уплотнением 20х52х18
В узле: 1
38
МХ-0139
Винт
В узле: 3
39
Х-1482-01
Шайба пружинная
В узле: 6
40
НО-0102
Винт М6
В узле: 3
41
Х-4237-01
Винт М5
В узле: 4
42
Г250-3701053-А1
Скоба
В узле: 1
43
Г287-3701060
Крышка
В узле: 1
Содержащиеся в справочниках-каталогах запасные части и детали не предлагаются к продаже, а носят исключительно информационный характер

Ваша заявка была отправлена. В ближайшее время наши специалисты с Вами свяжутся по указанному Вами телефону.

Представьтесь
Поле обязательно для заполнения
Ваш телефон
Введите правильный номер телефона
E-mail
Введите правильный e-mail
Тема
Тема
применяемость финансирование доставка цена, наличие другое сервис и гарантия
Время для звонка
08:00
08:00 09:00 10:00 11:00 12:00 13:00 14:00 15:00 16:00 17:00 18:00 19:00
19:00
08:00 09:00 10:00 11:00 12:00 13:00 14:00 15:00 16:00 17:00 18:00 19:00

Мы постараемся перезвонить в указанное время

Если вы не хотите ждать, то звоните нашим вежливым консультантам:

8 800 100-2-700
Подтвердите, что вы не робот
Подтвердите, что вы не робот
Спасибо!

Ваше сообщение успешно отправлено!

ЗакрытьПовторить попытку