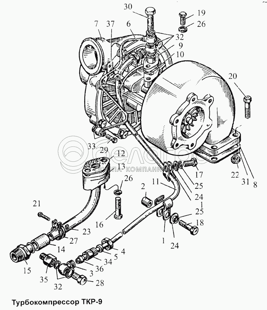
Каталог запасных частей к технике: ЯМЗ-238 НД. Турбокомпрессор ТКР-9

zoom-in zoom-out enlarge shrink circle-right circle-left file-text2 info cart arraw right arraw left zoom out zoom in arraw maximize arraw minimize
1
1
2
3
4
5
6
7
8
9
10
11
12
13
14
15
16
17
18
19
20
21
22
23
24
24
25
25
26
26
27
28
29
30
31
32
32
33
34
35
36
37
1
238Н-1017152
Скоба крепления трубки
В узле: 4
2
238П-1017156
Проставка скобы
В узле: 1
3
238Н-1017216
Наконечник
В узле: 2
4
238К-1017243
Гайка упорная
В узле: 2
5
238Н-1017318
Кольцо
В узле: 2
6
238П-1111558
Трубка подвода масла к корректору по наддуву
В узле: 1
7
238Ф-1118010
Турбокомпрессор
В узле: 1
8
238Ф-1118158
Прокладка корпуса турбины
В узле: 1
9
238Ф-1118224
Фланец турбокомпрессора
В узле: 1
10
238Ф-1118225
Прокладка
В узле: 1
11
235Ф-1118226
Трубка подводящая
В узле: 1
12
238Ф-1118322
Прокладка фланца трубы
В узле: 1
13
238Ф-1118340
Патрубок слива масла в сборе
В узле: 1
14
238П-1118385
Рукав
В узле: 1
15
236-1306082
Штуцер трубки слива масла
В узле: 1
16
200319-П29
Болт
В узле: 2
17
201458-П29
Болт М8х25
В узле: 1
18
201466-П29
Болт М8х45
В узле: 1
19
201495-П2
Болт
В узле: 2
20
201505-П29
Болт М10х45
В узле: 4
21
220086-П29
Винт М5х30
В узле: 2
22
250512-П5
Гайка
В узле: 4
23
251086-П29
Гайка М5
В узле: 2
24
252005-П29
Шайба плоская
В узле: 2
25
252135-П2
Шайба пружинная
В узле: 2
26
252156-П2
Шайба пружинная
В узле: 2
27
288007-П29
Хомут
В узле: 2
28
310096-П2
Болт специальный М14х1,5х30
В узле: 1
29
310122-П2
Болт М10х1х22
В узле: 1
30
310236-П29
Болт
В узле: 1
31
312300-П2
Шайба
В узле: 4
32
312326-П34
Шайба уплотнительная
В узле: 5
33
312482-П34
Шайба
В узле: 2
34
314678-П29
Штуцер проходной
В узле: 2
35
314681-П29
Штуцер
В узле: 1
36
314802-П
Муфта конусная
В узле: 2
37
315435-П29
Кляммер
В узле: 1
Содержащиеся в справочниках-каталогах запасные части и детали не предлагаются к продаже, а носят исключительно информационный характер

Ваша заявка была отправлена. В ближайшее время наши специалисты с Вами свяжутся по указанному Вами телефону.

Представьтесь
Поле обязательно для заполнения
Ваш телефон
Введите правильный номер телефона
E-mail
Введите правильный e-mail
Тема
Тема
применяемость финансирование доставка цена, наличие другое сервис и гарантия
Время для звонка
08:00
08:00 09:00 10:00 11:00 12:00 13:00 14:00 15:00 16:00 17:00 18:00 19:00
19:00
08:00 09:00 10:00 11:00 12:00 13:00 14:00 15:00 16:00 17:00 18:00 19:00

Мы постараемся перезвонить в указанное время

Если вы не хотите ждать, то звоните нашим вежливым консультантам:

8 800 100-2-700
Подтвердите, что вы не робот
Подтвердите, что вы не робот
Спасибо!

Ваше сообщение успешно отправлено!

ЗакрытьПовторить попытку