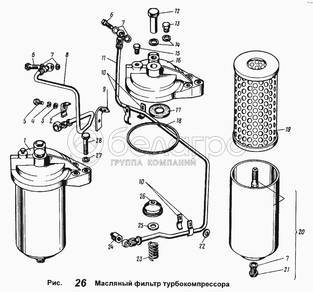
Каталог запасных частей к технике: ЯМЗ-238 ПМ и 238 ФМ. Масляный фильтр турбокомпрессора

zoom-in zoom-out enlarge shrink circle-right circle-left file-text2 info cart arraw right arraw left zoom out zoom in arraw maximize arraw minimize
1
2
3
4
5
6
6
7
7
7
8
9
10
10
11
12
13
14
15
16
17
18
19
20
21
22
23
24
25
26
27
28
1
238НБ-1017010-А4
Фильтр тонкой очистки масла
В узле: 1
2
238НБ-1017144
Колодка
В узле: 1
3
252004-П29
Шайба
В узле: 1
4
252134-П2
Шайба пружинная
В узле: 1
5
201422-П29
Болт М6х25
В узле: 1
6
310096-П2
Болт специальный М14х1,5х30
В узле: 4
7
312326-П34
Шайба уплотнительная
В узле: 4
8
238НБ-1017146-П34
Трубка подвода масла к турбокомпрессору
В узле: 1
9
238НБ-1017143
Кронштейн
В узле: 1
10
238Н-1017152
Скоба крепления трубки
В узле: 4
11
238НБ-1017140-Б2
Трубка подвода масла к фильтру
В узле: 1
12
238НБ-1017110-Б
Болт крышки
В узле: 1
13
201-1117124
Пробка
В узле: 1
14
201-1015624
Прокладка
В узле: 2
15
316121-П29
Пробка К 1/4"
В узле: 1
16
238НБ-1017108-Г
Крышка фильтра
В узле: 1
17
240-1017122-А
Прокладка фильтрующего элемента
В узле: 1
18
201-1012083
Прокладка колпака фильтра
В узле: 1
19
240-1017040-А3
Элемент фильтрующий
В узле: 1
20
238НБ-1017048-А
Колпак фильтра а сборе
В узле: 1
21
316154-П29
Пробка
В узле: 1
22
252005-П29
Шайба плоская
В узле: 2
23
240-1017048-Б
Пружина фильтра
В узле: 1
24
314681-П29
Штуцер
В узле: 1
25
312607-П2
Шайба
В узле: 1
26
238НБ-1017045-Б2
Чашка фильтра уплотнительная
В узле: 1
27
252136-П2
Шайба 10 пружинная
В узле: 3
28
201505-П29
Болт М10х45
В узле: 3
Содержащиеся в справочниках-каталогах запасные части и детали не предлагаются к продаже, а носят исключительно информационный характер

Ваша заявка была отправлена. В ближайшее время наши специалисты с Вами свяжутся по указанному Вами телефону.

Представьтесь
Поле обязательно для заполнения
Ваш телефон
Введите правильный номер телефона
E-mail
Введите правильный e-mail
Тема
Тема
применяемость финансирование доставка цена, наличие другое сервис и гарантия
Время для звонка
08:00
08:00 09:00 10:00 11:00 12:00 13:00 14:00 15:00 16:00 17:00 18:00 19:00
19:00
08:00 09:00 10:00 11:00 12:00 13:00 14:00 15:00 16:00 17:00 18:00 19:00

Мы постараемся перезвонить в указанное время

Если вы не хотите ждать, то звоните нашим вежливым консультантам:

8 800 100-2-700
Подтвердите, что вы не робот
Подтвердите, что вы не робот
Спасибо!

Ваше сообщение успешно отправлено!

ЗакрытьПовторить попытку