Каталог запасных частей к технике: ЯМЗ-238Д и Б. Картер понижающей передачи

zoom-in zoom-out enlarge shrink circle-right circle-left file-text2 info cart arraw right arraw left zoom out zoom in arraw maximize arraw minimize
1
2
3
4
5
5
5
6
7
8
9
10
11
12
13
14
15
16
17
1
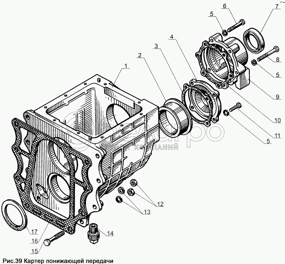
238Н-1721015
Картер понижающей передачи
В узле: 1
2
238-1721032
Гнездо заднего подшипника
В узле: 1
3
238-1721075
Прокладка крышки
В узле: 1
4
238-1721074
Крышка заднего подшипника
В узле: 1
5
252137-П2
Шайба пружинная
В узле: 10
6
201549-П29
Болт
В узле: 4
7
238Н-1721088
Манжета
В узле: 1
8
200377-П29
Болт М12
В узле: 2
9
238П-1721205
Крышка подшипников вторичного вала
В узле: 1
10
238П-1721203
Прокладка крышки подшипников
В узле: 1
11
201542-П29
Болт
В узле: 4
12
250553-П29
Гайка
В узле: 8
13
252139-П2
Шайба пружинная
В узле: 8
14
238Н-1721255-Б
Пробка сливного отверстия с магнитом в сборе
В узле: 1
15
200890-П29
Болт
В узле: 1
16
238-1721250-А
Прокладка картера
В узле: 1
17
238Н-1721252
Кольцо упорное
В узле: 1
Содержащиеся в справочниках-каталогах запасные части и детали не предлагаются к продаже, а носят исключительно информационный характер

Ваша заявка была отправлена. В ближайшее время наши специалисты с Вами свяжутся по указанному Вами телефону.

Представьтесь
Поле обязательно для заполнения
Ваш телефон
Введите правильный номер телефона
E-mail
Введите правильный e-mail
Тема
Тема
применяемость финансирование доставка цена, наличие другое сервис и гарантия
Время для звонка
08:00
08:00 09:00 10:00 11:00 12:00 13:00 14:00 15:00 16:00 17:00 18:00 19:00
19:00
08:00 09:00 10:00 11:00 12:00 13:00 14:00 15:00 16:00 17:00 18:00 19:00

Мы постараемся перезвонить в указанное время

Если вы не хотите ждать, то звоните нашим вежливым консультантам:

8 800 100-2-700
Подтвердите, что вы не робот
Подтвердите, что вы не робот
Спасибо!

Ваше сообщение успешно отправлено!

ЗакрытьПовторить попытку